电脑桌面
添加小米粒文库到电脑桌面
安装后可以在桌面快捷访问

临时用水用电施工方案(DOC33页)VIP免费

临时用水用电施工方案(DOC33页)_第1页
1/23
临时用水用电施工方案(DOC33页)_第2页
2/23
临时用水用电施工方案(DOC33页)_第3页
3/23
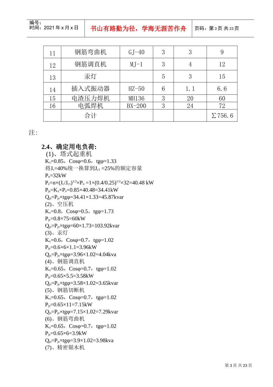
第1页共23页编号:时间:2021年x月x日书山有路勤为径,学海无涯苦作舟页码:第1页共23页1.工程概况1.1基本概况龙湖新大竹林项目一期022-8地块Ⅱ标段工程,由重庆龙湖怡置地产开发有限公司投资兴建,位于两江新区大竹林片区。由十二栋洋房(8#楼、9#楼、10#楼、11#楼、12#楼、13#楼、14#楼、15#楼、18#楼、19#楼、20#楼、21#楼)、沿边商业及两层地下车库组成。该项目总建筑面积约为11万㎡,为住宅商业区。本工程平场标高215.095、215.695、216.980、214.640、212.240(为绝对标高),8#楼、9#楼均为7层,总建筑高度21m;10#楼为11层,总建筑高度33m;11#楼局部11层、局部8层,总建筑高度33m、24m;12#楼为8层,总建筑高度24m;13#楼为6层,总建筑高度18m;14#楼为8层,总建筑高度24m;15#楼为7层,总建筑高度21m;18#楼为8层,总建筑高度24m;19#楼为8层,总建筑高度24m;20#楼局部11层、局部8层,总建筑高度33m、24m;21#楼局部11层、局部8层,总建筑高度33m、24m。本工程基础结构形式分别为墙下条形基础、独立基础及挖孔桩基础。主体结构形式为全现浇钢筋混凝土框架剪力墙结构。本工程各栋房屋主体结构设计使用年限为50年,结构安全等级为二级,项目所在抗震设防烈度为6度,抗震设防类别丙类,地基基础设计等级为甲级,地下室耐火等级为二级,地上耐火等级为一级。工程内容包括:包含基础、主体、楼地面、屋面、门窗、内外装饰、给排水、电气、消防、有关的预留预埋和配合(如暖通等)等工程。1.2施工现场条件本工程地处重庆市两江新区大竹林片区,场地已平整。场区内已新建一条施工道路进入,能满足施工运输的需要。场内管网设施尚未完善,场地有部分排水系统。靠金州大道有一接水口和供电系统,将分别对办公区及生活区进行供电供水,同时此接水口还将对现场施工进行供水,靠近恒山西路处,有1台箱式电力变压器,此箱式电力变压器将对施工现场进行供电。2.施工临时用电设计2.1编制依据施工现场临时用电安全技术规范(JGJ46-2005)建筑电气安装工程施工质量验收规范(GB50303-2011)建筑机械使用安全技术规程(JGJ33-2012)建设工程施工现场供用电安全规范(GB50194-2014)供配电系统设计规范(GB50052-2009)施工现场安全检查标准(JGJ59-2011)施工现场总平面布置图2.2初步设计本工程在靠近恒山西路处,有1台箱式电力变压器,变压器的容量为800KVA,能满足施工用电的需要。本工程的施工用电从该箱变引出,接至施工现场,对于办公区及生活区用电将另从靠近金开大道处接入,容量为800KVA箱式变压器。第2页共23页编号:时间:2021年x月x日书山有路勤为径,学海无涯苦作舟页码:第2页共23页a、本供电系统采用三相五线制(TN-S系统),三级配电、二级漏电保护或三级漏电保护。其中要求首级保护漏电不大于250mA,主要保护总配电箱至分配电箱电线漏电,漏电时间系数不大于0.1S。开关箱和流动电箱不大于30mA,漏电时间保护系数也不大于0.1S。b、本用电设计仅负责施工现场总开关箱以下的线路,主要是基础施工用电、主体施工用电、装饰装修工程用电和照明用电的电气开关的选择、布置、使用、维护和管理。c、本工程供电计划按3个主线路及多个分线路同时进行,其中主线路主要负责从箱变接至一级配电箱;再经一级配电箱分多个线路接至各塔吊和加工棚的所有用电。d、根据施工现场用电设施布置情况,设置3个一级配电箱,采用分区配电法,用一组电缆从箱变引至施工现场Ⅰ号配电箱,再采用多元配电线路将4组电缆从一级电箱分布到二级配电箱。从二级配电箱分支电路到开关箱,应当配电合理,互不干扰防止因电气故障影响施工。e、应保证施工现场用电达到规范化管理。f、电线分布见临水临电平面布置图附图一g、进栋号采用电缆按供电需用大小配置随楼层上升,电缆每层固定一次,必须将电缆固定好。h、现场采用投射灯5盏,普通照明灯若干。i、各楼层用电的开关箱从附近的配电箱引接。2.3用电量计算主干线路每组用电量计算本线路施工机械用电量主要是各阶段的生产用电量。施工机械和办公生活区用电量统计表序号名称规格型号数量单台功率(KW)合计功率(KW)1空压机1018.51852水钻HZ15-A302.5753砼搅拌机315454砂...

1、当您付费下载文档后,您只拥有了使用权限,并不意味着购买了版权,文档只能用于自身使用,不得用于其他商业用途(如 [转卖]进行直接盈利或[编辑后售卖]进行间接盈利)。
2、本站所有内容均由合作方或网友上传,本站不对文档的完整性、权威性及其观点立场正确性做任何保证或承诺!文档内容仅供研究参考,付费前请自行鉴别。
3、如文档内容存在违规,或者侵犯商业秘密、侵犯著作权等,请点击“违规举报”。

碎片内容

临时用水用电施工方案(DOC33页)

教育教学文库+ 关注
实名认证
内容提供者

本店有大量的教育教学资料,课件

确认删除?
VIP
微信客服
  • 扫码咨询
会员Q群
  • 会员专属群点击这里加入QQ群
客服邮箱
回到顶部