电脑桌面
添加小米粒文库到电脑桌面
安装后可以在桌面快捷访问

化工设备图样的基本知识VIP免费

化工设备图样的基本知识_第1页
1/70
化工设备图样的基本知识_第2页
2/70
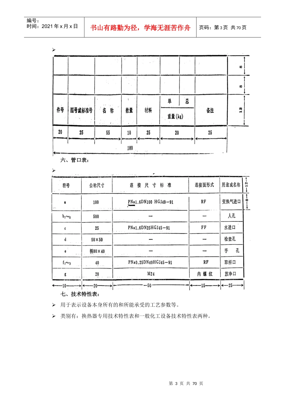
化工设备图样的基本知识_第3页
3/70
第1页共70页编号:时间:2021年x月x日书山有路勤为径,学海无涯苦作舟页码:第1页共70页第一章化工设备图样的基本知识第二章化工设备图的表达特点第三章化工设备的焊接及焊缝表达第四章化工设备常用零部件简介第五章化工设备图的绘制第六章化工设备图的阅读第七章工艺流程图第八章车间布置设计与建筑图第九章设备布置图第十章管道布置图第一章化工设备图样的基本知识本节重点:图幅布置及各种表格内容化工图样包括化工机器、化工设备图样和化工工艺图样。化工设备图样包括化工设备总图、装配图、部件图、零件图、管口方位图、表格图及预焊接图等。化工工艺图样包括化工工艺流程图、设备布置图、管路布置图等。一、化工设备图样:1、总图2、装配图3、部件图4、零件图5、管口方位图6、表格图7、标准图8、通用图二、化工设备图样的安排格式:1、装配图兼作总图2、装配图附零件图第2页共70页第1页共70页编号:时间:2021年x月x日书山有路勤为径,学海无涯苦作舟页码:第2页共70页3、部件装配图4、部件装配图附有零件图5、零件图6、装配图附数据表三、图幅排列原则:装配图、零件图、部件图可排列在同一张纸上。如果不能排列在同一张图纸上,也可分排在几张纸上,但要保证以下两个条件。第一、主要视图及所属的技术要求、技术特性表、管口表、明细表、选用表及图纸目录等均应安排在第一张图纸上。第二、在每一张图纸的技术要求下方,应加“注”,注明几张图纸之间的相互联系。四、标题栏:1、大主标题栏2、小主标题栏2、简单标题栏3、标准图或通用图标题栏五、明细表:第3页共70页第2页共70页编号:时间:2021年x月x日书山有路勤为径,学海无涯苦作舟页码:第3页共70页六、管口表:七、技术特性表:用于表示设备本身所有的和所能承受的工艺参数等。类别有:换热器专用技术特性表和一般化工设备技术特性表两种。第4页共70页第3页共70页编号:时间:2021年x月x日书山有路勤为径,学海无涯苦作舟页码:第4页共70页第二章化工设备图的表达特点一、化工设备的基本结构特点:1、回转体形体为主2、部件尺寸相差悬殊3、壳体上孔和管口多4、零部件标准化5、焊接结构多6、材料特殊7、密封要求高二、化工设备图的视图表达特点:1、视图配置2、夸大画法3、断开画法4、分层画法5、旋转视图6、管口方位图:用来表达化工设备的管口及其它附件分布情况。第5页共70页第4页共70页编号:时间:2021年x月x日书山有路勤为径,学海无涯苦作舟页码:第5页共70页三、简化画法:1、标准化零部件2、外购部件3、单线示意画法4、液面计的画法5、重复结构标准化零部件第6页共70页第5页共70页编号:时间:2021年x月x日书山有路勤为径,学海无涯苦作舟页码:第6页共70页外购部件3单线示意画法第7页共70页第6页共70页编号:时间:2021年x月x日书山有路勤为径,学海无涯苦作舟页码:第7页共70页第8页共70页第7页共70页编号:时间:2021年x月x日书山有路勤为径,学海无涯苦作舟页码:第8页共70页液面计的画法第9页共70页第8页共70页编号:时间:2021年x月x日书山有路勤为径,学海无涯苦作舟页码:第9页共70页重复结构第10页共70页第9页共70页编号:时间:2021年x月x日书山有路勤为径,学海无涯苦作舟页码:第10页共70页第11页共70页第10页共70页编号:时间:2021年x月x日书山有路勤为径,学海无涯苦作舟页码:第11页共70页五、化工设备的尺寸分析:1、规格性能尺寸2、装配尺寸3、外形尺寸4、安装尺寸5、其它尺寸第12页共70页第11页共70页编号:时间:2021年x月x日书山有路勤为径,学海无涯苦作舟页码:第12页共70页六、化工设备图尺寸标注基准线的确定:1、设备筒体和封头的轴线2、设备筒体与封头的环焊缝3、设备法兰的连接面4、设备支座、裙座的底面5、接管轴线与设备表面交点第三章化工设备的焊接及焊缝结构的表达焊接是通过加热或加压,或两者并用,并且用或不用填充材料,使焊件达到原子结合的一种加工方法,是一种不可拆连接。焊接接头:...

1、当您付费下载文档后,您只拥有了使用权限,并不意味着购买了版权,文档只能用于自身使用,不得用于其他商业用途(如 [转卖]进行直接盈利或[编辑后售卖]进行间接盈利)。
2、本站所有内容均由合作方或网友上传,本站不对文档的完整性、权威性及其观点立场正确性做任何保证或承诺!文档内容仅供研究参考,付费前请自行鉴别。
3、如文档内容存在违规,或者侵犯商业秘密、侵犯著作权等,请点击“违规举报”。

碎片内容

化工设备图样的基本知识

确认删除?
VIP
微信客服
  • 扫码咨询
会员Q群
  • 会员专属群点击这里加入QQ群
客服邮箱
回到顶部