电脑桌面
添加小米粒文库到电脑桌面
安装后可以在桌面快捷访问

变频供水方案VIP免费

变频供水方案_第1页
1/9
变频供水方案_第2页
2/9
变频供水方案_第3页
3/9
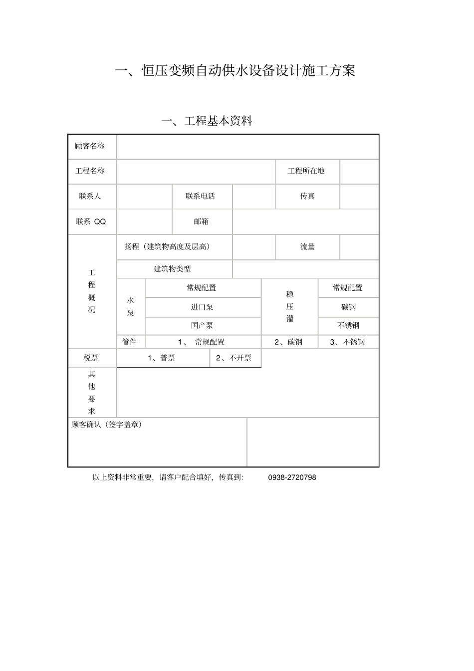
也许您不在意多耗一度电,但我们关注您白花的每一分钱一、恒压变频自动供水设备设计施工方案一、工程基本资料顾客名称工程名称工程所在地联系人联系电话传真联系QQ邮箱工程概况扬程(建筑物高度及层高)流量建筑物类型水泵常规配置稳压灌常规配置进口泵碳钢国产泵不锈钢管件1、常规配置2、碳钢3、不锈钢税票1、普票2、不开票其他要求顾客确认(签字盖章)以上资料非常重要,请客户配合填好,传真到:0938-2720798二、简介随着社会经济技术的发展进步,市政供水系统水质标准逐步提高,供水能力不断增强。为适应社会发展要求,自动给水设备必然要朝着一定的目标发展,这个目标就是高效节能、无稳流污染、低噪音、操作方便、运行可靠。我们的恒压(无吸程)供水设备就是按此目标设计的新型给水设备。恒压(无吸程)自动供水设备设计了全变频控制系统,可更好的适应于水泵大幅变工况运行。采用部分(单台)水泵变频调速的技术方案时,专门选配了上海名优合金钢密封水泵。特别配套设计了各种缓冲罐、稳流罐,对稳流具有很好的缓冲作用。系列产品设计充分考虑了应用的灵活性,可满足不同用户具体工程应用要求的差异。三、恒压变频恒压供水运行原理1.变频恒压供水系统节能原理供水系统的基本特性和工作点扬程特性是以供水系统管路中的阀门开度不变为前提,表明水泵在某一转速下扬程H与流量Q之间的关系曲线f(Q),如图1-1所示。图1-1供水系统的基本特征由图可以看出,流量Q越大,扬程H越小。由于在阀门开度和水泵转速都不变的情况下,流量的大小主要取决于用户的用水情况,因此,扬程特性所反映的是扬程H与用水流量Q(u)间的关系。而管阻特性是以水泵的转速不变为前提,表明阀门在某一开度下,扬程H与流量Q之间的关系HJ(Qu)。管阻特性反映了水泵的能量用来克服泵系统的水位及压力差、液体在管道中流动阻力的变化规律。由图可知,在同一阀门开度下,扬程H越大,流量Q也越大。由于阀门开度的改变,实际上是改变了在某一扬程下,供水系统向用户的供水能力。因此,管阻特性所反映的是扬程与供水流量Qc之间的关系Hf(Qc)。扬程特性曲线和管阻特性曲线的交点,称为供水系统的工作点,如图中A点。在这一点,用户的用水流量Qu和供水系统的供水流量Qc处于平衡状态,供水系统既满足了扬程特性,也符合了管阻特性,系统稳定运行。图1-1供水系统的基本特征。变频恒压供水系统的供水部分主要由水泵、电动机、管道和阀门等构成。通常由异步电动机驱动水泵旋转来供水,并且把电机和水泵做成一体,通过变频器调节异步电机的转速,从而改变水泵的出水流量而实现恒压供水的。因此,供水系统变频的实质是异步电动机的变频调速。异步电动机的变频调速是通过改变定子供电频率来改变同步转速而实现调速的。2.变频恒压控制理论模型变频恒压控制系统以供水出口管网水压为控制目标,在控制上实现出口总管网的实际供水压力跟随设定的供水压力。设定的供水压力可以是一个常数,也可以是一个时间分段函数,在每一个时段内是一个常数。所以,在某个特定时段内,恒压控制的目标就是使出口总管网的实际供水压力维持在设定的供水压力上从图1-2中可以看出,在系统运行过程中,如果实际供水压力低于设定压力,控制系统将得到正的压力差,这个差值经过计算和转换,计算出变频器输出频率的增加值,该值就是为了减小实际供水压力与设定压力的差值,将这个增量和变频器当前的输出值相加,得出的值即为变频器当前应该输出的频率。该频率使水泵机组转速增大,从而使实际供水压力提高,在运行过程中该过程将被重复,直到实际供水压力和设定压力相等为止。如果运行过程中实际供水压力高于设定压力,情况刚好相反,变频器的输出频率将会降低,水泵的转速减小,实际供水压力因此而减小。同样,最后调节的结果是实际供水压力和设定压力相等。图1-2变频恒压控制原理图3.恒压供水控制系统构成变频恒压供水系统的供水部分主要由水泵、电动机、管道和阀门等构成。通常由异步电动机驱动水泵旋转来供水,并且把电机和水泵连成一体,通过变频器调节异步电机的转速,从而改变水泵的出水流量而实现恒压供水的。因此,供水系统变频的实质是异步电动机的变频调...

1、当您付费下载文档后,您只拥有了使用权限,并不意味着购买了版权,文档只能用于自身使用,不得用于其他商业用途(如 [转卖]进行直接盈利或[编辑后售卖]进行间接盈利)。
2、本站所有内容均由合作方或网友上传,本站不对文档的完整性、权威性及其观点立场正确性做任何保证或承诺!文档内容仅供研究参考,付费前请自行鉴别。
3、如文档内容存在违规,或者侵犯商业秘密、侵犯著作权等,请点击“违规举报”。

碎片内容

变频供水方案

确认删除?
VIP
微信客服
  • 扫码咨询
会员Q群
  • 会员专属群点击这里加入QQ群
客服邮箱
回到顶部