电脑桌面
添加小米粒文库到电脑桌面
安装后可以在桌面快捷访问

几个主要煤种的矿山资源等级表VIP免费

几个主要煤种的矿山资源等级表_第1页
1/16
几个主要煤种的矿山资源等级表_第2页
2/16
几个主要煤种的矿山资源等级表_第3页
3/16
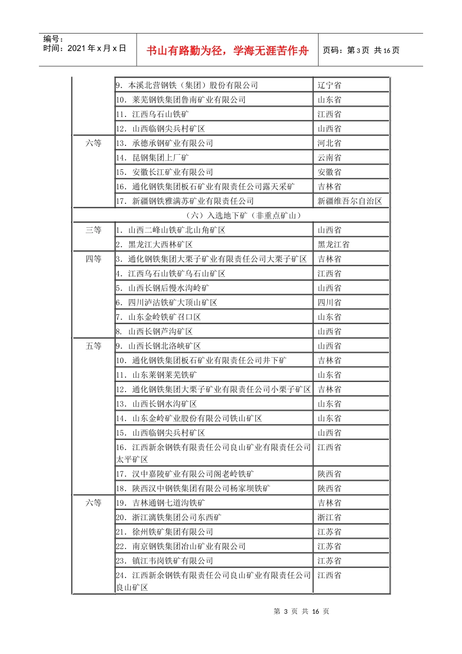
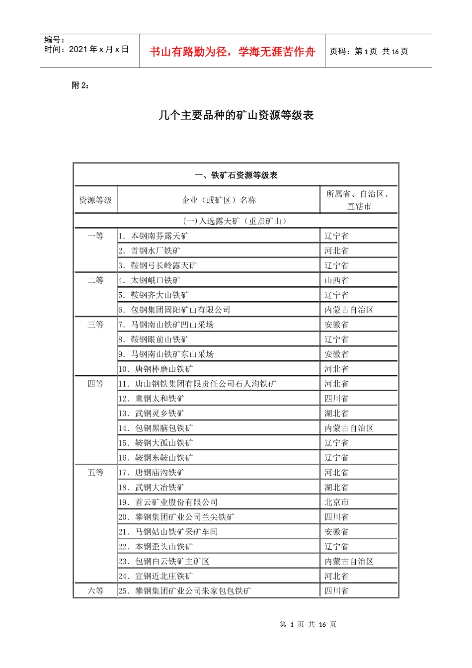
第1页共16页编号:时间:2021年x月x日书山有路勤为径,学海无涯苦作舟页码:第1页共16页附2:几个主要品种的矿山资源等级表一、铁矿石资源等级表资源等级企业(或矿区)名称所属省、自治区、直辖市(一)入选露天矿(重点矿山)一等1.本钢南芬露天矿辽宁省2.首钢水厂铁矿河北省3.鞍钢弓长岭露天矿辽宁省二等4.太钢峨口铁矿山西省5.鞍钢齐大山铁矿辽宁省6.包钢集团固阳矿山有限公司内蒙古自治区三等7.马钢南山铁矿凹山采场安徽省8.鞍钢眼前山铁矿辽宁省9.马钢南山铁矿东山采场安徽省10.唐钢棒磨山铁矿河北省四等11.唐山钢铁集团有限责任公司石人沟铁矿河北省12.重钢太和铁矿四川省13.武钢灵乡铁矿湖北省14.包钢黑脑包铁矿内蒙古自治区15.鞍钢大孤山铁矿辽宁省16.鞍钢东鞍山铁矿辽宁省五等17.唐钢庙沟铁矿河北省18.武钢大冶铁矿湖北省19.首云矿业股份有限公司北京市20.攀钢集团矿业公司兰尖铁矿四川省21.马钢姑山铁矿采矿车间安徽省22.本钢歪头山铁矿辽宁省23.包钢白云铁矿主矿区内蒙古自治区24.宣钢近北庄铁矿河北省六等25.攀钢集团矿业公司朱家包包铁矿四川省第2页共16页第1页共16页编号:时间:2021年x月x日书山有路勤为径,学海无涯苦作舟页码:第2页共16页26.包钢白云铁矿东矿区内蒙古自治区27.海南铁矿北一矿区海南省28.海南铁矿南矿区海南省(二)入选地下矿(重点矿山)二等1.上海梅山矿业有限公司江苏省2.酒钢镜铁山矿甘肃省三等3.鞍钢弓长岭井下矿辽宁省4.邯邢冶金矿山管理局符山铁矿河北省5.马钢(集团)控股有限公司桃冲矿业公司安徽省6.武钢程潮铁矿湖北省四等7.武钢大冶铁矿湖北省五等8.邯邢冶金矿山管理局西石门铁矿河北省9.武钢金山店铁矿湖北省10.水城钢铁(集团)有限责任公司观音山矿业分公司贵州省11.鲁中小官庄铁矿山东省六等12.首钢大石河铁矿大石河采区(地下开采的矿石)河北省(三)入炉露天矿(重点矿山)一等1.海南铁矿北一矿区海南省二等2.海南铁矿枫树下矿区海南省三等3.水城钢铁(集团)有限责任公司观音山矿业分公司贵州省四等4.海南铁矿南矿区海南省(四)入炉地下矿(重点矿山)二等1.鞍钢弓长岭井下矿辽宁省2.鲁中小官庄矿山东省三等3.马钢(集团)控股有限公司桃冲矿业公司安徽省四等4.水城钢铁(集团)有限责任公司观音山矿业分公司贵州省(五)入选露天矿(非重点矿山)二等1.江西七宝山铁矿江西省2.福建潘洛铁矿洛阳采区福建省3.山东莱钢荞麦地东矿区山东省4.辽宁凌钢保国铁矿辽宁省四等5.广西柳州钢铁(集团)矿业公司广西壮族自治区6.浙江闲林埠钼铁矿浙江省五等7.合肥钢铁集团钟山矿业有限责任公司安徽省8.新余市铁坑矿业有限责任公司江西省第3页共16页第2页共16页编号:时间:2021年x月x日书山有路勤为径,学海无涯苦作舟页码:第3页共16页9.本溪北营钢铁(集团)股份有限公司辽宁省10.莱芜钢铁集团鲁南矿业有限公司山东省11.江西乌石山铁矿江西省12.山西临钢尖兵村矿区山西省六等13.承德承钢矿业有限公司河北省14.昆钢集团上厂矿云南省15.安徽长江矿业有限公司安徽省16.通化钢铁集团板石矿业有限责任公司露天采矿吉林省17.新疆钢铁雅满苏矿业有限责任公司新疆维吾尔自治区(六)入选地下矿(非重点矿山)三等1.山西二峰山铁矿北山角矿区山西省2.黑龙江大西林矿区黑龙江省四等3.通化钢铁集团大栗子矿业有限责任公司大栗子矿区吉林省4.江西乌石山铁矿乌石山矿区江西省5.山西长钢后慢水沟岭矿山西省6.四川泸沽铁矿大顶山矿区四川省7.山东金岭铁矿召口区山东省8.山西长钢芦沟矿区山西省五等9.山西长钢北洛峡矿区山西省10.通化钢铁集团板石矿业有限责任公司井下矿吉林省11.山东莱钢莱芜铁矿山东省12.通化钢铁集团大栗子矿业有限责任公司小栗子矿区吉林省13.山西长钢水沟矿区山东省14.山东金岭矿业股份有限公司铁山矿区山东省15.山西临钢尖兵村矿区山西省16.江西新余钢铁有限责任公司良山矿业有限责任公司太平矿区江西省17.汉中嘉陵矿业有限公司阁老岭铁矿陕西省18.陕西汉中钢铁集团有限公司杨家坝铁矿陕西省六等19.吉林通钢七道沟铁矿吉林省20.浙江漓铁集团...

1、当您付费下载文档后,您只拥有了使用权限,并不意味着购买了版权,文档只能用于自身使用,不得用于其他商业用途(如 [转卖]进行直接盈利或[编辑后售卖]进行间接盈利)。
2、本站所有内容均由合作方或网友上传,本站不对文档的完整性、权威性及其观点立场正确性做任何保证或承诺!文档内容仅供研究参考,付费前请自行鉴别。
3、如文档内容存在违规,或者侵犯商业秘密、侵犯著作权等,请点击“违规举报”。

碎片内容

几个主要煤种的矿山资源等级表

您可能关注的文档

确认删除?
VIP
微信客服
  • 扫码咨询
会员Q群
  • 会员专属群点击这里加入QQ群
客服邮箱
回到顶部