电脑桌面
添加小米粒文库到电脑桌面
安装后可以在桌面快捷访问

SN建筑给排水及采暖工程资料VIP免费

SN建筑给排水及采暖工程资料_第1页
1/33
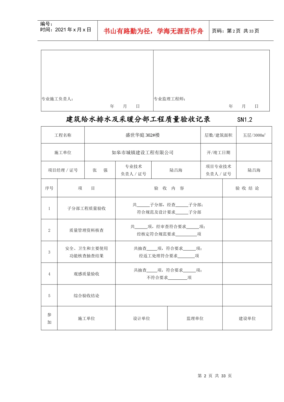
SN建筑给排水及采暖工程资料_第2页
2/33
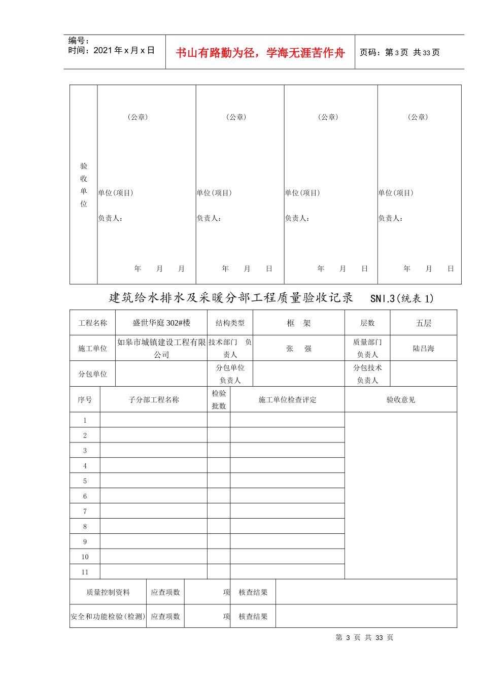
SN建筑给排水及采暖工程资料_第3页
3/33
第1页共33页编号:时间:2021年x月x日书山有路勤为径,学海无涯苦作舟页码:第1页共33页建筑给水排水及采暖工程施工现场质量管理记录SNl.1工程名称盛世华庭302#楼施工许可证号建设单位如皋市城镇建设开发有限公司项目负责人陆彦设计单位如皋市规划建筑设计院项目负责人于秀琴监理单位如皋市高达建设监理有限公司施工单位如皋市城镇建设工程有限公司主要工种姓名工种持证名称证号发证部门袁红军班组长现场管理制度质量检验制度施工图审查情况施工组织设计及方案审批人现场使用主要设备仪器、仪表名称型号规格单位数量说明第2页共33页第1页共33页编号:时间:2021年x月x日书山有路勤为径,学海无涯苦作舟页码:第2页共33页专业施工负责人:年月日专业监理工程师:年月日建筑给水排水及采暖分部工程质量验收记录SN1.2工程名称盛世华庭302#楼层数/建筑面积五层/3000m2施工单位如皋市城镇建设工程有限公司开/竣工日期项目经理/证号张强专业技术负责人/证号陆吕海项目专业技术负责人/证号陆吕海序号项目验收内容验收结论1子分部工程质量验收共子分部,经查子分部;符合规范及设计要求子分部2质量管理资料核查共项,经审查符合要求项;经核定符合规范要求项3安全、卫生和主要使用功能核查抽查结果共抽查项,符合要求项;经返工处理符合要求项4观感质量验收共抽查项,符合要求项;不符合要求项5综合验收结论参加施工单位设计单位监理单位建设单位第3页共33页第2页共33页编号:时间:2021年x月x日书山有路勤为径,学海无涯苦作舟页码:第3页共33页验收单位(公章)单位(项目)负责人:年月月(公章)单位(项目)负责人:年月日(公章)单位(项目)负责人:年月日(公章)单位(项目)负责人:年月日建筑给水排水及采暖分部工程质量验收记录SNl.3(统表1)工程名称盛世华庭302#楼结构类型框架层数五层施工单位如皋市城镇建设工程有限公司技术部门负责人张强质量部门负责人陆吕海分包单位分包单位负责人分包技术负责人序号子分部工程名称检验批数施工单位检查评定验收意见1234567891011质量控制资料应查项数项核查结果安全和功能检验(检测)应查项数项核查结果第4页共33页第3页共33页编号:时间:2021年x月x日书山有路勤为径,学海无涯苦作舟页码:第4页共33页报告观感质量验收应查项数项好:项一般:项差:项验收意见分包单位项目经理:年月日施工单位项目经理:年月日设计单位项目负责人:年月日监理(建设)单位总监理工程师建设单位项目专业负责人)年月日建筑给水排水及采暖分项工程质量验收记录SNl.4(统表2)工程名称盛世华庭302#楼结构类型砖混检验批数施工单位如皋市城镇建设工程有限公司项目经理张强技术负责人陆吕海分包单位分包单位负责人分包项目经理/证号/序号检验批部位、区段施工单位评定结果监理(建设)单位验收结论12345第5页共33页第4页共33页编号:时间:2021年x月x日书山有路勤为径,学海无涯苦作舟页码:第5页共33页678910111213检查结论项目专业技术负责人:年月日验收结论监理工程师:(建设单位项目专业技术负责人)年月日建筑给水排水及采暖工程质量控制资料核查记录SNl.5工程名称盛世华庭302#楼施工单位如皋市城镇建设工程有限公司序号资料名称份数核查意见检查人l图纸合审、设计变更、洽商记录2材料、配件出厂合格证书及进场检(试)验报告3管道、设备强度试验、严密性试验记录第6页共33页第5页共33页编号:时间:2021年x月x日书山有路勤为径,学海无涯苦作舟页码:第6页共33页4隐蔽工程验收记录5系统清洗、灌水、通水、通球试验记录6施工记录7分项分部工程质量验收记录核查意见:施工单位项目经理年月日验收结论:总监理工程师(建设单位项目负责人)年月日建筑给排水及采暖工程安全和功能检验资料核查及主要功能抽查记录SNl.6工程名称盛世华庭302#楼施工单位如皋市城镇建设工程有限公司序号安全和功能检查项目份数核查意见抽查结果检查(抽查)人1给水管道通水试验记录及冲洗、消毒检测记录2暖气管道、散热器压力试验记录3卫生器具通水试验,具有溢流功能的器具满水试验记录第7页共33页第6页共33页编号:时间:2021年x月x日书山有路勤为径,学海无涯苦作舟页码:第7页共33页4消防管道、燃...

1、当您付费下载文档后,您只拥有了使用权限,并不意味着购买了版权,文档只能用于自身使用,不得用于其他商业用途(如 [转卖]进行直接盈利或[编辑后售卖]进行间接盈利)。
2、本站所有内容均由合作方或网友上传,本站不对文档的完整性、权威性及其观点立场正确性做任何保证或承诺!文档内容仅供研究参考,付费前请自行鉴别。
3、如文档内容存在违规,或者侵犯商业秘密、侵犯著作权等,请点击“违规举报”。

碎片内容

SN建筑给排水及采暖工程资料

您可能关注的文档

确认删除?
VIP
微信客服
  • 扫码咨询
会员Q群
  • 会员专属群点击这里加入QQ群
客服邮箱
回到顶部