电脑桌面
添加小米粒文库到电脑桌面
安装后可以在桌面快捷访问

公路运输量专项调查表式(客车)VIP免费

公路运输量专项调查表式(客车)_第1页
1/43
公路运输量专项调查表式(客车)_第2页
2/43
公路运输量专项调查表式(客车)_第3页
3/43
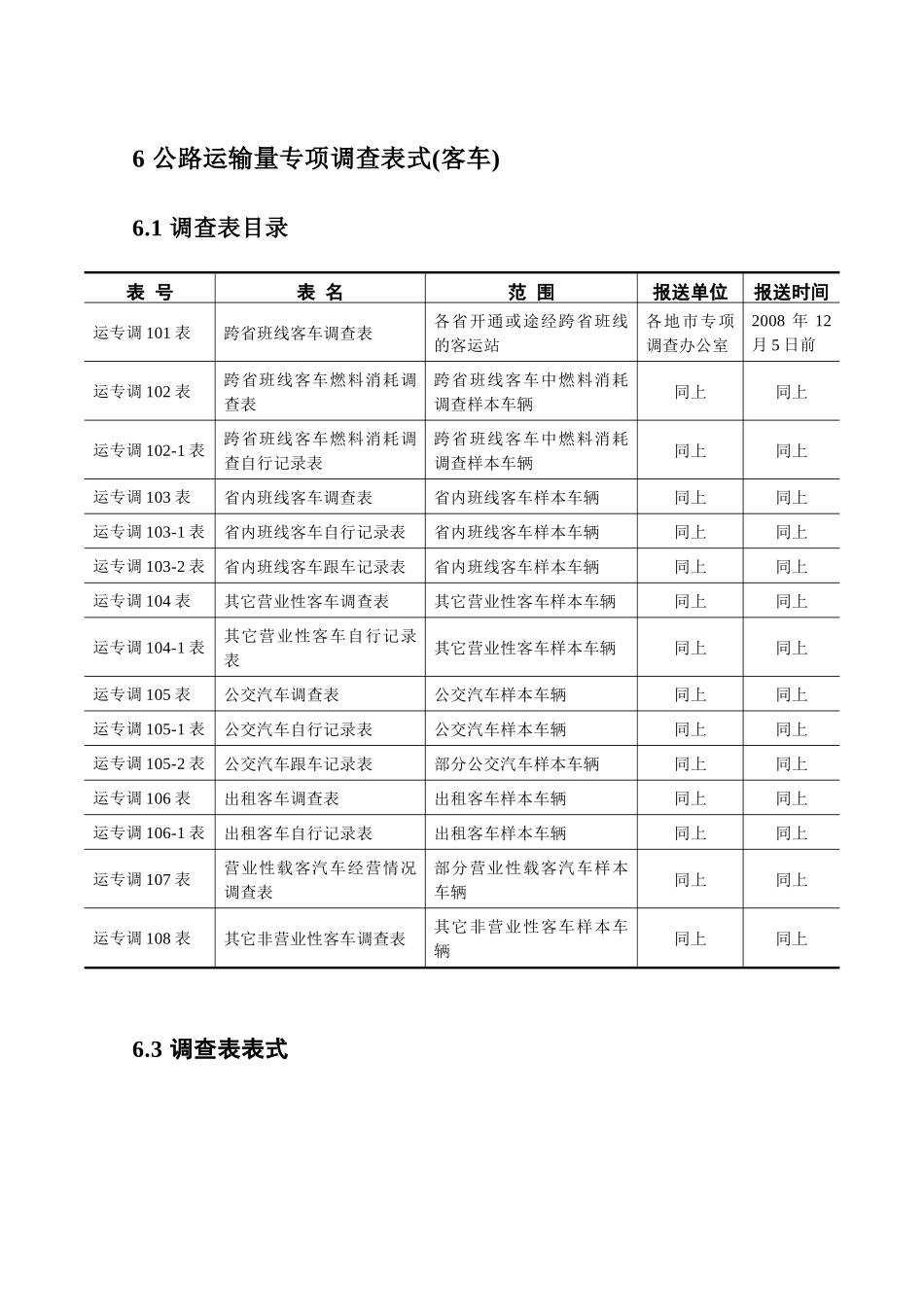
6公路运输量专项调查表式(客车)6.1调查表目录表号表名范围报送单位报送时间运专调101表跨省班线客车调查表各省开通或途经跨省班线的客运站各地市专项调查办公室2008年12月5日前运专调102表跨省班线客车燃料消耗调查表跨省班线客车中燃料消耗调查样本车辆同上同上运专调102-1表跨省班线客车燃料消耗调查自行记录表跨省班线客车中燃料消耗调查样本车辆同上同上运专调103表省内班线客车调查表省内班线客车样本车辆同上同上运专调103-1表省内班线客车自行记录表省内班线客车样本车辆同上同上运专调103-2表省内班线客车跟车记录表省内班线客车样本车辆同上同上运专调104表其它营业性客车调查表其它营业性客车样本车辆同上同上运专调104-1表其它营业性客车自行记录表其它营业性客车样本车辆同上同上运专调105表公交汽车调查表公交汽车样本车辆同上同上运专调105-1表公交汽车自行记录表公交汽车样本车辆同上同上运专调105-2表公交汽车跟车记录表部分公交汽车样本车辆同上同上运专调106表出租客车调查表出租客车样本车辆同上同上运专调106-1表出租客车自行记录表出租客车样本车辆同上同上运专调107表营业性载客汽车经营情况调查表部分营业性载客汽车样本车辆同上同上运专调108表其它非营业性客车调查表其它非营业性客车样本车辆同上同上6.3调查表表式全国公路水路运输量专项调查跨省班线客车调查表1.客运站基本信息客运站名称经营许可证编号负责人姓名联系电话客运站级别1.一级2.二级3.三级4.四级及以下跨省班线客车(辆)2.跨省班线客车售票信息序号车牌号码车籍地区划代码分类汇总售票信息起点站名起点区划代码终点站名终点区划代码起终站之间线路里程(公里)车辆售票数量(张)12345678910表号:运专调101表制表机关:交通部批准机关:国家统计局批准文号:国统函号有效期至:2008年月日客运站编码序号车牌号码车籍地区划代码分类汇总售票信息起点站名起点区划代码终点站名终点区划代码起终站之间线路里程(公里)车辆售票数量(张)1112131415填表说明:1.本表调查时间为2008年11月1日~11月30日。2.本调查表由开通或途经跨省班线的客运站负责填写。客运站根据调查期内本站所有的跨省班线客车售票记录,按车辆及其售票起终站分类汇总填写。3.客运站名称、经营许可证编号、客运站级别:分别按道路运政管理机构核发的《道路运输经营许可证》中的经营者名称、许可证编号、站场级别填写。由前期准备工作整理生成,可采用系统打印的方式。4.跨省班线客车:指调查期内在客运站出现售票记录的跨省班线客车的数量,包括本省车辆和外省车辆。5.车牌号码:指调查期内在客运站出现售票记录的跨省班线客车的车牌号码,包括本省车辆和外省车辆。6.车籍地区划代码:指跨省班线客车车籍地的行政区划代码,按国家统计局发布的最新县及县以上行政区划代码(截止到2007年12月31日)填写,下载网址http://www.stats.gov.cn/tjbz/。7.分类汇总售票信息:如果一辆跨省班线客车所出售的客票具有不同的起终站点,则需要按照不同的起点站和终点站进行分行填写。(1)起点站名:指跨省班线客车在客运站出售的客票所标注的起始站名称;(2)起点区划代码:指起始站所在县区的行政区划代码,同上;(3)终点站站名:指跨省班线客车在客运站出售的客票所标注的终点站名称;(4)终点区划代码:指终点站所在县区的行政区划代码,同上;(5)起终站之间线路里程:指起点站和终点站之间的客运线路里程;(6)车辆售票数量:指起点站和终点站之间的售票总数。填表人:审核人:填表日期:年月日电话:电话:(填报单位盖章)全国公路水路运输量专项调查跨省班线客车能耗调查表1.基本信息车牌号码车籍地省(区、市)地(市)县(区)核定载客位(客燃料类型1.汽油2.柴油3.天然气4.液化石油气9.其它发动机功率(千发动机排量车龄调查期内空调使用(1)0天(2)1~2天(3)3~4天(4)5~6天(5)7天及以上被访者姓名联系电话2.燃料消耗信息燃料消耗总量(升或m3)总行驶里程(公里)3.运输信息客运班次(班次)客运量(人)旅客周转量(人公里)4.经营信息6月营业收入(元)6月成本支出(元)燃油费过路过桥费维修费保险费日常...

1、当您付费下载文档后,您只拥有了使用权限,并不意味着购买了版权,文档只能用于自身使用,不得用于其他商业用途(如 [转卖]进行直接盈利或[编辑后售卖]进行间接盈利)。
2、本站所有内容均由合作方或网友上传,本站不对文档的完整性、权威性及其观点立场正确性做任何保证或承诺!文档内容仅供研究参考,付费前请自行鉴别。
3、如文档内容存在违规,或者侵犯商业秘密、侵犯著作权等,请点击“违规举报”。

碎片内容

公路运输量专项调查表式(客车)

教育教学文库+ 关注
实名认证
内容提供者

本店有大量的教育教学资料,课件

确认删除?
VIP
微信客服
  • 扫码咨询
会员Q群
  • 会员专属群点击这里加入QQ群
客服邮箱
回到顶部