电脑桌面
添加小米粒文库到电脑桌面
安装后可以在桌面快捷访问

【房地产精品文档】康桥别墅项目报告VIP免费

【房地产精品文档】康桥别墅项目报告_第1页
1/18
【房地产精品文档】康桥别墅项目报告_第2页
2/18
【房地产精品文档】康桥别墅项目报告_第3页
3/18
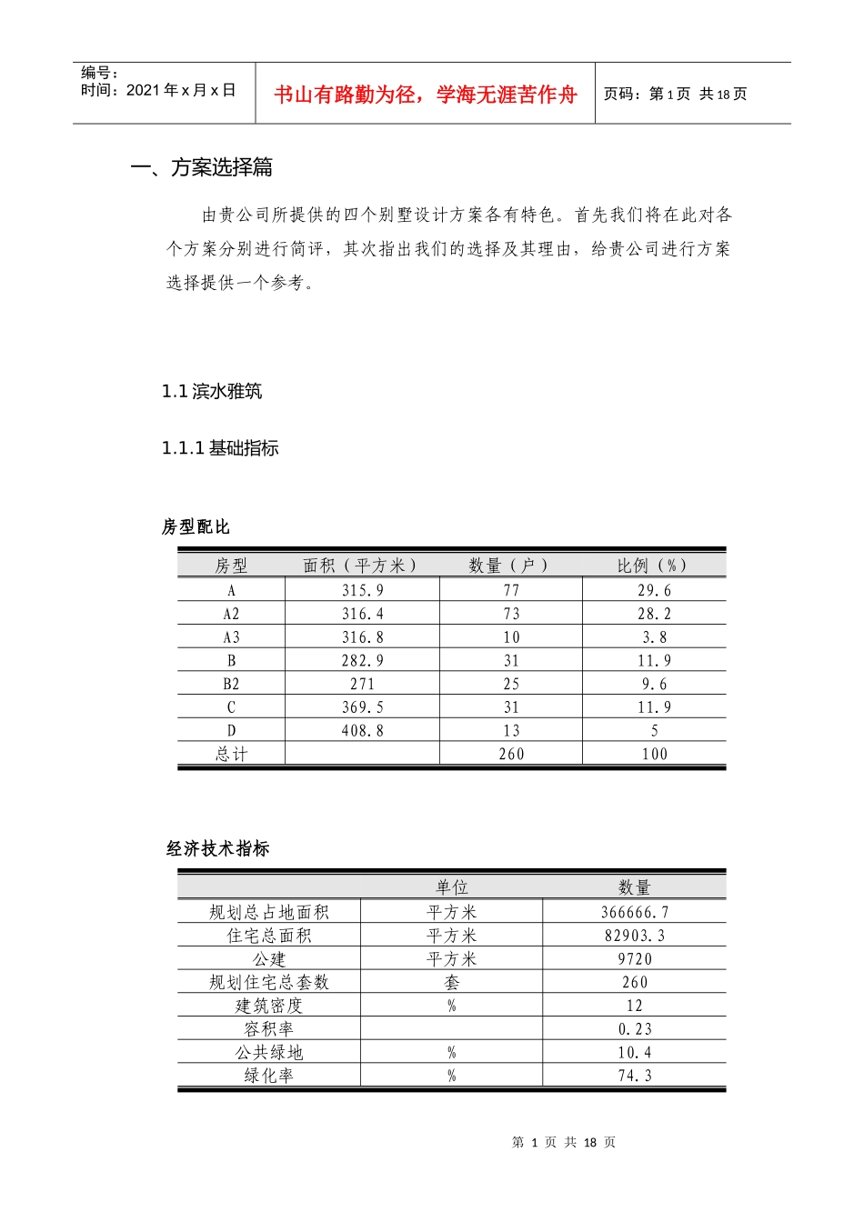
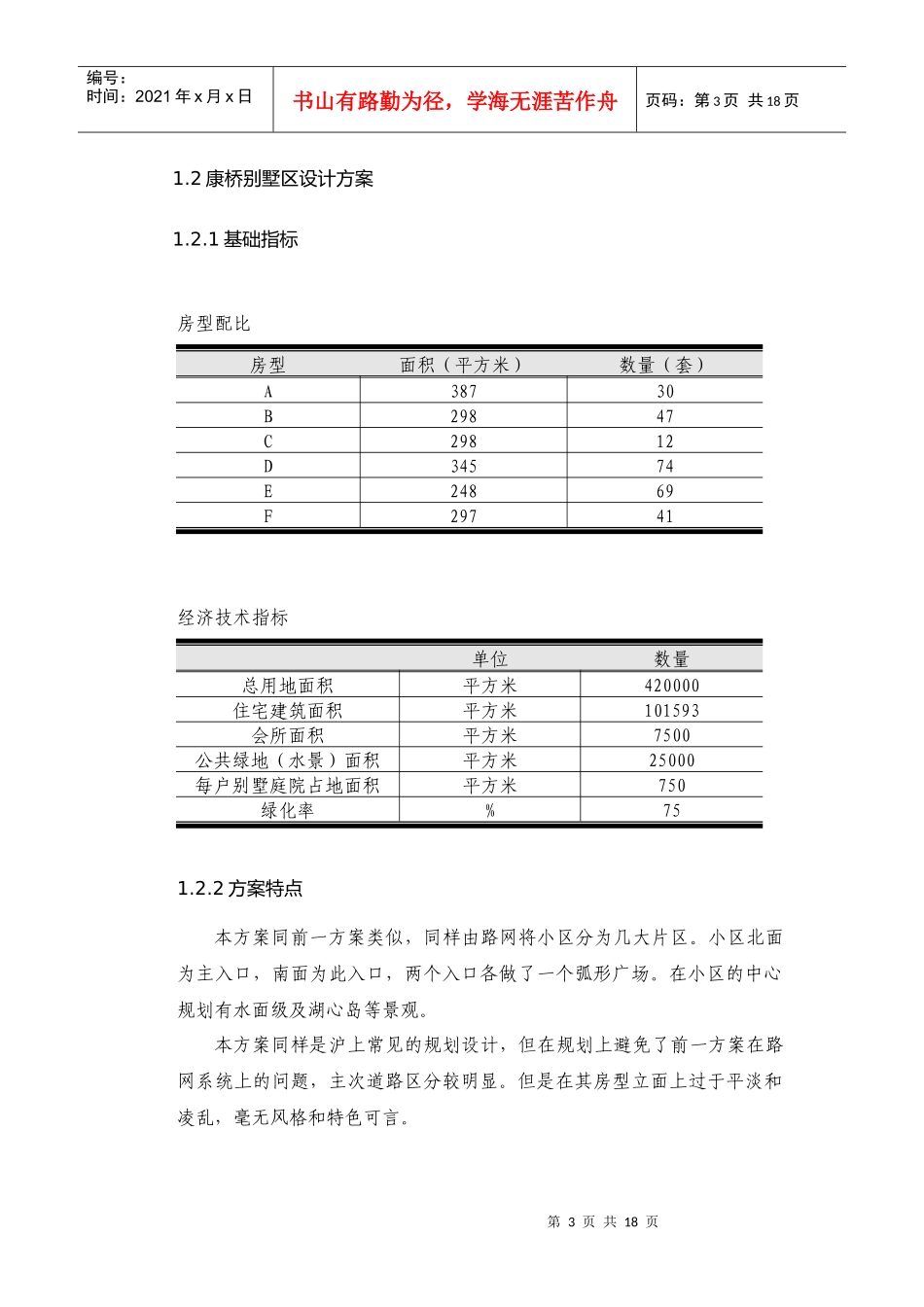
第1页共18页编号:时间:2021年x月x日书山有路勤为径,学海无涯苦作舟页码:第1页共18页一、方案选择篇由贵公司所提供的四个别墅设计方案各有特色。首先我们将在此对各个方案分别进行简评,其次指出我们的选择及其理由,给贵公司进行方案选择提供一个参考。1.1滨水雅筑1.1.1基础指标房型配比房型面积(平方米)数量(户)比例(%)A315.97729.6A2316.47328.2A3316.8103.8B282.93111.9B2271259.6C369.53111.9D408.8135总计260100经济技术指标单位数量规划总占地面积平方米366666.7住宅总面积平方米82903.3公建平方米9720规划住宅总套数套260建筑密度%12容积率0.23公共绿地%10.4绿化率%74.3第2页共18页第1页共18页编号:时间:2021年x月x日书山有路勤为径,学海无涯苦作舟页码:第2页共18页1.1.2方案特点此方案有一个形象的比喻:“一个中心,三个果子,几片叶子。”整个地块由道路分割成几个大的片区,每个片区又有小的组团。地块正北面为主入口,主入口正对中心湖面形成一个大的景观。小区东侧为车行入口,南侧为人行入口。此方案的在设计上的特点是小区内分区组团明显。小区内建筑为欧美风格,其前院小后院大的设计符合欧美人士的生活习惯。小区规划在上是沪上比较常见的设计,未找到特别有创意的亮点。此方案最大的问题出在其路网上。小区内路网的定位比较困难,而且主次道路的区分不明显,在使用上有可能会使人产生混乱。第3页共18页第2页共18页编号:时间:2021年x月x日书山有路勤为径,学海无涯苦作舟页码:第3页共18页1.2康桥别墅区设计方案1.2.1基础指标房型配比房型面积(平方米)数量(套)A38730B29847C29812D34574E24869F29741经济技术指标单位数量总用地面积平方米420000住宅建筑面积平方米101593会所面积平方米7500公共绿地(水景)面积平方米25000每户别墅庭院占地面积平方米750绿化率%751.2.2方案特点本方案同前一方案类似,同样由路网将小区分为几大片区。小区北面为主入口,南面为此入口,两个入口各做了一个弧形广场。在小区的中心规划有水面级及湖心岛等景观。本方案同样是沪上常见的规划设计,但在规划上避免了前一方案在路网系统上的问题,主次道路区分较明显。但是在其房型立面上过于平淡和凌乱,毫无风格和特色可言。第4页共18页第3页共18页编号:时间:2021年x月x日书山有路勤为径,学海无涯苦作舟页码:第4页共18页1.3上海康桥正阳别墅规划设计1.3.1基础指标房型配比房型面积(平方米)户数(套)比例(%)A20011030B2509125C3009125D3503610E4003610合计364100经济技术指标单位数量总用地面积平方米421376别墅面积平方米99050公建面积平方米16500容积率%28绿化率%47.2集中绿化率%17.31.3.2方案特点本方案的设计可以说是四个方案中最抢眼的。其放射状的规划使小区形似一个“太阳”。环行主干道及其他放射状道路将小区分为了几个片区。小区中央和四角作景观设计,水系呈带状由小区内穿过。小区内规划住宅呈放射性分布,使整个小区产生一种向心的感觉。南面为主出入口,其他三面设计有次出入口。尽管本方案在设计上比较抢眼,但是问题却很突出。首先呈放射状布局的住宅有一种强烈的向心感,这与别墅所倡导的个性化生活相悖。其次,第5页共18页第4页共18页编号:时间:2021年x月x日书山有路勤为径,学海无涯苦作舟页码:第5页共18页太阳形的布局使得各个别墅之间除了位置不同外的差异被消除,使别墅这种住宅中的顶级产品量产化。。1.4康桥别墅本方案是由设计中科大研究生院的SAA/CMP公司设计。由于是同一家设计公司,因此在设计上将别墅小区与中科大研究生院作了整体规划,这也使得小区与研究生院在建筑风格上比较的和谐一致。此方案在小区中心规划有大面积的湖面,这比较符合目前上海的流行设计。在南侧和东侧各有一个车行入口,入口处水道与道路平行的设计较有特点,可以产生很好的视觉效果。整个小区的布局尽管在局部上有所变化,但是总体仍是兵营式的布局。特别是在小区的西北角有两条排列密集的别墅带,使整个布局变得很局促,不符合别墅小区舒适化生活的要求。小区的道路系统比较清楚,但是别墅的朝向上有较大的问题,有大量的别墅是东西向的,这和上...

1、当您付费下载文档后,您只拥有了使用权限,并不意味着购买了版权,文档只能用于自身使用,不得用于其他商业用途(如 [转卖]进行直接盈利或[编辑后售卖]进行间接盈利)。
2、本站所有内容均由合作方或网友上传,本站不对文档的完整性、权威性及其观点立场正确性做任何保证或承诺!文档内容仅供研究参考,付费前请自行鉴别。
3、如文档内容存在违规,或者侵犯商业秘密、侵犯著作权等,请点击“违规举报”。

碎片内容

【房地产精品文档】康桥别墅项目报告

确认删除?
VIP
微信客服
  • 扫码咨询
会员Q群
  • 会员专属群点击这里加入QQ群
客服邮箱
回到顶部