电脑桌面
添加小米粒文库到电脑桌面
安装后可以在桌面快捷访问

常用工程材料见证取样和送检的有关规定VIP免费

常用工程材料见证取样和送检的有关规定_第1页
1/36
常用工程材料见证取样和送检的有关规定_第2页
2/36
常用工程材料见证取样和送检的有关规定_第3页
3/36
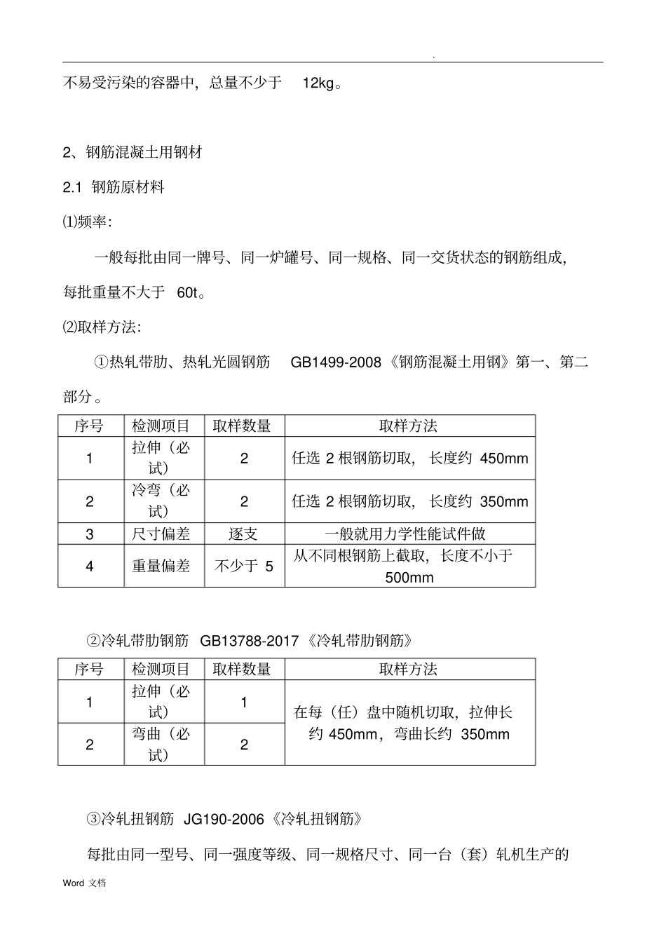
.Word文档常用工程材料见证取样和送检的有关交底.Word文档《关于工程见证取样和送检的有关规定》下列试块、试件和材料必须实施见证取样和试验1、用于承重结构的混凝土试块;2、用于承重墙体的砌筑砂浆试件;3、用于承重结构的钢筋及连接接头试件;4、用于承重墙的砖和混凝土小型砌块;5、用于拌制混凝土和砌筑砂浆的水泥;6、用于承重结构的混凝土中使用的参合剂;7、地下、屋面、厕浴间使用的防水材料;8、国家规定必须实行见证取样和送检的其他试块、试件和材料。现场原材料见证取样相关规定1、水泥GB50204-2015《混凝土结构工程质量验收规范》GB175-2007《通用硅酸盐水泥》⑴检测参数:强度、凝结时间、安定性、细度(选择性指标)⑵频率:按同一生产厂家、同期出厂、同一等级、同一品种、同一批号且连续进场的水泥,袋装不超过200t为一批,散装不超过500t为一批,每批抽样不少于一次。当在使用中对水泥质量有怀疑或水泥出厂超过三个月(快硬硅酸盐水泥超过一个月)时,应进行复验,并按复验结果使用。⑶取样方法:可连续取,亦可从20个以上不同部位取等量样品,采用取样管,插入水泥适当深度,用大拇指按住气孔,小心抽出取样管,将所取样品放入洁净、干燥、.Word文档不易受污染的容器中,总量不少于12kg。2、钢筋混凝土用钢材2.1钢筋原材料⑴频率:一般每批由同一牌号、同一炉罐号、同一规格、同一交货状态的钢筋组成,每批重量不大于60t。⑵取样方法:①热轧带肋、热轧光圆钢筋GB1499-2008《钢筋混凝土用钢》第一、第二部分。序号检测项目取样数量取样方法1拉伸(必试)2任选2根钢筋切取,长度约450mm2冷弯(必试)2任选2根钢筋切取,长度约350mm3尺寸偏差逐支一般就用力学性能试件做4重量偏差不少于5从不同根钢筋上截取,长度不小于500mm②冷轧带肋钢筋GB13788-2017《冷轧带肋钢筋》序号检测项目取样数量取样方法1拉伸(必试)1在每(任)盘中随机切取,拉伸长约450mm,弯曲长约350mm2弯曲(必试)2③冷轧扭钢筋JG190-2006《冷轧扭钢筋》每批由同一型号、同一强度等级、同一规格尺寸、同一台(套)轧机生产的.Word文档钢筋组成,且每批不大于20t。序号检测项目取样数量取样方法1拉伸2随机抽取,每根钢筋只能截取1根拉伸,1根弯曲试样。先去掉钢筋端部500mm后,再截取试样。试样长度:取偶数倍节距,且不应小于4倍节距,同时不小于500mm。2冷弯12.2钢筋焊接JGJ18-2012《钢筋焊接及验收规程》2.2.1闪光对焊⑴频率:同一台班内由同一焊工完成的300个同级别、同直径钢筋焊接接头为一批,当同一台班内焊接的接头数量较少,可在一周内累计计算,如累计仍不足300个接头,也应按一批计算。⑵取样方法:每批随机抽取3个长约450mm接头做拉伸,抽取3个长约350mm接头做冷弯。2.2.2电弧焊、电渣压力焊、气压焊、⑴频率:在一般构筑物中,以300个同牌钢筋、同型式接头作为一批,在现浇钢筋混凝土结构中,在同一楼层中300个同牌号、同型式接头作为一批,不足300个接头,按一批计算。⑵取样方法:①电弧焊:每批随机抽取3个长约450mm的接头做拉伸②电渣压力焊:每批随机抽取3个长约450mm的接头做拉伸.Word文档③气压焊:在柱、墙竖向钢筋连接及梁、板水平钢筋连接中,随机抽取3个接头做拉伸,在梁、板水平钢筋连接中,随机抽取3个接头做冷弯。2.2.3预埋件钢筋T型接头⑴频率:以300件同类型预埋件为一批,一周内连续焊接时可累计计算。⑵取样方法:每批接头随机抽取3个做拉伸试验,试件的钢筋长度大于等于200mm,钢板长度和宽度均应大于等于60mm。2.3钢筋机械连接GJ107-2016《钢筋机械连接通用技术规程》⑴频率:工艺检验:钢筋连接工程开始前及施工过程中,应对每批进场钢筋进行接头工艺检验现场检验:同一施工条件下采用同一批材料的同等级、同型式、同规格接头,以500个为一批⑵取样方法:工艺检验:每种规格钢筋接头的试件不应少于3个,钢筋母材抗拉强度试件不应少于3根,且应取自接头试件的同一根钢筋。现场检验:在工程结构中随机截取3个接头做拉伸试件。2.4钢筋焊接骨架及焊接网⑴频率:钢筋牌号、直径及尺寸相同的焊接骨架和焊接网应视为同一类型制品,且每300件作为一批,一周内不足30...

1、当您付费下载文档后,您只拥有了使用权限,并不意味着购买了版权,文档只能用于自身使用,不得用于其他商业用途(如 [转卖]进行直接盈利或[编辑后售卖]进行间接盈利)。
2、本站所有内容均由合作方或网友上传,本站不对文档的完整性、权威性及其观点立场正确性做任何保证或承诺!文档内容仅供研究参考,付费前请自行鉴别。
3、如文档内容存在违规,或者侵犯商业秘密、侵犯著作权等,请点击“违规举报”。

碎片内容

常用工程材料见证取样和送检的有关规定

确认删除?
VIP
微信客服
  • 扫码咨询
会员Q群
  • 会员专属群点击这里加入QQ群
客服邮箱
回到顶部