电脑桌面
添加小米粒文库到电脑桌面
安装后可以在桌面快捷访问

外观质量评定知识讲解VIP免费

外观质量评定知识讲解_第1页
1/8
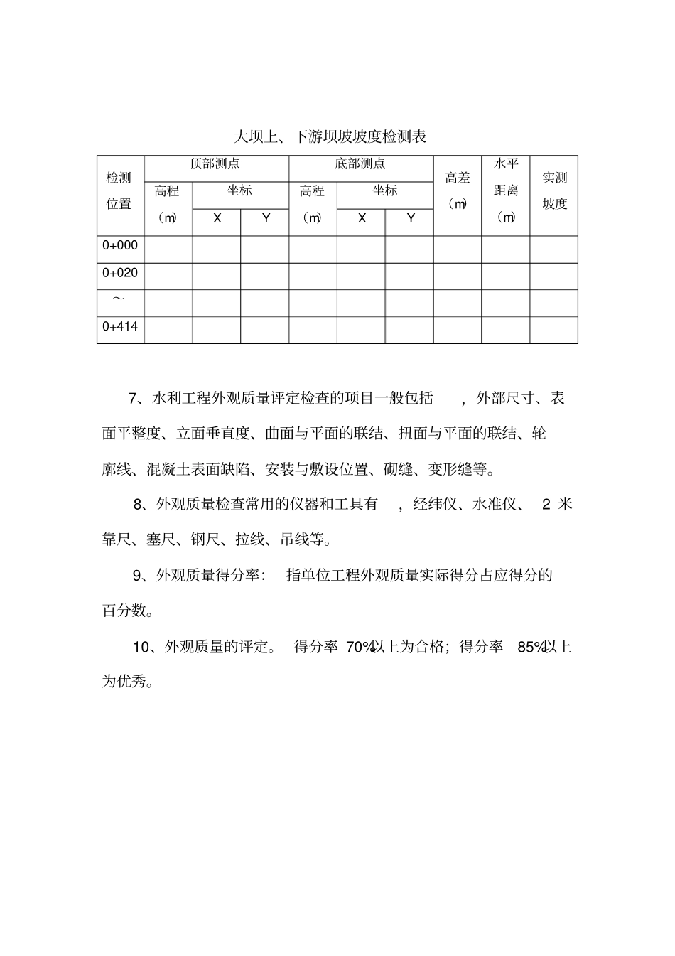
外观质量评定知识讲解_第2页
2/8
外观质量评定知识讲解_第3页
3/8
外观质量评定1、外观质量:通过检查和必要的量测所反映的工程外表质量。2、外观质量评定标准:是指针对建筑物的外部、金属结构表面及附属构筑物、设备与线路管道的安装、敷设等给定的测量或观察的偏差值或特性,以判定其合格与否和等级的标准。3、水利水电工程的外观质量评定包括,水工建筑物、堤防工程、引水(渠道)工程、引水(渠道)建筑物工程、房屋建筑安装工程。4、外观质量评定的组织。外观质量的评定工作是在单位工程完工后,由项目法人组织、监理、设计、施工及工程运行管理等单位组成外观质量评定组,现场进行工程外观质量检验评定,并将评定结论报工程质量监督机构核定。5、外观质量评定的人员组成及资格要求。评定组人数应不少于5人,大型工程不宜少于7人。项目法人、监理、设计各派1~2人;施工及工程运行管理单位各派1人。如为分包工程,总承包单位与分包单位各派1人。参加工程外观质量评定的人员应具有工程师以上技术职称或相应职业资格。6、外观质量评定方案。由项目法人组织监理、设计、施工及管理运行等单位,为进行外观质量评定而编制的技术文件。包括对外观质量评定表中评定项目及标准分的确定,对评定项目测量或观察的部位、方法、标准、数量等。实例1:某工程水工建筑物外观质量评定方案大坝高程检测表检测位置坝顶高程防浪墙高程马道高程实测(m)设计(m)偏差(㎝)实测(m)实测(m)偏差(㎝)实测(m)实测(m)偏差(㎝)0+0000+0200+040~0+414溢洪道平整度及垂直度检测表溢流堰段平整度部位一号孔二号孔三号孔Y0+053Y0+057Y0+061Y0+065泄槽段挡土墙及泄槽底版部位左侧挡土墙右侧挡土墙泄槽段挡平整度垂直度平整度垂直度平整度Y0+070Y0+075Y0+080~Y0+124.086大坝上、下游坝坡坡度检测表检测位置顶部测点底部测点高差(m)水平距离(m)实测坡度高程(m)坐标高程(m)坐标XYXY0+0000+020~0+4147、水利工程外观质量评定检查的项目一般包括,外部尺寸、表面平整度、立面垂直度、曲面与平面的联结、扭面与平面的联结、轮廓线、混凝土表面缺陷、安装与敷设位置、砌缝、变形缝等。8、外观质量检查常用的仪器和工具有,经纬仪、水准仪、2米靠尺、塞尺、钢尺、拉线、吊线等。9、外观质量得分率:指单位工程外观质量实际得分占应得分的百分数。10、外观质量的评定。得分率70%以上为合格;得分率85%以上为优秀。实例2:水工建筑物外观质量评定单位工程名称施工单位主要工程量评定日期年月日项次项目标准分(分)评定得分(分)备注一级100%二级90%三级70%四级01建筑物外部尺寸122轮廓线103表面平整度104立面垂直度105大角方正56曲面与平面联结97扭面与平面联结98马道及排水沟3(4)9梯步2(3)10栏杆2(3)11扶梯212闸坝灯饰213混凝土表面缺陷情况1014表面钢筋割除2(4)15砌体勾缝宽度均匀、平整416竖、横缝平直417浆砌卵石露头情况818变形缝3(4)19启闭平台梁、柱、排架520建筑物表面1021升压变电工程围墙(栏栅)、杆、架、塔、柱522水工金属结构外表面6(7)23电站盘柜724电缆线路敷设4(5)25电站油气、水、管路3(4)26厂区道路及排水沟427厂区绿化8合计应得分,实得分,得分率%外观质量评定组成员单位单位名称职称签名项目法人监理设计施工运行管理工程质量监督机构核定意见:核定人:(签名)加盖公章年月日注:量大时,标准分采用括号内数值。注:⑴检查项目中6、7、12、17、18、20~27由工程外观质量评定组根据现场检查结果共同讨论决定其质量等级。⑵外观质量评定表由工程组根据现场检查、检测结果填写。实例3:堤防工程外观质量评定单位工程名称施工单位主要工程量评定日期年月日项次项目标准分(分)评定得分备注一级100%二级90%三级100%四级100%1外部尺寸302轮廓线103表面平整度104曲面与平面联结55排水56上堤马道37堤顶附属设施58防汛备料堆放59草皮810植树811砌体排列512砌缝10合计应得分,实得分,得分率%外观质量评定组成员单位单位名称职称签名项目法人监理设计施工运行管理工程质量监督机构核定意见:核定人:(签名)加盖公章年月日11、外观质量评定注意(说明)的几个问题⑴项目法人应在主体工程开工初期,组织监理、设计、施工...

1、当您付费下载文档后,您只拥有了使用权限,并不意味着购买了版权,文档只能用于自身使用,不得用于其他商业用途(如 [转卖]进行直接盈利或[编辑后售卖]进行间接盈利)。
2、本站所有内容均由合作方或网友上传,本站不对文档的完整性、权威性及其观点立场正确性做任何保证或承诺!文档内容仅供研究参考,付费前请自行鉴别。
3、如文档内容存在违规,或者侵犯商业秘密、侵犯著作权等,请点击“违规举报”。

碎片内容

外观质量评定知识讲解

爱的疯狂+ 关注
实名认证
内容提供者

该用户很懒,什么也没介绍

相关文档

确认删除?
VIP
微信客服
  • 扫码咨询
会员Q群
  • 会员专属群点击这里加入QQ群
客服邮箱
回到顶部