电脑桌面
添加小米粒文库到电脑桌面
安装后可以在桌面快捷访问

高中化学 第一章 第二节物质的量教案 新人教版必修1VIP免费

高中化学 第一章 第二节物质的量教案 新人教版必修1_第1页
1/5
高中化学 第一章 第二节物质的量教案 新人教版必修1_第2页
2/5
高中化学 第一章 第二节物质的量教案 新人教版必修1_第3页
3/5
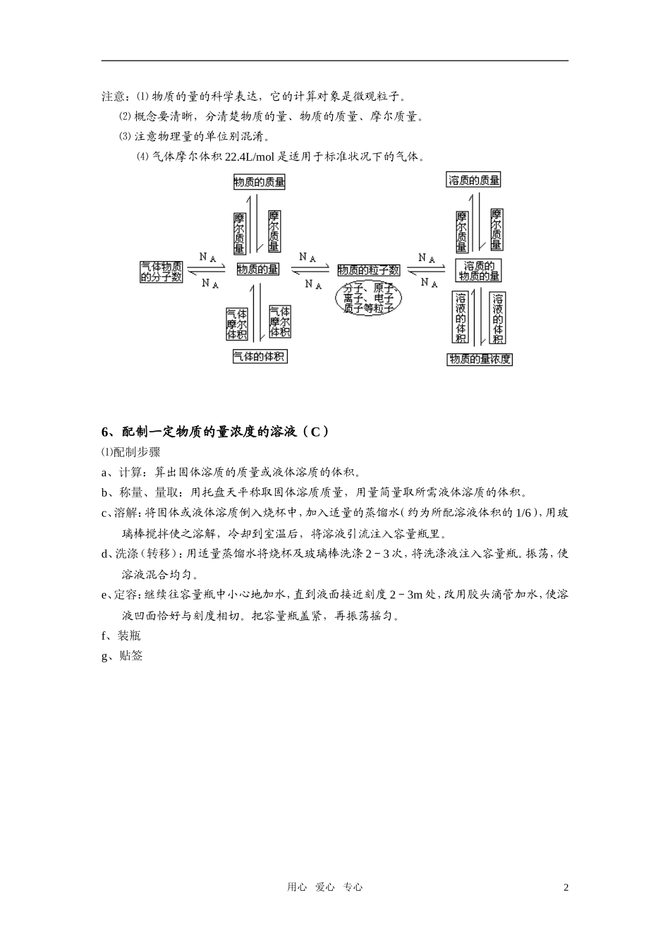
第一章第二节物质的量教学目的2:1.巩固学习物质的量的相关知识,强化训练。2.重点学习配制一定物质的量浓度的溶液。教学课时:1.5课时知识体系25、物质的量、气体摩尔体积和物质的量浓度⑴物质的量(n)的单位是摩尔(mol)。把含有阿伏加德罗常数(约6.02×1023)个粒子的集体定义为1摩尔(1mol)。①阿伏加德罗常数(NA)与物质的量(n)的关系:※N==n·NA(N:微粒数)②摩尔质量(M)与物质的量(n)的关系:※m==n·M(m:物质的质量)⑵气体摩尔体积(Vm):单位物质的量的任何气体在相同条件下占有的体积。单位是L/mol。①单位物质的量的任何气体在相同条件下占有的体积相等。推论1在标况下,任何气体1mol所占有的体积相等,约为22.4L。推论2在相同条件下,任何等物质的量的气体所占有的体积相等,但不一定是22.4L。②气体摩尔体积(Vm)与物质的量(n)的关系:※V==n·Vm(V:气体的体积)⑶阿伏加德罗定律及应用①定义:在同温同压下,同体积的任何气体都含有相同数目的分子,这就是阿伏加德罗定律。②阿伏加德罗定律的应用同温同压下,任何气体的体积比等于气体的物质的量之比,即V1/V2==n1/n2同温、定容时,任何气体的压强比等于气体的物质的量之比,即P1/P2==n1/n2同温同压下,任何气体的密度比等于它们的相对分子质量之比,即ρ1/ρ2==M1/M2同温同压下,任何气体的质量比等于它们的相对分子质量之倒数比,即m1/m2=M1/M2同温、同压下,等质量的任何气体的体积比等于等于它们的相对分子质量之倒数比:V1/V2=M2/M1⑷物质的量浓度(c)即※cB==nB/V用心爱心专心1注意:⑴物质的量的科学表达,它的计算对象是微观粒子。⑵概念要清晰,分清楚物质的量、物质的质量、摩尔质量。⑶注意物理量的单位别混淆。⑷气体摩尔体积22.4L/mol是适用于标准状况下的气体。6、配制一定物质的量浓度的溶液(C)⑴配制步骤a、计算:算出固体溶质的质量或液体溶质的体积。b、称量、量取:用托盘天平称取固体溶质质量,用量简量取所需液体溶质的体积。c、溶解:将固体或液体溶质倒入烧杯中,加入适量的蒸馏水(约为所配溶液体积的1/6),用玻璃棒搅拌使之溶解,冷却到室温后,将溶液引流注入容量瓶里。d、洗涤(转移):用适量蒸馏水将烧杯及玻璃棒洗涤2-3次,将洗涤液注入容量瓶。振荡,使溶液混合均匀。e、定容:继续往容量瓶中小心地加水,直到液面接近刻度2-3m处,改用胶头滴管加水,使溶液凹面恰好与刻度相切。把容量瓶盖紧,再振荡摇匀。f、装瓶g、贴签用心爱心专心2①称量②溶解③转移④洗涤转移⑤定容⑥摇匀⑵误差分析能引起误差的一些操作因变量c(mol/L)m(溶质)V(溶液)托盘天平1.天平的砝码沾有其他物质或已生锈增大——偏大2.调整天平零点时,游码放在刻度线的右端减小——偏小3.药品、砝码左右位置颠倒减小——偏小4.称量易潮解的物质(如NaOH)时间过长减小——偏小5.用滤纸称易潮解的物质(如NaOH)减小——偏小6.溶质含有其他杂质减小——偏小量筒7.用量筒量取液体(溶质)时,仰视读数增大——偏大8.用量筒量取液体(溶质)时,俯视读数减小——偏小烧杯及玻璃棒9.溶解前烧杯内有水————无影响10.搅拌时部分液体溅出减小——偏小11.移液后未洗烧杯和玻璃棒减小——偏小容量12.为冷却到室温就注入容量瓶定容——减小偏大13.向容量瓶转移溶液时有少量液体流出减小——偏小14.定容时,水加多了,用滴管吸出减小——偏小15.定容后,经振荡、摇匀、静置,液面下降再加水——增大偏小16.定容时,仰视读刻度数——减小偏大17.定容时,俯视读刻度数——增大偏小用心爱心专心3瓶18.配好的溶液装入干净的试剂瓶时,不慎溅出部分溶液————无影响还有其他的影响因素,请大家自行总结。7.溶液的稀释:溶质在稀释前后其物质的量不变。c1V1=c2V2(c1、c2为稀释前后的摩尔浓度,V1、V2为稀释前后溶液的体积)[基础达标2]1.NA为阿伏加德罗常数,下列正确的是A.80g硝铵含有氮原子数为2NAB.1L1mol·L-1的盐酸溶液中,所含氯化氢分子数为NAC.标准状况下,11.2L四氯化碳所含分子数为0.5NAD.在铁与氯气的反应中,1mol铁失去的电子数为2NA2.关于2mol二氧化碳的叙述中,正确的是A....

1、当您付费下载文档后,您只拥有了使用权限,并不意味着购买了版权,文档只能用于自身使用,不得用于其他商业用途(如 [转卖]进行直接盈利或[编辑后售卖]进行间接盈利)。
2、本站所有内容均由合作方或网友上传,本站不对文档的完整性、权威性及其观点立场正确性做任何保证或承诺!文档内容仅供研究参考,付费前请自行鉴别。
3、如文档内容存在违规,或者侵犯商业秘密、侵犯著作权等,请点击“违规举报”。

碎片内容

高中化学 第一章 第二节物质的量教案 新人教版必修1

您可能关注的文档

雨丝书吧+ 关注
实名认证
内容提供者

乐于和他人分享知识,从事历史教学,热爱教育,高度负责。

确认删除?
VIP
微信客服
  • 扫码咨询
会员Q群
  • 会员专属群点击这里加入QQ群
客服邮箱
回到顶部