电脑桌面
添加小米粒文库到电脑桌面
安装后可以在桌面快捷访问

北京市通信公司综合业务楼工程大体积砼施工组织设计方案(DOC11页)VIP免费

北京市通信公司综合业务楼工程大体积砼施工组织设计方案(DOC11页)_第1页
1/12
北京市通信公司综合业务楼工程大体积砼施工组织设计方案(DOC11页)_第2页
2/12
北京市通信公司综合业务楼工程大体积砼施工组织设计方案(DOC11页)_第3页
3/12
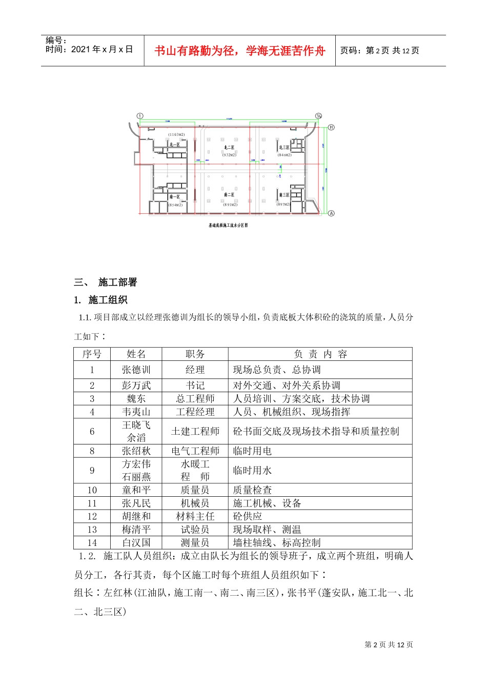
第1页共12页编号:时间:2021年x月x日书山有路勤为径,学海无涯苦作舟页码:第1页共12页大体积混凝土施工方案一、编制依据1.《北京市通信公司综合业务楼》施工组织设计2.北京东方筑中建设规划设计有限公司设计的《北京市通信公司综合业务楼》施工图纸3.《地基与基础工程施工质量验收规范》(GBJ202)4.《地下室防水工程施工质量验收规范》(GB50208)5.《混凝土结构工程施工质量验收规范》(GB50204)6.《混凝土质量控制标准》(GB50164)二、工程概况北京市通信公司综合业务楼工程拟建建筑物包括两栋分别为8层及15层的高层办公楼、中庭、报告厅及地下室,总建筑面积约6万平米。地下室共三层,主要为车库、设备用房、库房、变配电室、柴油发电机室,约1.8万平米;地上建筑总高度60米,主要为办公室、餐厅、多功能厅、会议室等,约4.2万米。拟建建筑物±0.00标高为48.00m,采用筏板基础,基础埋深17.85m。底板长度为110米,宽度为60米;底板厚度为1.3米、1.0米。东西及南北方向均设有后浇带,将底板分成6个施工区。底板混凝土强度等级为C40,抗渗等级为P12。分区详见下图。第2页共12页编号:时间:2021年x月x日书山有路勤为径,学海无涯苦作舟页码:第2页共12页三、施工部署1.施工组织1.1.项目部成立以经理张德训为组长的领导小组,负责底板大体积砼的浇筑的质量,人员分工如下∶序号姓名职务负责内容1张德训经理现场总负责、总协调2彭万武书记对外交通、对外关系协调3魏东总工程师人员培训、方案交底,技术协调4韦夷山工程经理人员、机械组织、现场指挥6王晓飞余滔土建工程师砼书面交底及现场技术指导和质量控制8张绍秋电气工程师临时用电9方宏伟石丽燕水暖工程师临时用水10童和平质量员质量检查11张凡民机械员施工机械、设备12胡继和材料主任砼供应13梅清平试验员现场取样、测温14白汉国测量员墙柱轴线、标高控制1.2.施工队人员组织:成立由队长为组长的领导班子,成立两个班组,明确人员分工,各行其责,每个区施工时每个班组人员组织如下∶组长∶左红林(江油队,施工南一、南二、南三区),张书平(蓬安队,施工北一、北二、北三区)第3页共12页编号:时间:2021年x月x日书山有路勤为径,学海无涯苦作舟页码:第3页共12页交通指挥2人,记录2人,振捣手12人,后台放料4人,布料、拆管10人,抹压、摊平12人,看模2人,调钢筋2人,临水2人,临电2人。1.3.施工顺序根据现场实际情况,底板分6个区浇筑,施工顺序为南一区→北一区→南二区→北二区→南三区→北三区,每个区施工时先浇筑集水坑部位,然后浇筑底板最后浇筑外墙300mm高的导墙。1.4.施工计划安排底板砼浇筑安排在10月中旬至11月中旬之间进行,预计最大一个区连续浇筑砼需14h,选在周末开盘,对砼的运输较有利。2.施工准备2.1.技术准备2.1.1.项目部会同搅拌站一起提前选定外加剂,做好试配,同时搅拌站提前三天做好原材料的储备。2.1.2.支设好后浇带处的模板,并做好防水处理。2.1.3.测温仪器采用北京建筑研究院生产的JDC-2测温仪器,提前购置。2.1.4.对参加底板砼施工的管理人员及操作人员进行培训,明确施工方法及施工程序。2.1.5.注意天气预报,避开大雨浇筑砼。2.2.生产准备2.2.1.临时用水∶砼罐车冲洗后的废水先流经沉淀池,再进入市政管网;养护用水利用已沿塔吊接至地下四层的DN25的用水管,用橡皮管将水引至用水点。2.2.2.临时用电∶2台砼输送泵电源分别由4#箱和6#箱提供,12根振捣棒分接2台移动配电箱,接04-01#箱,振捣器备用电源由发电机引至基坑专用配电箱,如停电时,2台移动箱接发动机专用配电箱,为确保安全,振捣器实行一机一闸一漏,其漏电电流不大于30mA,动作时间不大于0.1秒。2.2.3.施工机械∶根据现场情况,所需机械如下表∶序号机械名称数量备注1罐车(7m3)15辆2HBT80拖式泵2台实际使用2台拖式泵,汽车泵备用342m汽车泵1辆第4页共12页编号:时间:2021年x月x日书山有路勤为径,学海无涯苦作舟页码:第4页共12页4φ50振捣棒20根8根备用5发电机组1台停电时备用四、主要施工方法及技术措施1.主要施工方法1.1.预拌砼的供应及质量要求由于砼方量一般,故选定由一个一级站供应砼,但要严格控制原材料及配合比,...

1、当您付费下载文档后,您只拥有了使用权限,并不意味着购买了版权,文档只能用于自身使用,不得用于其他商业用途(如 [转卖]进行直接盈利或[编辑后售卖]进行间接盈利)。
2、本站所有内容均由合作方或网友上传,本站不对文档的完整性、权威性及其观点立场正确性做任何保证或承诺!文档内容仅供研究参考,付费前请自行鉴别。
3、如文档内容存在违规,或者侵犯商业秘密、侵犯著作权等,请点击“违规举报”。

碎片内容

北京市通信公司综合业务楼工程大体积砼施工组织设计方案(DOC11页)

精品中小学资料+ 关注
实名认证
内容提供者

精品文档

确认删除?
VIP
微信客服
  • 扫码咨询
会员Q群
  • 会员专属群点击这里加入QQ群
客服邮箱
回到顶部