电脑桌面
添加小米粒文库到电脑桌面
安装后可以在桌面快捷访问

高中化学 第1章 第2节 课时2 元素周期表教案 鲁科版必修2-鲁科版高一必修2化学教案VIP免费

高中化学 第1章 第2节 课时2 元素周期表教案 鲁科版必修2-鲁科版高一必修2化学教案_第1页
1/8
高中化学 第1章 第2节 课时2 元素周期表教案 鲁科版必修2-鲁科版高一必修2化学教案_第2页
2/8
高中化学 第1章 第2节 课时2 元素周期表教案 鲁科版必修2-鲁科版高一必修2化学教案_第3页
3/8
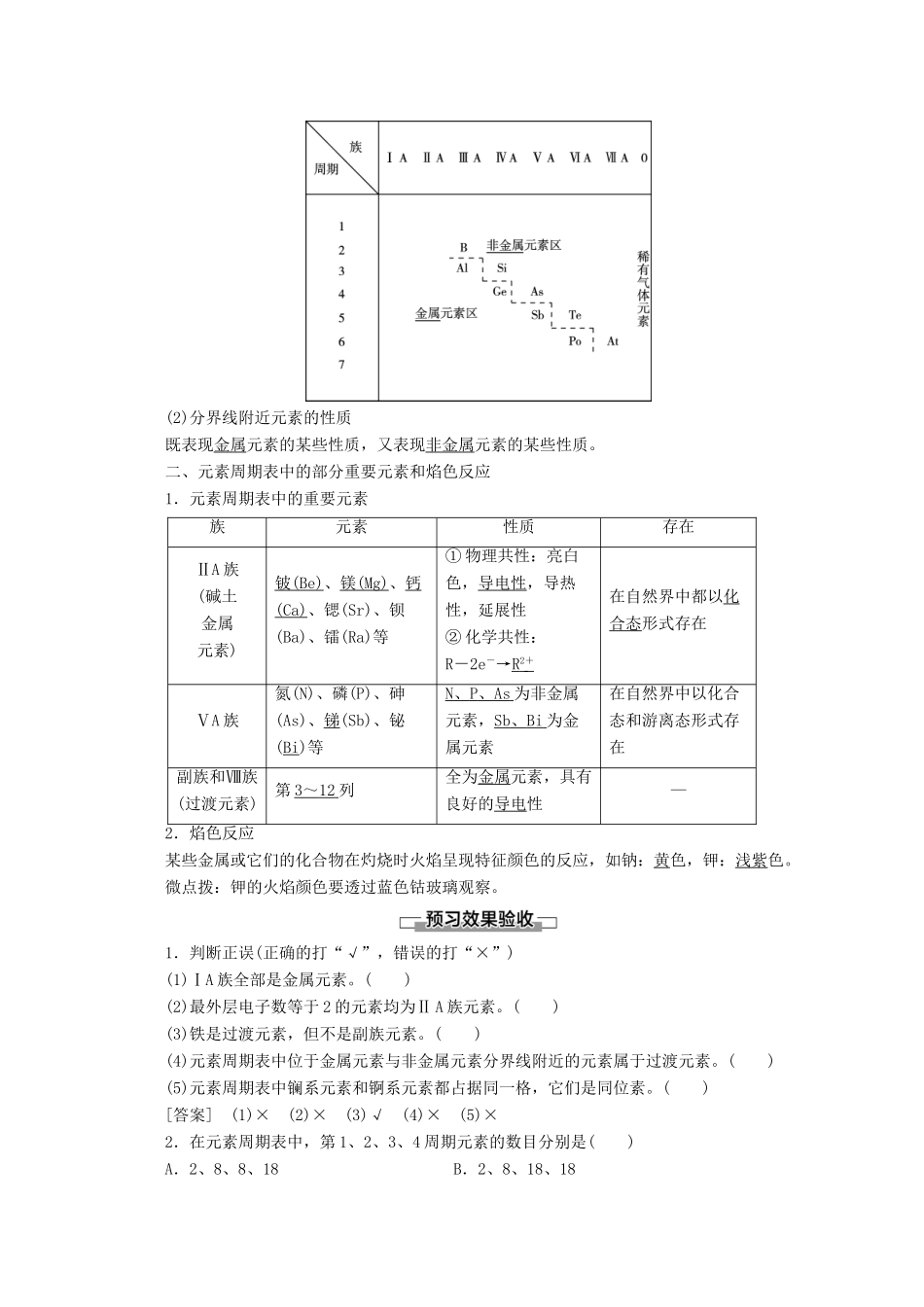
课时2元素周期表目标与素养:1.了解元素周期表的结构以及周期、族等的概念,理解原子结构与元素在周期表中位置的关系。(宏观辨识与微观探析)2.了解ⅡA族、ⅤA族和过渡元素的某些性质和用途。(证据推理与模型认知)一、元素周期表1.元素周期表与元素周期律的关系元素周期表是元素周期律的具体表现形式。2.元素周期表与元素信息3.元素周期表的编排原则4.元素周期表的结构(1)周期(7个横行,7个周期)短周期长周期序号1234567元素种数288181832-0族元素原子序数21018365486-(2)族(18个纵列,16个族)主族列121314151617族ⅠAⅡAⅢAⅣAⅤAⅥAⅦA副族列345671112族ⅢBⅣBⅤBⅥBⅦBⅠBⅡBⅧ族第8、9、10列,共3个纵列0族第18纵列5.分区(1)元素周期表中金属与非金属的分区(2)分界线附近元素的性质既表现金属元素的某些性质,又表现非金属元素的某些性质。二、元素周期表中的部分重要元素和焰色反应1.元素周期表中的重要元素族元素性质存在ⅡA族(碱土金属元素)铍(Be)、镁(Mg)、钙(Ca)、锶(Sr)、钡(Ba)、镭(Ra)等①物理共性:亮白色,导电性,导热性,延展性②化学共性:R-2e-→R2+在自然界中都以化合态形式存在ⅤA族氮(N)、磷(P)、砷(As)、锑(Sb)、铋(Bi)等N、P、As为非金属元素,Sb、Bi为金属元素在自然界中以化合态和游离态形式存在副族和Ⅷ族(过渡元素)第3~12列全为金属元素,具有良好的导电性—2.焰色反应某些金属或它们的化合物在灼烧时火焰呈现特征颜色的反应,如钠:黄色,钾:浅紫色。微点拨:钾的火焰颜色要透过蓝色钴玻璃观察。1.判断正误(正确的打“√”,错误的打“×”)(1)ⅠA族全部是金属元素。()(2)最外层电子数等于2的元素均为ⅡA族元素。()(3)铁是过渡元素,但不是副族元素。()(4)元素周期表中位于金属元素与非金属元素分界线附近的元素属于过渡元素。()(5)元素周期表中镧系元素和锕系元素都占据同一格,它们是同位素。()[答案](1)×(2)×(3)√(4)×(5)×2.在元素周期表中,第1、2、3、4周期元素的数目分别是()A.2、8、8、18B.2、8、18、18C.2、18、18、18D.2、8、18、32A[元素周期表中,1至6周期元素数目分别为2、8、8、18、18、32。]3.关于元素周期表的说法正确的是()A.元素周期表有7个周期,8个主族B.元素周期表有18个纵列,共16个族C.短周期元素中可能有副族元素D.最外层电子数相同的元素一定在同一族B[元素周期表中有7个主族,A错;短周期为1、2、3周期,不包含副族元素,C错;He和Mg最外层电子数都是2,但不在同一主族,D错。]元素周期表的结构1.元素周期表的结构“七横(行)十八纵(列)”。2.横行叫周期,现有一至七,三长三个短,第7尚不满。3.纵列称作族,共有十六族,一纵一个族,Ⅷ族搞特殊,三列算一族,占去8、9、10。4.主族序数=最外层电子数=最高正价(O、F除外),周期序数=电子层数。【典例1】结合元素周期表回答下列问题:(1)表中的实线是元素周期表的部分边界,请在图中用实线补全元素周期表的边界。(2)表中所列元素中,属于短周期元素的有________________(填元素符号,下同),属于主族元素的有________________;g元素位于第________周期________族;i元素位于第________周期________族。3元素f是第周期族元素,请在右边方框中按氦元素的式样写出该元素的原子序数、元素符号、元素名称、相对原子质量。[解析]元素周期表共有7个横行,即7个周期,其中1、2、3周期称为短周期。周期表共有18个纵列,16个族,从左到右依次为ⅠA、ⅡA、ⅢB、ⅣB、ⅤB、ⅥB、ⅦB、Ⅷ、ⅠB、ⅡB、ⅢA、ⅣA、ⅤA、ⅥA、ⅦA和0族。周期表中每一个方格代表一种元素,方格左上方是元素的原子序数,右上方为该元素的元素符号,下方为该元素的相对原子质量。[答案](1)(2)H、C、Na、Mg、Al、S、ArH、C、Na、Mg、Al、S304ⅡB(3)3ⅥA1.若把元素周期表的主副族及族号取消,由左至右改为18列。如碱金属元素为第1列,稀有气体元素为第18列。按此规定,下列说法错误的是()A.只有第2列元素的原子最外层有2个电子B.第14列元素形成的化合物种类最多C.第3列元素种类最多D.第16、17列元素不都是非金属元素A[解决本题的关键在于熟记元素周期表的结构。第2列元...

1、当您付费下载文档后,您只拥有了使用权限,并不意味着购买了版权,文档只能用于自身使用,不得用于其他商业用途(如 [转卖]进行直接盈利或[编辑后售卖]进行间接盈利)。
2、本站所有内容均由合作方或网友上传,本站不对文档的完整性、权威性及其观点立场正确性做任何保证或承诺!文档内容仅供研究参考,付费前请自行鉴别。
3、如文档内容存在违规,或者侵犯商业秘密、侵犯著作权等,请点击“违规举报”。

碎片内容

高中化学 第1章 第2节 课时2 元素周期表教案 鲁科版必修2-鲁科版高一必修2化学教案

雨丝书吧+ 关注
实名认证
内容提供者

乐于和他人分享知识,从事历史教学,热爱教育,高度负责。

确认删除?
VIP
微信客服
  • 扫码咨询
会员Q群
  • 会员专属群点击这里加入QQ群
客服邮箱
回到顶部