电脑桌面
添加小米粒文库到电脑桌面
安装后可以在桌面快捷访问

铅酸蓄电池的基本定义VIP免费

铅酸蓄电池的基本定义_第1页
1/36
铅酸蓄电池的基本定义_第2页
2/36
铅酸蓄电池的基本定义_第3页
3/36
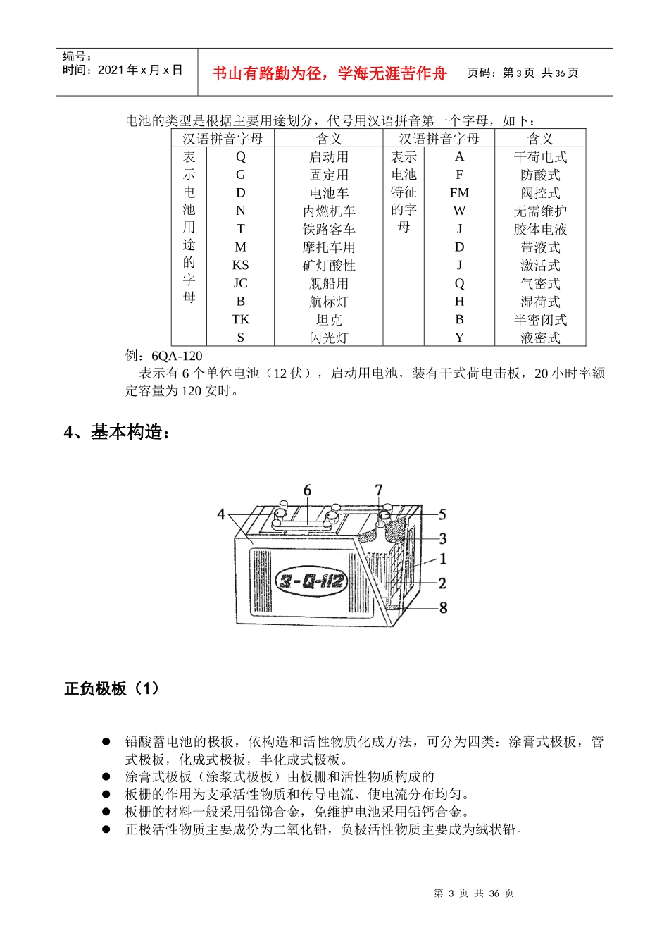
第1页共36页编号:时间:2021年x月x日书山有路勤为径,学海无涯苦作舟页码:第1页共36页第一章铅酸蓄电池的定义、结构及反应原理一、蓄电池基念知识:1、基本定义电能可由多种形式的能量变化得来,其中把化学能转换成电能的装置叫化学电池,一般简称为电池,电池有原电池和蓄电池之分。放电后不能用充电的方式使内部活性物质再生的叫原电池,也称一次性电池。放电后可以用充电的方式使内部活性物质再生,把电能储存为化学能,需要放电时再次把化学能转换为电能的电池,叫蓄电池,也称二次电池。2、常用技术术语充电:蓄电池从其他直流电源获得电能叫做充电。放电:蓄电池对外电路输出电能时叫做放电。浮充放电:蓄电池和其他直流电源并联,对外电路输出电能叫做浮充放电。有不间断供电要求的设备,起备用电源作用的蓄电池都处于该种放电状态。电动势:外电路断开,即没有电流通过电池时在正负极间量得的电位差,叫电池的电动式。端电压:电路闭合后电池正负极间的电位差叫做电池的电压或端电压安时容量:电池的容量单位为安时,即:电池容量Q(安时)=I放×t放I放为放电电流(安)t放为放电时间(小时)电量效率(安时效率):输出电量与输入电量之间的比叫做电池的电量效率,也叫作安时效率。电量效率(%)=(Q放÷Q充)×100%=(I放×t放)÷(I充×I充)×100%Q放和Q充分别是放电和充电容量(安时自由放电:由于电池的局部作用造成的电池容量的消耗。容量损失搁置之前的容量之比,叫做蓄电池的自由放电率自由放电率(%)=(Q1-Q2)÷Q1×100%Q1为搁置前放电容量(安时)第2页共36页第1页共36页编号:时间:2021年x月x日书山有路勤为径,学海无涯苦作舟页码:第2页共36页Q2为搁置后放电容量(安时)使用寿命:蓄电池每充电、放电一次,叫做一次充放电循环,蓄电池在保持输出一定容量的情况下所能进行的充放电循环次数,叫做蓄电池的使用寿命。二、铅酸蓄电池1、定义铅酸蓄电池是是蓄电池的一种,主要特点是采用稀硫酸做电解液,用二氧化铅和绒状铅分别做为电池的正极和负极的一种酸性蓄电池。2、分类:按蓄电池极板结构分类:有形成式、涂膏式和管式蓄电池。按蓄电池盖和结构分类:有开口式、排气式、防酸隔爆式和密封阀控式蓄电池。按蓄电池维护方式分类:有普通式、少维护式、免维护式蓄电池。按我国有关标准规定主要蓄电池系列产品有:起动型蓄电池(Q):主要用于汽车、拖拉机、柴油机船舶等起动和照明。固定型防酸式蓄电池(GF):主要用于通讯、发电厂、计算机系统作为保护、自动控制的备用电源。牵引型蓄电池(D):主要用于各种蓄电池车、叉车、铲车等动力电源。铁路客车用蓄电池(T):主要用于铁路客车照明和车上电器设备。内燃机车用蓄电池(N):主要供内燃机车启动和照明用。摩托车蓄电池(M):主要用于各种规格摩托车起动和照明。航空用电池(HK):用于飞机启动、照明、通信。潜艇用电池(JC):用于潜艇水下航行的动力、照明、电器设备。坦克用电池(TK):用于坦克的启动、用电设备、照明。矿灯用电池(K):供井下矿工安全帽上的矿灯照明。航标用电池(B):航道夜间航标照明。其他用途电池:大小容量不一,放电率多样,如摄像机、闪光灯、应急灯、风力发电电能储存等。3、产品型号含义:根据JB2599-85部颁标准,我国铅酸电池型号分为三段,其安排和含义如下:串联的单体电池数—电池的类型和特征—额定容量当电池数为1时,称为单体电池,第一段可以省略。第3页共36页第2页共36页编号:时间:2021年x月x日书山有路勤为径,学海无涯苦作舟页码:第3页共36页电池的类型是根据主要用途划分,代号用汉语拼音第一个字母,如下:汉语拼音字母含义汉语拼音字母含义表示电池用途的字母Q启动用表示电池特征的字母A干荷电式G固定用F防酸式D电池车FM阀控式N内燃机车W无需维护T铁路客车J胶体电液M摩托车用D带液式KS矿灯酸性J激活式JC舰船用Q气密式B航标灯H湿荷式TK坦克B半密闭式S闪光灯Y液密式例:6QA-120表示有6个单体电池(12伏),启动用电池,装有干式荷电击板,20小时率额定容量为120安时。4、基本构造:...

1、当您付费下载文档后,您只拥有了使用权限,并不意味着购买了版权,文档只能用于自身使用,不得用于其他商业用途(如 [转卖]进行直接盈利或[编辑后售卖]进行间接盈利)。
2、本站所有内容均由合作方或网友上传,本站不对文档的完整性、权威性及其观点立场正确性做任何保证或承诺!文档内容仅供研究参考,付费前请自行鉴别。
3、如文档内容存在违规,或者侵犯商业秘密、侵犯著作权等,请点击“违规举报”。

碎片内容

铅酸蓄电池的基本定义

您可能关注的文档

确认删除?
VIP
微信客服
  • 扫码咨询
会员Q群
  • 会员专属群点击这里加入QQ群
客服邮箱
回到顶部