电脑桌面
添加小米粒文库到电脑桌面
安装后可以在桌面快捷访问

穿越高速公路顶管专项施工方案VIP免费

穿越高速公路顶管专项施工方案_第1页
1/15
穿越高速公路顶管专项施工方案_第2页
2/15
穿越高速公路顶管专项施工方案_第3页
3/15
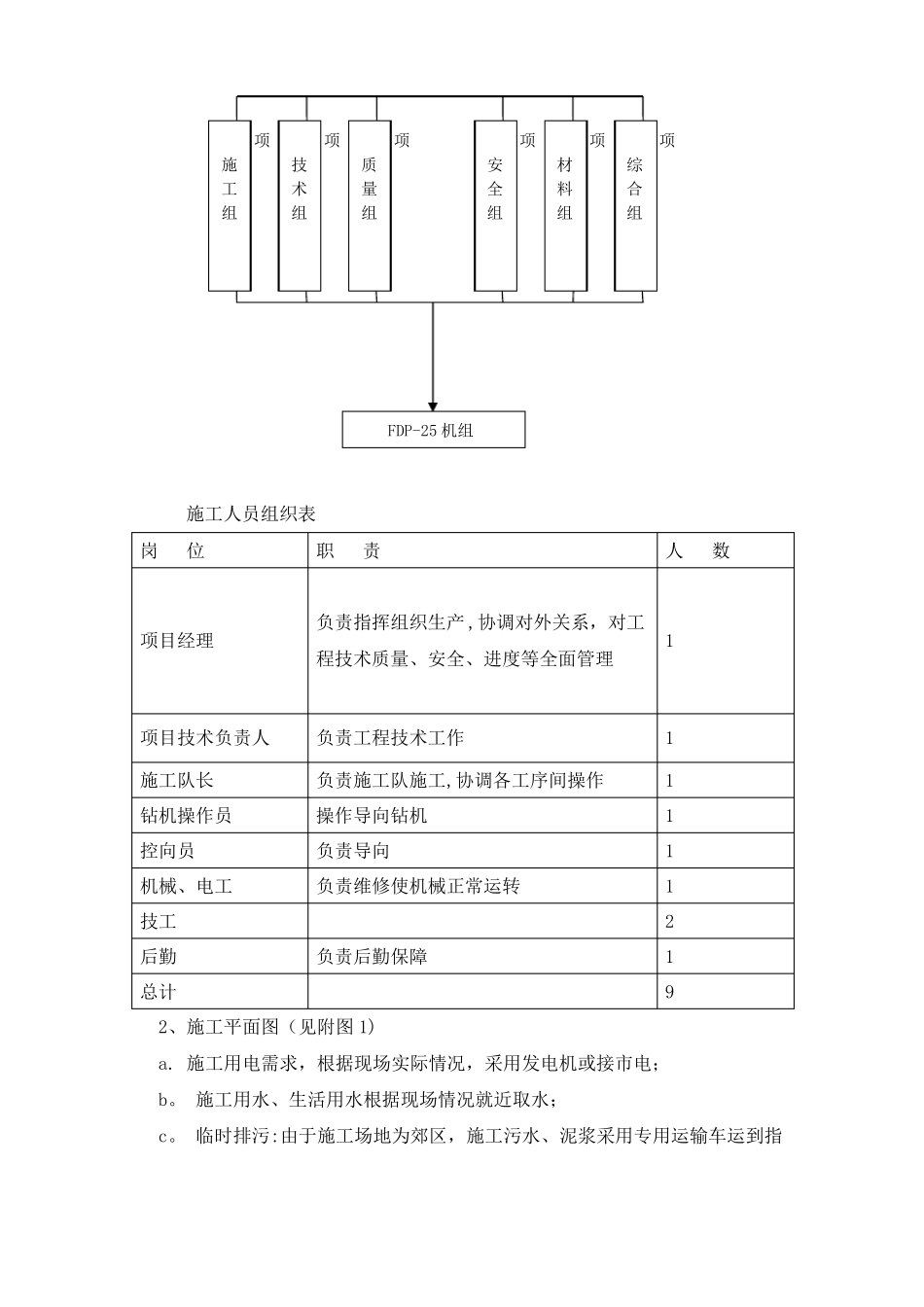
目录一、编制依据...........................................1二、工程概况...........................................1三、工作内容及范围......................................1四、主要施工准备........................................1五、施工步骤方法........................................4六、技术措施............................................8七、施工质量保证措施....................................9八、安全技术措施.......................................10九、环境保护措施及文明施工.............................11十、应急方案...........................................12十一、安全评估分析.....................................14附:顶管平面图及剖面图一、编制依据1.XX(电缆电气)设计图纸;2.XX(电缆土建)设计图纸;3.国家现行有关电力法律法规;4。《建筑施工安全检查标准》;5。顶管施工规范、施工技术规程、质量评定标准与验收办法;6.国家电网公司有关文明施工安全标准化现场管理规定;7.国家电网公司IS09002质量手册、程序控制文件及作业指导书;8.《城市电力电缆线路设计技术规定》DL/T5221—2005;9。《城市工程管线综合规划规范》GB50289-98。二、工程概况本工程为XX线路工程,建设单位是XX,设计单位是XX,监理单位是XX,施工单位是XX。其施工路径由XX至XX,线路路径总长度XX米,路径坐标点XX路段需穿过XX高速公路XX处。根据设计要求,线路通过XX高速,考虑安全因素,决定采用顶管穿越高速公路的方法敷设电缆,顶管采用4*MPP—D200*15管、1*MPP—D110*11管,穿越跨度约为140米,深度为12米。三、工作内容及范围工作地段为XX高速公路XX两侧30米以外建立工作井,并进行顶管施工。顶管为电力电缆线路保护管,在穿越路段管上距公路砼基12米,管材选用MPP管,管径MPP—D200、MPP-D110,顶管长度约为140m。主要工作量:MPP-D200×4+MPP—D110×1孔每孔长约140m工作井:5.66m×1.25m×1。60m一座接收井:4.617m×1.25m×1。60m一座计划工期,从进场日期起30个工日。四、主要施工准备1、施工组织与管理根据本工程的实际情况,我公司成立定向钻穿越施工项目部,负责该工程的施工作业。工程项目管理组织及岗位责任框图项目经理施工人员组织表岗位职责人数FDP-25机组项施工组技术组项质量组项安全组项材料组项综合组项项目经理负责指挥组织生产,协调对外关系,对工程技术质量、安全、进度等全面管理1项目技术负责人施工队长钻机操作员控向员机械、电工技工后勤总计负责工程技术工作负责施工队施工,协调各工序间操作操作导向钻机负责导向负责维修使机械正常运转负责后勤保障111112192、施工平面图(见附图1)a.施工用电需求,根据现场实际情况,采用发电机或接市电;b。施工用水、生活用水根据现场情况就近取水;c。临时排污:由于施工场地为郊区,施工污水、泥浆采用专用运输车运到指定地点排放.3、材料准备本工程采用定向钻方式铺管,由于水平定向钻铺管工程为连续施工,工程开工前,管材、焊材、各种材料提前到场。4、设备准备本项目顶管施工采用连云港黄海机械厂生产的FDP-25型水平定向钻机。该设备质量可靠,自动化程度高,操作方便。准备了美国DCI公司生产的月蚀无线控向仪。钻机及主要配套机具见下表:序号123456789名称水平定向钻机无线控向仪挖机吊车平板车电焊机发电机污水泵对讲机规格型号FDP-25SWPC-120QY8HQG5250TPBBX1YTSY—YT1800DCPW型TF—682型AL-32XDJJ2—2数量11111111511单位台套台台台台台台部套套备注连云港黄海机械厂美国DCI公司10水准仪11经纬仪五、施工步骤方法1、施工流程施工前报审XX高速公路管理中心2、主要施工工序(1)测量定位放线根据施工图要求的管道轴线放出钻机安装位置线、管道两端的具体轴线位置及标高;在路面上放出轴线及标高,设计详细的导向数据。a。根据施工图要求的入土点、出土点放出钻机的安装位置线、入土点、出土点的具体位置及表高;在入土点、出土点间轴线上每搁10m放出桩位及标高。b。放线入土点、出土点位置左右偏差不超过20mm,沿管线轴方向误差不超过40mm,并做出明显标记.从出土点到回...

1、当您付费下载文档后,您只拥有了使用权限,并不意味着购买了版权,文档只能用于自身使用,不得用于其他商业用途(如 [转卖]进行直接盈利或[编辑后售卖]进行间接盈利)。
2、本站所有内容均由合作方或网友上传,本站不对文档的完整性、权威性及其观点立场正确性做任何保证或承诺!文档内容仅供研究参考,付费前请自行鉴别。
3、如文档内容存在违规,或者侵犯商业秘密、侵犯著作权等,请点击“违规举报”。

碎片内容

穿越高速公路顶管专项施工方案

您可能关注的文档

确认删除?
VIP
微信客服
  • 扫码咨询
会员Q群
  • 会员专属群点击这里加入QQ群
客服邮箱
回到顶部