电脑桌面
添加小米粒文库到电脑桌面
安装后可以在桌面快捷访问

气门摇臂轴支座的机械加工工序卡片VIP免费

气门摇臂轴支座的机械加工工序卡片_第1页
1/13
气门摇臂轴支座的机械加工工序卡片_第2页
2/13
气门摇臂轴支座的机械加工工序卡片_第3页
3/13
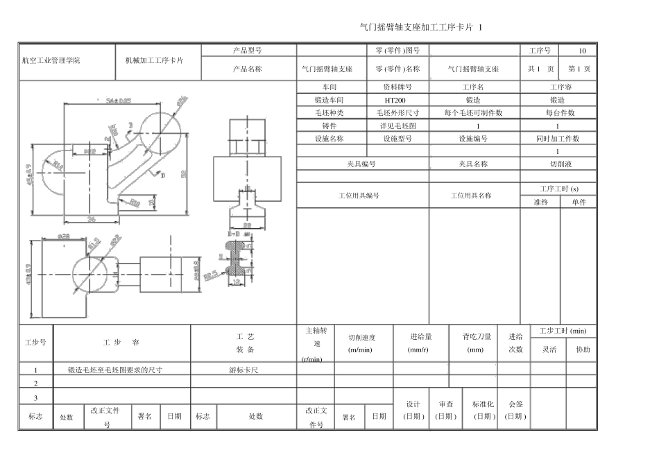
气门摇臂轴支座加工工序卡片1产品型号机械加工工序卡片产品名称零(零件)图号气门摇臂轴支座车间锻造车间毛坯种类铸件设施名称零(零件)名称资料牌号HT200毛坯外形尺寸详见毛坯图设施型号工序号气门摇臂轴支座工序名锻造每个毛坯可制件数1设施编号10航空工业管理学院共1页第1页工序容锻造每台件数11同时加工件数夹具编号夹具名称切削液工序工时(s)准终单件工位用具编号工位用具名称工步号工步容工艺装备游标卡尺主轴转速切削速度进给量(mm/r)背吃刀量(mm)进给次数工步工时(min)(m/min)灵活协助(r/min)123锻造毛坯至毛坯图要求的尺寸标志处数改正文件号署名日期标志处数改正文件号设计日期(日期)审查(日期)标准化(日期)会签(日期)署名气门摇臂轴支座加工工序卡片2航空工业管理学院机械加工工序卡片产品型号产品名称零(零件)图号气门摇臂轴支座车间热办理车间毛坯种类铸件设施名称零(零件)名称资料牌号HT200毛坯外形尺寸详见毛坯图设施型号工序号气门摇臂轴支座工序名热办理每个毛坯可制件数1设施编号共1页30第1页工序容热办理每台件数11同时加工件数夹具编号夹具名称切削液工位用具编号工位用具名称工序工时(s)准终单件工步号工步容工艺主轴转速切削速度(m/min)进给量(mm/r)背吃刀量(mm)进给次数工步工时(min)装备游标卡尺灵活协助(r/min)123锻造毛坯至毛坯图要求的尺寸设计审查标准化会签标志处数改正文件号署名日期标志处数改正文件号署名日期(日期)(日期)(日期)(日期)气门摇臂轴支座加工工序卡片3航空工业管理学院机械加工工序卡片产品型号产品名称零(零件)图号气门摇臂轴支座车间铣削车间毛坯种类铸件设施名称铣床夹具编号工序号40零(零件)名称资料牌号HT200毛坯外形尺寸详见毛坯图设施型号X52K立式铣床气门摇臂轴支座工序名铣削每个毛坯可制件数1设施编号共1页第1页工序容粗铣每台件数11切削液同时加工件数夹具名称工位用具编号工位用具名称工序工时(s)准终单件工步号工步容工艺装备X52K立式铣床,硬质合金端铣刀,游标卡尺主轴转速(r/min)255切削速度(m/min)进给量(mm/r)背吃刀量(mm)进给次数工步工时(min)灵活协助1以36mm下底面以及?28外圆端面652310.06定位,粗铣?22上端面23标志处数改正文件号署名日期标志处数改正文件号设计日期(日期)审查(日期)标准化会签署名(日期)(日期)气门摇臂轴支座加工工序卡片4航空工业管理学院机械加工工序卡片产品型号产品名称零(零件)图号气门摇臂轴支座车间铣削车间毛坯种类铸件设施名称铣床夹具编号工序号气门摇臂轴支座工序名铣削每个毛坯可制件数1设施编号共1页50第1页零(零件)名称资料牌号HT200毛坯外形尺寸详见毛坯图设施型号X52K立式铣床工序容粗铣,半精铣每台件数11同时加工件数夹具名称切削液工位用具编号工位用具名称工序工时(s)准终单件工步号工步容工艺装备外圆X52K立式铣床,硬质合金端铣刀,游标卡尺主轴转速(r/min)258切削速度(m/min)64进给量(mm/r)2背吃刀量(mm)3进给次数1工步工时(min)灵活0.09协助1以粗铣后的?22上端面以及?2836mm下底面;端面定位,粗铣2以粗铣后的?22端面定位,半精铣上端面以及?28外圆36mm下底面4951232110.093标志处数改正文件号署名日期标志处数改正文件号签字设计日期审查(日期)标准化(日期)会签(日期)(日期)气门摇臂轴支座加工工序卡片机械加工工序卡片产品型号产品名称气门摇臂轴支座车间钻削车间毛坯种类铸件设施名称钻床夹具编号5航空工业管理学院零(零件)图号零(零件)名称资料牌号HT200毛坯外形尺寸详见毛坯图设施型号Z525工序号气门摇臂轴支座工序名钻削每个毛坯可制件数1设施编号60第1页共1页工序容钻削加工每台件数11切削液同时加工件数立式钻床夹具名称工位用具编号工位用具名称工序工时(s)准终单件工步号工步容工艺装备主轴转速(r/min)切削速度(m/min)进给量(mm/r)背吃刀量(mm)进给次数工步工时(min)灵活协助以加工后的36mm下端面,36mm底座1左端面以及?28端面定位,钻?11的通孔Z525立式钻床,111360470.110.36直柄麻花钻,游标卡尺,23标志塞规处数改正文件号署名日期标志处数改正文件号签字设计日期审查(日期)标准化(日期)会签(日期)(日期)气门摇臂轴支座加工工序卡片6航空工业管理学院机...

1、当您付费下载文档后,您只拥有了使用权限,并不意味着购买了版权,文档只能用于自身使用,不得用于其他商业用途(如 [转卖]进行直接盈利或[编辑后售卖]进行间接盈利)。
2、本站所有内容均由合作方或网友上传,本站不对文档的完整性、权威性及其观点立场正确性做任何保证或承诺!文档内容仅供研究参考,付费前请自行鉴别。
3、如文档内容存在违规,或者侵犯商业秘密、侵犯著作权等,请点击“违规举报”。

碎片内容

气门摇臂轴支座的机械加工工序卡片

您可能关注的文档

确认删除?
VIP
微信客服
  • 扫码咨询
会员Q群
  • 会员专属群点击这里加入QQ群
客服邮箱
回到顶部