电脑桌面
添加小米粒文库到电脑桌面
安装后可以在桌面快捷访问

混凝土结构——土木工程学位考试参考资料VIP免费

混凝土结构——土木工程学位考试参考资料_第1页
1/25
混凝土结构——土木工程学位考试参考资料_第2页
2/25
混凝土结构——土木工程学位考试参考资料_第3页
3/25
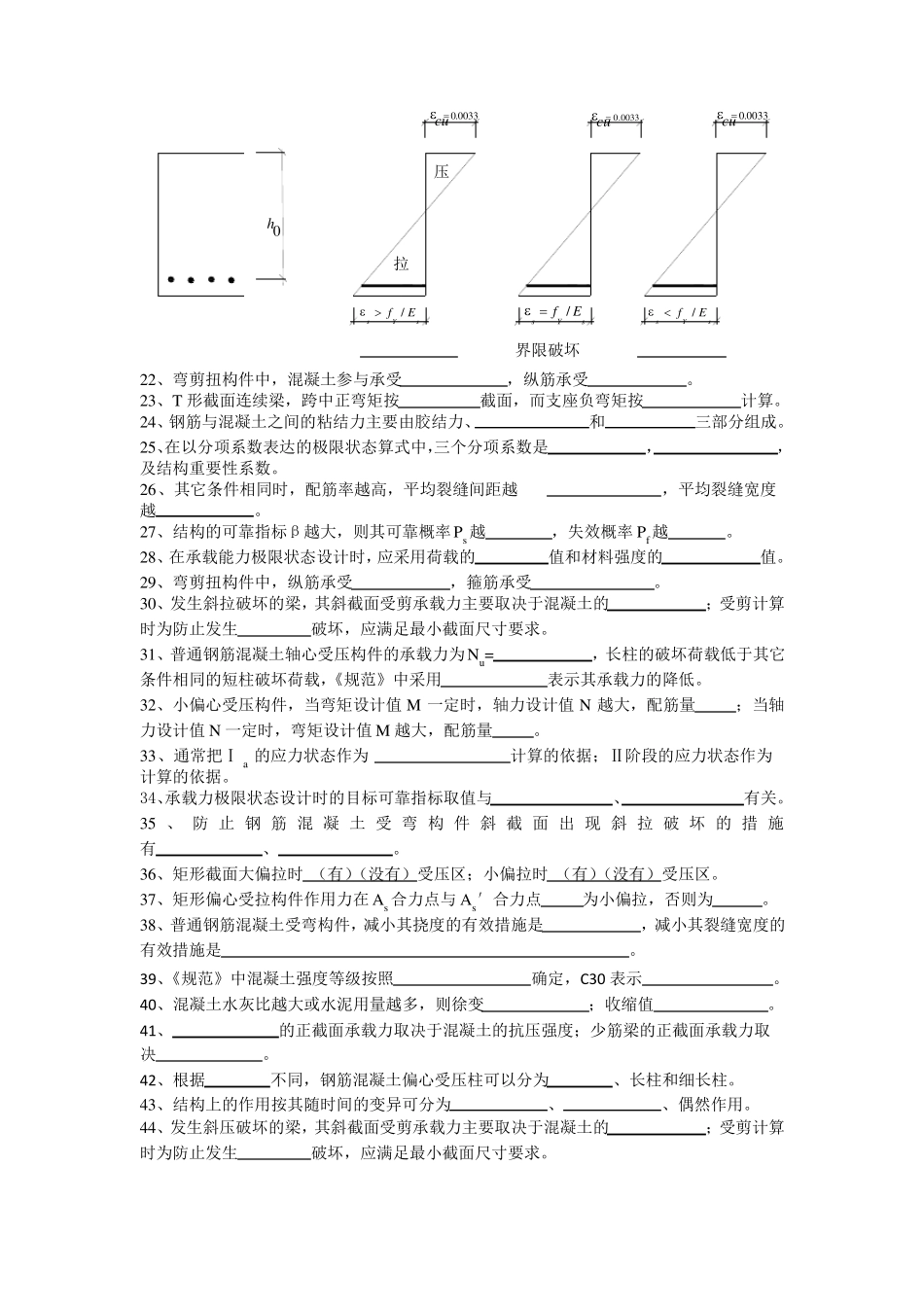
混凝土结构参考资料(后附参考答案)一、填空题1、钢筋与混凝土之所以能结合在一起共同工作的条件是和。2、在钢筋混凝土受弯构件的破坏形态中适筋梁与超筋梁的界限称为,其破坏特征是。3、结构的可靠性包括,和耐久性。4、钢筋经过冷拉后可以提高钢筋的,但经冷拉后降低了。5、结构的极限状态分为和。6、在受弯构件中,为防止超筋破坏应;为防止少筋破坏应。7、承受均布荷载的钢筋混凝土矩形截面简支梁,在斜截面承载力计算中,若V≤0.7ftbh0,说明。'8、当x2as时,取x=,其出发点是为了。9、钢筋混凝土受弯构件挠度计算中采用的最小刚度原则是指在弯矩范围内,假定其刚度为常数,并按截面处的最小刚度进行计算。10、结构可靠度是指结构在规定的内,在规定的下,完成预定功能的概率。11、在正常使用极限状态验算时,应采用荷载的值和材料强度的值。12、螺旋配筋柱承载力提高的原因是其区内混凝土处于受力状态。13、双筋梁中,限制条件x≥2as是为了,b是为了。14、当V>0.7ftbh0,防止斜截面发生斜拉破坏的构造措施是、。15、偏压构件中的界限破坏特征是受拉钢筋一屈服混凝土就,同时压屈。16、安全性功能要求体现在设计中,一般情况下,适用性和耐久性要求体现在设计中。17、斜截面受剪破坏有三种形式,它们分别是、和斜拉破坏。18、结构的失效概率Pf与可靠指标β的关系是:β值越小,Pf值;Pf值。19、混凝土的徐变是指构件的不变化,而混凝土的随时间而增长的现象。20、一根钢筋混凝土梁设计完成后发现裂缝宽度略大于《规范》规定值,此时,采用的方法,,使其满足《规范》要求。21、钢筋混凝土梁到达极限承载力时,截面的变形如下图,分别说明属于何种破坏形态。cu0.0033cu0.0033cu0.0033压h0拉sfY/EssfY/EssfY/Es界限破坏22、弯剪扭构件中,混凝土参与承受,纵筋承受。23、T形截面连续梁,跨中正弯矩按截面,而支座负弯矩按计算。24、钢筋与混凝土之间的粘结力主要由胶结力、和三部分组成。25、在以分项系数表达的极限状态算式中,三个分项系数是,,及结构重要性系数。26、其它条件相同时,配筋率越高,平均裂缝间距越,平均裂缝宽度越。27、结构的可靠指标β越大,则其可靠概率Ps越,失效概率Pf越。28、在承载能力极限状态设计时,应采用荷载的值和材料强度的值。29、弯剪扭构件中,纵筋承受,箍筋承受。30、发生斜拉破坏的梁,其斜截面受剪承载力主要取决于混凝土的;受剪计算时为防止发生破坏,应满足最小截面尺寸要求。31、普通钢筋混凝土轴心受压构件的承载力为Nu=,长柱的破坏荷载低于其它条件相同的短柱破坏荷载,《规范》中采用表示其承载力的降低。32、小偏心受压构件,当弯矩设计值M一定时,轴力设计值N越大,配筋量;当轴力设计值N一定时,弯矩设计值M越大,配筋量。33、通常把Ⅰa的应力状态作为计算的依据;Ⅱ阶段的应力状态作为计算的依据。34、承载力极限状态设计时的目标可靠指标取值与、有关。35、防止钢筋混凝土受弯构件斜截面出现斜拉破坏的措施有、。36、矩形截面大偏拉时(有)(没有)受压区;小偏拉时(有)(没有)受压区。37、矩形偏心受拉构件作用力在As合力点与As′合力点为小偏拉,否则为。38、普通钢筋混凝土受弯构件,减小其挠度的有效措施是,减小其裂缝宽度的有效措施是。39、《规范》中混凝土强度等级按照确定,C30表示。40、混凝土水灰比越大或水泥用量越多,则徐变;收缩值。41、的正截面承载力取决于混凝土的抗压强度;少筋梁的正截面承载力取决。42、根据不同,钢筋混凝土偏心受压柱可以分为、长柱和细长柱。43、结构上的作用按其随时间的变异可分为、、偶然作用。44、发生斜压破坏的梁,其斜截面受剪承载力主要取决于混凝土的;受剪计算时为防止发生破坏,应满足最小截面尺寸要求。45、大偏心受压构件,当轴心力设计值N一定时,弯矩设计值M越大,配筋量;当轴力设计值N一定时,弯矩设计值M越大,配筋量。46、通常把Ⅲa的应力状态作为计算的依据;Ⅱ阶段的应力状态作为计算的依据。47、钢筋混凝土结构对钢筋的性能要求是、、良好粘结性能。48、100mm立方体抗压强度约为150mm立方体抗压强度的;200mm立...

1、当您付费下载文档后,您只拥有了使用权限,并不意味着购买了版权,文档只能用于自身使用,不得用于其他商业用途(如 [转卖]进行直接盈利或[编辑后售卖]进行间接盈利)。
2、本站所有内容均由合作方或网友上传,本站不对文档的完整性、权威性及其观点立场正确性做任何保证或承诺!文档内容仅供研究参考,付费前请自行鉴别。
3、如文档内容存在违规,或者侵犯商业秘密、侵犯著作权等,请点击“违规举报”。

碎片内容

混凝土结构——土木工程学位考试参考资料

爱的疯狂+ 关注
实名认证
内容提供者

该用户很懒,什么也没介绍

确认删除?
VIP
微信客服
  • 扫码咨询
会员Q群
  • 会员专属群点击这里加入QQ群
客服邮箱
回到顶部