电脑桌面
添加小米粒文库到电脑桌面
安装后可以在桌面快捷访问

匀质板保温施工楼地面技术交底VIP免费

匀质板保温施工楼地面技术交底_第1页
1/7
匀质板保温施工楼地面技术交底_第2页
2/7
匀质板保温施工楼地面技术交底_第3页
3/7
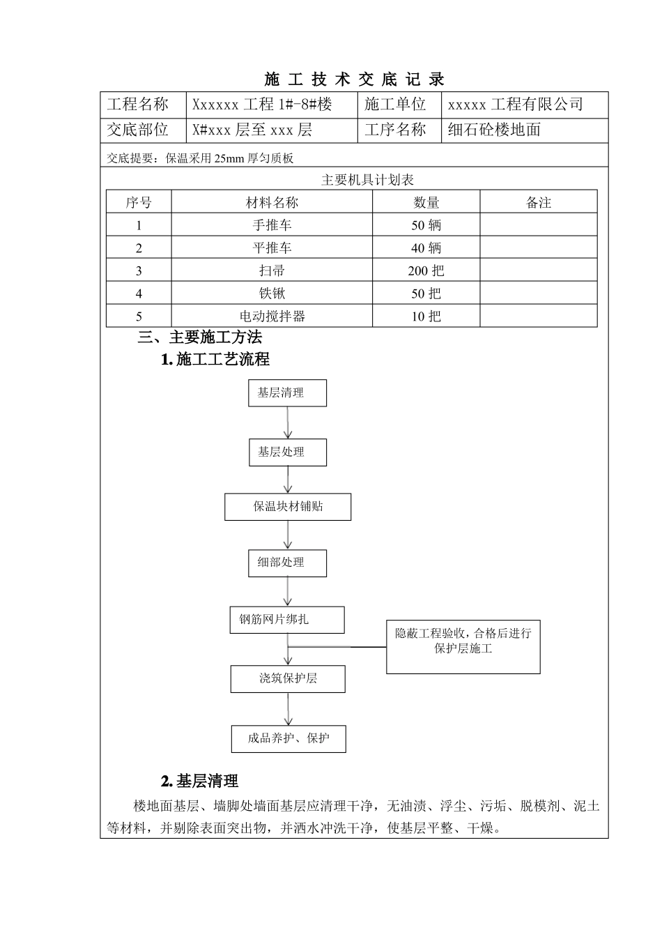
施工技术交底记录工程名称交底部位Xxxxxx工程1#-8#楼X#xxx层至xxx层施工单位xxxxx工程有限公司工序名称细石砼楼地面交底提要:保温采用25mm厚匀质板交底内容:一、设计做法1.细石混凝土有保温楼地面序号保温地面做法1、35厚C25细石混凝土表面撒1:1水泥砂子随打随抹光;12、25厚改性无机保温材料;3、水泥浆一道(内掺建筑胶);部位:卧室、客厅、餐厅、室内走道2.细石混凝土楼地面序号混凝土地面做法1、JS防水(厨房、阳台上翻300mm,卫生间上翻1800mm);12、30厚C25细石混凝土表面撒1:1水泥砂子随打随抹光;3、水泥浆一道(内掺建筑胶);部位:阳台、卫生间、阳台、水电管井、楼梯间。备注备注二、施工准备1.材料准备序号1234562.机具准备材料名称匀质保温板细石混凝土钢筋网片水泥建筑胶双面胶型号2.5厘米C25Φ4@100*100P.32.59015厘米厚备注施工技术交底记录工程名称交底部位Xxxxxx工程1#-8#楼X#xxx层至xxx层施工单位xxxxx工程有限公司工序名称细石砼楼地面主要机具计划表序号12345材料名称手推车平推车扫帚铁锹电动搅拌器数量50辆40辆200把50把10把备注交底提要:保温采用25mm厚匀质板三、主要施工方法1.施工工艺流程基层清理基层处理保温块材铺贴细部处理钢筋网片绑扎隐蔽工程验收,合格后进行保护层施工浇筑保护层成品养护、保护2.基层清理楼地面基层、墙脚处墙面基层应清理干净,无油渍、浮尘、污垢、脱模剂、泥土等材料,并剔除表面突出物,并洒水冲洗干净,使基层平整、干燥。施工技术交底记录工程名称交底部位Xxxxxx工程1#-8#楼X#xxx层至xxx层施工单位xxxxx工程有限公司工序名称细石砼楼地面交底提要:保温采用25mm厚匀质板根据抄测的标高控制线用1:2.5水泥砂浆做出灰饼,灰饼厚度随结构1m线下0.94m,灰饼间距控制在1500mm左右,每间房间不得少于5个灰饼点。3.基层处理楼地面基层清理干净后,地面洒水湿润,采用1:1=水泥:901建筑胶扫浆,铺平厚度不小于3mm。4.干铺保温块材铺贴采用2.5厘米厚匀质保温板;经复试合格后才可使用。基层处理完成后,采用45*60*2.5厘米匀质板,由内向外铺贴,铺贴时匀质板距墙设置4厘米缝隙,铺贴的匀质板与匀质板之间留设4厘米缝隙,当铺贴长度大于4.5m时需留设5厘米伸缩缝;5.细部处理(1)、匀质板与匀质板之间的缝隙,采用细石混凝土灌缝;沿缝隙每边不得小于4厘米;施工技术交底记录工程名称交底部位Xxxxxx工程1#-8#楼X#xxx层至xxx层施工单位xxxxx工程有限公司工序名称细石砼楼地面交底提要:保温采用25mm厚匀质板保温板灌缝做法(2)、墙边采用5毫米泡棉双面胶粘贴,双面胶宽度大于地面细石保护层厚度;顶部与混凝土地面齐平(1米线下0.94米)。保护层墙边处理做法6.钢筋网片绑扎采用φ4@100*100单层双向钢筋,在混凝土浇筑完成后,满铺在混凝土地面上,控制钢筋网片保护层为1厘米。7.浇筑保护层施工技术交底记录工程名称交底部位Xxxxxx工程1#-8#楼X#xxx层至xxx层施工单位xxxxx工程有限公司工序名称细石砼楼地面交底提要:保温采用25mm厚匀质板(1)、材料:保护层采用C25细石混凝土保护层,采用商品混凝土(2)、地坪施工之前提前6-10小时对保温层洒水湿润;(3)、在铺设细石混凝土面层以前,在已湿润的保温层上刷一道1∶1(水泥∶胶水)的素水泥浆,不要刷的面积过大,要随刷随铺细石混凝土,避免时间过长水泥浆风干导致面层空鼓。(4)、细石混凝土浇筑摊铺混凝土采用商品混凝土,由混凝土罐车运至楼层,人工协助摊铺至设计高度。摊铺混凝土时应连续摊铺,不得中断(水泥浆结合层要随刷随铺)。用振动棒顺摊铺方向以300mm间距平面振捣。第一遍抹压:用长铝合金刮杠顺着标筋刮平,直到面层出现泌水现象,操作时均要从内往外退着走。第二遍抹压:当面层初凝后,地面面层上有脚印但走上去不下陷时,用铁抹子进行第二遍抹压,把凹坑、砂眼填实抹平,注意不得漏压。第三遍抹压:当面层终凝前,即人踩上去稍有脚印,用铁抹子压光无抹痕时,可用铁抹子进行第三遍压光,此遍要用力抹压,把所有抹纹压平压光,达到面层表面密实光洁。8.成品养护及保护(1)、(2)、地坪养护成品保护面层抹压完24h后,进行浇水养护,每天不少于2次,养护时间不少于7d。①进...

1、当您付费下载文档后,您只拥有了使用权限,并不意味着购买了版权,文档只能用于自身使用,不得用于其他商业用途(如 [转卖]进行直接盈利或[编辑后售卖]进行间接盈利)。
2、本站所有内容均由合作方或网友上传,本站不对文档的完整性、权威性及其观点立场正确性做任何保证或承诺!文档内容仅供研究参考,付费前请自行鉴别。
3、如文档内容存在违规,或者侵犯商业秘密、侵犯著作权等,请点击“违规举报”。

碎片内容

匀质板保温施工楼地面技术交底

您可能关注的文档

确认删除?
VIP
微信客服
  • 扫码咨询
会员Q群
  • 会员专属群点击这里加入QQ群
客服邮箱
回到顶部