电脑桌面
添加小米粒文库到电脑桌面
安装后可以在桌面快捷访问

交通检测沥青混合料原始记录VIP免费

交通检测沥青混合料原始记录_第1页
1/26
交通检测沥青混合料原始记录_第2页
2/26
交通检测沥青混合料原始记录_第3页
3/26
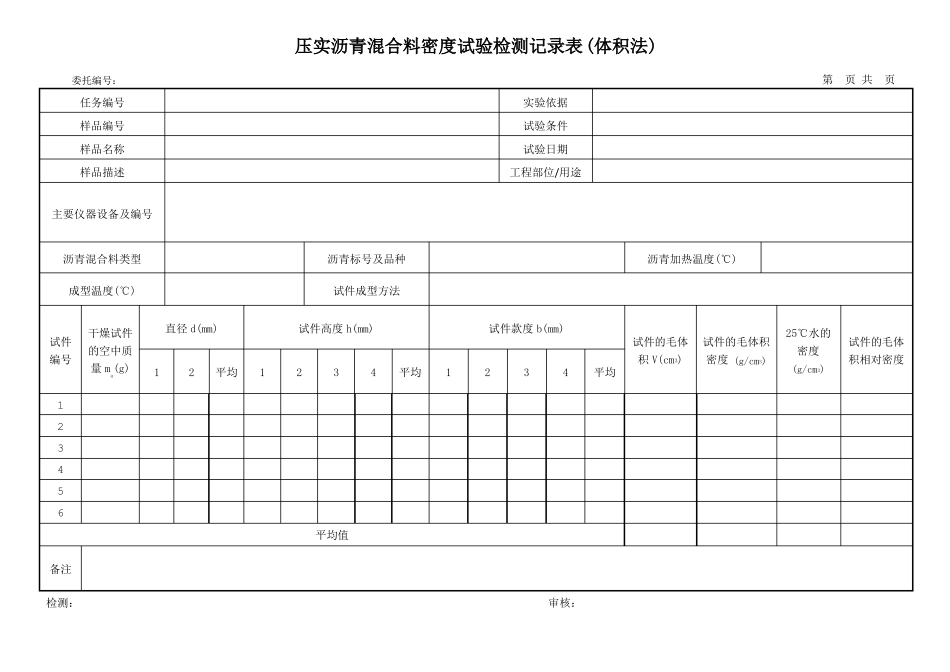
压实沥青混合料密度试验检测记录表(体积法)委托编号:第页共页任务编号样品编号样品名称样品描述实验依据试验条件试验日期工程部位/用途主要仪器设备及编号沥青混合料类型成型温度(℃)直径d(mm)沥青标号及品种试件成型方法试件高度h(mm)沥青加热温度(℃)试件编号干燥试件的空中质量ma(g)试件款度b(mm)试件的毛体积V(cm)3试件的毛体积密度(g/cm3)25℃水的密度(g/cm)3试件的毛体积相对密度12平均123平均值4平均1234平均123456备注检测:审核:压实沥青混合料密度试验检测记录表(体积法)委托编号第页共页任务编号样品编号样品名称样品描述主要仪器设备及编号混合料种类试件类型矿料名称毛体积相对密度γ表观相对密度γ’成分比例P试件编号123456平均值备注:实验依据试验条件试验日期工程部位/用途试件毛体积相对密度γf沥青标号沥青相对密度γb空隙率VV(%)击实温度(℃)沥青用量Pb(%)沥青饱和度VFA(%)稳定度(kN)锤击次数油石比Pa(%)浸水48小时后的稳定度(kN)纤维用量Px纤维相对密度γx马歇尔模数(kN/mm)沥青混合料最大理论相对密度γt矿料合成毛体积相对密度γsb矿料合成表观相对密度γsa矿料合成有效相对密度γse残留稳定度(%)流值(mm)矿料间空隙率VMA(%)检测:审核:沥青混合料马歇尔稳定度、密度试验检测记录表(表干法)委托编号:第页共页任务编号样品编号样品名称样品描述主要仪器设备及编号混合料种类试件类型矿料名称毛体积相对密度γ表观相对密度γ’成分比例P试件编号直径123456试件尺寸(mm)厚度实验依据试验条件试验日期工程部位/用途沥青标号沥青相对密度γb击实温度(℃)沥青用量Pb(%)锤击次数油石比Pa(%)纤维用量Px纤维相对密度γx流值马歇尔模(mm)数(kN/mm)沥青混合料最大理论相对密度γt矿料合成毛体积相对密度γsb矿料合成表观相对密度γsa矿料合成有效相对密度γse试件空气中试件水中试件表干质量试件毛体积相空隙率矿料间空隙率沥青饱和度稳定度浸水48小时后的残留稳定度平均值质量(g)质量(g)平均值(g)VMA(%)VFA(%)(kN)对密度γfVV(%)稳定度(kN)(%)备注:检测:审核:沥青混合料马歇尔稳定度、密度试验检测记录表(蜡封法)委托编号:第页共页任务编号样品编号样品名称样品描述主要仪器设备及编号混合料种类试件类型矿料名称毛体积相对密度γ表观相对密度γ’成分比例P试件编号直径123456实验依据试验条件试验日期工程部位/用途试件尺寸(mm)厚度沥青标号沥青相对密度γb试件空气击实温度(℃)石蜡相对密度锤击次数纤维相对密度γx纤维用量Px沥青用量Pb(%)油石比Pa(%)沥青混合料最大理论相对密度γt矿料合成毛体积相对密度γsb矿料合成表观相对密度γsa矿料合成有效相对密度γse蜡封试件空气中质中质量(g)平均值量(g)平均值蜡封试件水中试件毛体积相空隙率矿料间空隙率沥青饱和度质量(g)浸水48小时后残留稳定度流值马歇尔模稳定度(kN)的稳定度(kN)(%)(mm)数(kN/mm)对密度γfVV(%)VMA(%)VFA(%)备注:检测:审核:沥青混合料马歇尔稳定度、密度试验检测记录表(水中重法)委托编号:第页共页任务编号样品编号样品名称样品描述主要仪器设备及编号混合料种类试件类型矿料名称毛体积相对密度γ表观相对密度γ’成分比例P试件编号直径123456实验依据试验条件试验日期工程部位/用途试件尺寸(mm)厚度平均值沥青标号沥青相对密度yb击实温度(℃)沥青用量Pb(%)锤击次数油石比Pa(%)纤维用量Px纤维相对密度γx流值马歇尔模(mm)数(kN/mm)沥青混合料最大理论相对密度γt矿料合成毛体积相对密度γsb矿料合成表观相对密度γsa矿料合成有效相对密度γse试件空气中试件水中质量试件毛体积平均值质量(g)(g)空隙率矿料间空隙率沥青饱和度稳定度浸水48小时后的残留稳定度VMA(%)VFA(%)(kN)稳定度(kN)(%)相对密度γfVV(%)备注:检测:审核:沥青混合料理论最大相对密度试验检测记录表(真空法)任务编号样品编号样品名称样品描述主要仪器设备及编号沥青种类牌号拌合温度(℃)25℃时水密度g/cm试验次数干燥沥青混合料试样空中质量(g)负压容器在25℃...

1、当您付费下载文档后,您只拥有了使用权限,并不意味着购买了版权,文档只能用于自身使用,不得用于其他商业用途(如 [转卖]进行直接盈利或[编辑后售卖]进行间接盈利)。
2、本站所有内容均由合作方或网友上传,本站不对文档的完整性、权威性及其观点立场正确性做任何保证或承诺!文档内容仅供研究参考,付费前请自行鉴别。
3、如文档内容存在违规,或者侵犯商业秘密、侵犯著作权等,请点击“违规举报”。

碎片内容

交通检测沥青混合料原始记录

您可能关注的文档

确认删除?
VIP
微信客服
  • 扫码咨询
会员Q群
  • 会员专属群点击这里加入QQ群
客服邮箱
回到顶部