电脑桌面
添加小米粒文库到电脑桌面
安装后可以在桌面快捷访问

常见金属材料的比重及熔点表大全VIP免费

常见金属材料的比重及熔点表大全_第1页
1/7
常见金属材料的比重及熔点表大全_第2页
2/7
常见金属材料的比重及熔点表大全_第3页
3/7
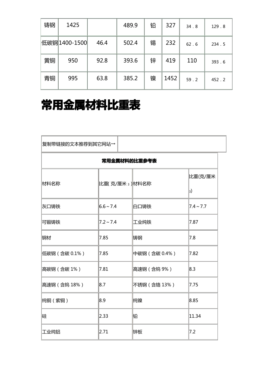
常见金属材料的比重及熔点表金属材料名称镁元素符号铝铁Fe镍Ni铅Pb汞Hg钨W金Au银Ag铜CuMgAl比重1.742.77.878.911.3713.619.319.3210.498.96金属材料名称元素符号灰口铁白口铁碳素钢黄铜青铜钢————————8.5-8.85————比重6.8-7.47.2-7.57.81-7.857.5-8.97.8-7.9金属名称元素符号铝Al铜Cu锰Mn铅Pb钡Be钴Co铁Fe钼Mo锑Sb铋B铬镁镍CrMgNi熔点660.210831245327.41285149515392622630.5271.318556501455金刚石:3550钨:3410纯铁:1535各类钢:1300~1400各类铸铁:1200左右铜:1083金:1064银:962铝:660锌:419.5铅:327锡:232硫代硫酸钠:48冰:0汞:-38.9固态水银:-39固态酒精:-117固态氮:-210固氢:-259固态氦:-272名称热导率熔点℃W/(m2·K)J/(kg·K)比热容名称熔热导率比热容J/(kg·K)点℃W/(m2·K)658203灰铸铁120046.4-92.8544.3铝904.3铸钢1425489.946.492.863.8502.4393.6385.2铅锡锌32723241934.8129.8低碳钢1400-1500黄铜青铜62.6234.595099511059.2393.6镍1452452.2常用金属材料比重表复制带链接的文本推荐到其它网站→常用金属材料的比重参考表比重(克/厘米材料名称比重(克/厘米3)材料名称3)灰口铸铁可锻铸铁钢材低碳钢(含碳0.1%)高碳钢(含碳1%)高速钢(含钨18%)纯铜(紫铜)硅工业纯铝6.6~7.47.2~7.47.857.857.818.78.92.332.71白口铸铁工业纯铁铸钢中碳钢(含碳0.4%)高速钢(含钨9%)不锈钢(含铬13%)纯镍铅锌板7.4~7.77.877.87.828.37.758.8511.347.2锌阳极板锡铱金钽钍钼钴铌铬锑碲钛铍钙钾硒7.157.322.419.3216.611.510.28.98.577.196.686.244.511.851.550.864.8411.3722.521.4519.313.610.59.88.657.436.96.496.13.51.740.975.732.34锇铂钨汞银鉍镉锰铈锆钒钡镁钠砷硼各种合金金属比重表H96黄铜合金H68黄铜合金8.88.5H90黄铜合金H62黄铜合金8.78.5HPb74-3铅黄铜HPb59-1铅黄铜HSn70-1锡黄铜HSn60-1锡黄铜HAl67-2.7HAl66-6-3-2铝黄铜HMn57-3-1锰黄铜HFe59-1-1铁黄铜HNi65-5镍黄铜QSn4-4-2.5锡青铜QSn6.5-0.1磷青铜QSn7-0.2磷青铜QAl5铝青铜QAl9-2铝青铜QAl10-3-1.5铝青铜QBe2铍青铜QSi1-3硅青铜8.78.58.548.58.58.58.58.58.58.758.88.88.27.67.58.38.6HPb63-3HSn90-1锡黄铜HSn62-1锡黄铜HAl77-2铝黄铜HAl60-1-1铝黄铜HMn58-2锰黄铜HMn55-3-1锰黄铜HSi80-3硅黄铜QSn4-3锡青铜QSn4-4-4锡青铜QSn6.5-0.4磷青铜QSn4-0.3磷青铜QAl7铝青铜QAl9-4铝青铜QAl10-4-4铝青铜QBe2.15铍青铜QSi3-1硅青铜ZQSn3-12-5铜合金(锡青8.58.88.58.68.58.58.58.58.88.98.88.97.87.57.58.38.4QCd1.0镉青铜8.80铜)8.69ZQSn3-7-5-1铜合金(锡青8.7ZQSn5-5-5铜合金(锡青8.84铜)ZQSn6-6-3铜合金(锡青铜)8.82B19铜合金BMn3-12锰白铜BMn43-0.5锰白铜BFe5-1铁白铜BAl6-1.5铝白铜NGu28-2.5-1.5NGr9镁合金LF3铝合金LF6铝合金LF11铝合金LF21铝合金LY2铝合金LY7铝合金LY9铝合金LY11铝合金LY16铝合金LD2铝合金LD6铝合金8.98.48.98.98.78.858.72.672.642.652.732.752.762.82.82.842.72.75铜)B5铜合金B30铜合金BMn40-1.5锰白铜BFe30-1-1铁白铜BZn15-20锌白铜NSi0.19镍合金NMg0.1钛合金LF2铝合金LF5铝合金LF10铝合金(铝镁)LF12铝合金LY1铝合金LY6铝合金LY8铝合金LY10铝合金LY12铝合金LY17铝合金LD5铝合金LD7铝合金8.98.98.98.98.68.858.852.682.652.652.632.762.762.82.82.782.842.752.8LD8铝合金LC3超硬铝合金LC6超硬铝合金ZL101铝合金ZL103铝合金ZL105铝合金ZL203铝合金ZL401铝合金ZZnAl9-1.5锌合金ZZnAl4锌合金ZChSnSb11-6锡合金ZChSnSb4-4锡合金ZChPbSb15-5-3锡合金ZChPbSb15-5锡合金YG3X钨钢YG6X钨钢YG6钨钢YG8钨钢YG11C钨钢YW1钨钢2.772.852.892.662.72.682.82.956.26.67.387.349.610.0415~15.314.6~1514.6~1514.5~14.914~14.412.6~13.5LD10铝合金LC4超硬铝合金LC9超硬铝合金ZL102铸造铝合金(铝硅)ZL104铝合金(铝硅)ZL201铝合金(铝铜)ZL301铝合金(铝镁)ZZnAl10-5锌合金ZZnAl4-1锌合金2.82.852.852.652.652.782.556.36.7ZChSnSb12-4-10锡合金7.52ZChSnSb8-4锡合金7.39ZChPbSb16-16-2锡合金9.29ZChPbSb15-10锡合金ZChPbSb10-6锡合金YG4C钨钢YG6A钨钢YG8N钨钢YG8C钨钢YG15钨钢YW2钨钢9.7310.2414.9~15.214.6~1514.5~14.914.5~14.913~14.212.4~13.5YT5钨钢YT30钨钢12.5~13.29.3~9.7YT14钨钢YN10硬质合金钢11.2~12≥6.3

1、当您付费下载文档后,您只拥有了使用权限,并不意味着购买了版权,文档只能用于自身使用,不得用于其他商业用途(如 [转卖]进行直接盈利或[编辑后售卖]进行间接盈利)。
2、本站所有内容均由合作方或网友上传,本站不对文档的完整性、权威性及其观点立场正确性做任何保证或承诺!文档内容仅供研究参考,付费前请自行鉴别。
3、如文档内容存在违规,或者侵犯商业秘密、侵犯著作权等,请点击“违规举报”。

碎片内容

常见金属材料的比重及熔点表大全

爱的疯狂+ 关注
实名认证
内容提供者

该用户很懒,什么也没介绍

确认删除?
VIP
微信客服
  • 扫码咨询
会员Q群
  • 会员专属群点击这里加入QQ群
客服邮箱
回到顶部