电脑桌面
添加小米粒文库到电脑桌面
安装后可以在桌面快捷访问

高层泵送混凝土方案VIP免费

高层泵送混凝土方案_第1页
1/9
高层泵送混凝土方案_第2页
2/9
高层泵送混凝土方案_第3页
3/9
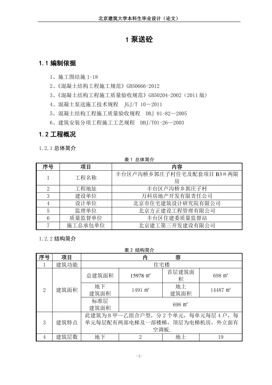
北京建筑大学本科生毕业设计(论文)1泵送砼1.1编制依据1、施工图结施1-182、《混凝土结构工程施工规范》GB50666-20123、《混凝土结构工程施工质量验收规范》GB50204-2002(2011版)4、混凝土泵送施工技术规程JGJ/T10-20115、混凝土结构工程施工质量验收规程DBJ01-82—20056、建筑安装分项工程施工工艺规程DBJ/T01-26—20031.2工程概况1.2.1总体简介表1总体简介序号1234567项目工程名称工程地址建设单位设计单位监理单位质量监督单位施工总承包单位内容丰台区卢沟桥乡郭庄子村住宅及配套项目B3#两限房丰台区卢沟桥乡郭庄子村万科房地产开发有限责任公司北京市住宅建筑设计研究院有限公司北京方正建设工程管理有限公司丰台区住建委质量监督站北京建工第三开发建设有限公司1.2.2结构简介表2结构简介序号项目1建筑功能总建筑面积2建筑面积34地下14487㎡建筑面积标准层698㎡建筑面积此建筑为B甲—乙组合户型,分2个单元,每单元每层4户,每建筑特点单元每层配有两部电梯及一部楼梯,顶层为电梯机房,外立面有空调板.建筑层数地下2地上19-1-内容住宅楼首层建筑面15978㎡积地上1491㎡建筑面积698㎡北京建筑大学本科生毕业设计(论文)地下部分层高5建筑层高地上部分层高±0.00绝对标高总长地下1层地下2层首层层标准层顶层机房间54.70045.943.53.52。92.92.93.73室内外高差总宽0。12018。0767建筑高度建筑平面1.3施工准备(一)原材料1.粗骨料:一般要求碎石最大粒径不得超过泵管内径的1/3,卵石的最大粒径不得超过泵管内径的1/2。5,根据本工程实际采用(5-40MM)的碎石、卵石,Φ125输送管,碎石中针片状颗粒含量不宜大于10%.本工程泵送高度60m。碎(卵)石粒径宜在1:3-1:4。2.细骨料:采用可泵性好的中砂,且要符合级配要求。3.水泥:泵送砼的水泥,一般选用泌水性小、保水性强且抗冻性能强的。4.外掺材料1)掺合料:采用Ⅱ级袋装粉煤灰(通过0.08mm方孔筛余量不得大于15%,且细度要达到标准)。经试验室复试合格。2)外加剂:EP—7型缓凝泵送剂,FX—124早强剂。(二)配合比:由市建委认可的国家一级实验室设计配成。1.坍落度宜为16—20cm。2.水灰比《钢筋砼施工验收规范》(GBJ10-65)规定、《砼泵送施工技术规程》(JGJ/T10—95),选用0.40—0.60.3.水泥用量为满足设计和强度要求,最小水泥用量为300kg/m3。4.砂率:控制在38-45%。5.外掺料:掺入水泥用量的10-15%的磨细粉煤灰。6.外加剂:掺入量和气温有关,一般为水泥用量的0。2—0.3%,根据天气情况随时进行调整。(三)泵送砼设备1.砼泵的选择:本工程采用输送管直径125mm的HBT50.10。55S型混凝土拖泵;主要性能参数见下表:表3HBT50。10。55S型混凝土拖泵基本参数参数名称-2-单位HBT50.10。55S拖泵北京建筑大学本科生毕业设计(论文)最大理论混凝土输送量最大理论混凝土搅拌量整机性能最大理论出口压力料斗容积×上料高度混凝土缸规格:缸径×行程出料口直径额定功率动力液压油路形式高低压切换允许最大骨粒粒径其它参数外形尺寸(长×宽×高)液压油箱容积总质量1)混凝土泵的实际平均输送量Q1=Qmaxαηm3/hm3/hMpaL×mmmmmmkwmmmmLkg528-1510(6)600×1400Φ180×1100φ18055开式回路转阀卵石50,碎石405000×1700×20001704500Q1—每台混凝土泵的实际平均输出量(m³/h);Qmax-每台混凝土泵的最大输出量(m³/h);α—配管条件系数,取0。8~0.9;η—作业效率,可取0.5~0。7Q1=52×0。9×0.7=32。8m³/h2)验算砼泵的泵送能力:1)最大水平泵送距离Lmax=Pmax/△PH△PH=2×[k1+k2(1+t2/t1)×V2]×α2/r0k1=(3。0—0.1×S)×100k2=(4。0—0。1×S)×100Lmax-混凝土泵的最大水平输送距离(m);Pmax—混凝土泵的最大出口压力(Pa);△PH—混凝土在水平输送管内流动每米产生的压力损失(Pa/m);r0-混凝土输送管半径(m);k1—粘着系数(Pa);k2-速度系数(Pa/m/s);S-混凝土坍落度(cm);见表1t2/t1—混凝土泵分配阀切换时间与活塞推压混凝土时间之比,一般取0.3;V2一个工作循环时间内的平均流速(m/s)当排量达40m3/h时,流速约0。91m/s;-3-北京建筑大学本科生毕业设计(论文)α2—径向压力与轴向压力之比,对普通混凝土...

1、当您付费下载文档后,您只拥有了使用权限,并不意味着购买了版权,文档只能用于自身使用,不得用于其他商业用途(如 [转卖]进行直接盈利或[编辑后售卖]进行间接盈利)。
2、本站所有内容均由合作方或网友上传,本站不对文档的完整性、权威性及其观点立场正确性做任何保证或承诺!文档内容仅供研究参考,付费前请自行鉴别。
3、如文档内容存在违规,或者侵犯商业秘密、侵犯著作权等,请点击“违规举报”。

碎片内容

高层泵送混凝土方案

爱的疯狂+ 关注
实名认证
内容提供者

该用户很懒,什么也没介绍

确认删除?
VIP
微信客服
  • 扫码咨询
会员Q群
  • 会员专属群点击这里加入QQ群
客服邮箱
回到顶部