电脑桌面
添加小米粒文库到电脑桌面
安装后可以在桌面快捷访问

光伏电站之光伏交流汇流箱详解VIP免费

光伏电站之光伏交流汇流箱详解_第1页
1/7
光伏电站之光伏交流汇流箱详解_第2页
2/7
光伏电站之光伏交流汇流箱详解_第3页
3/7
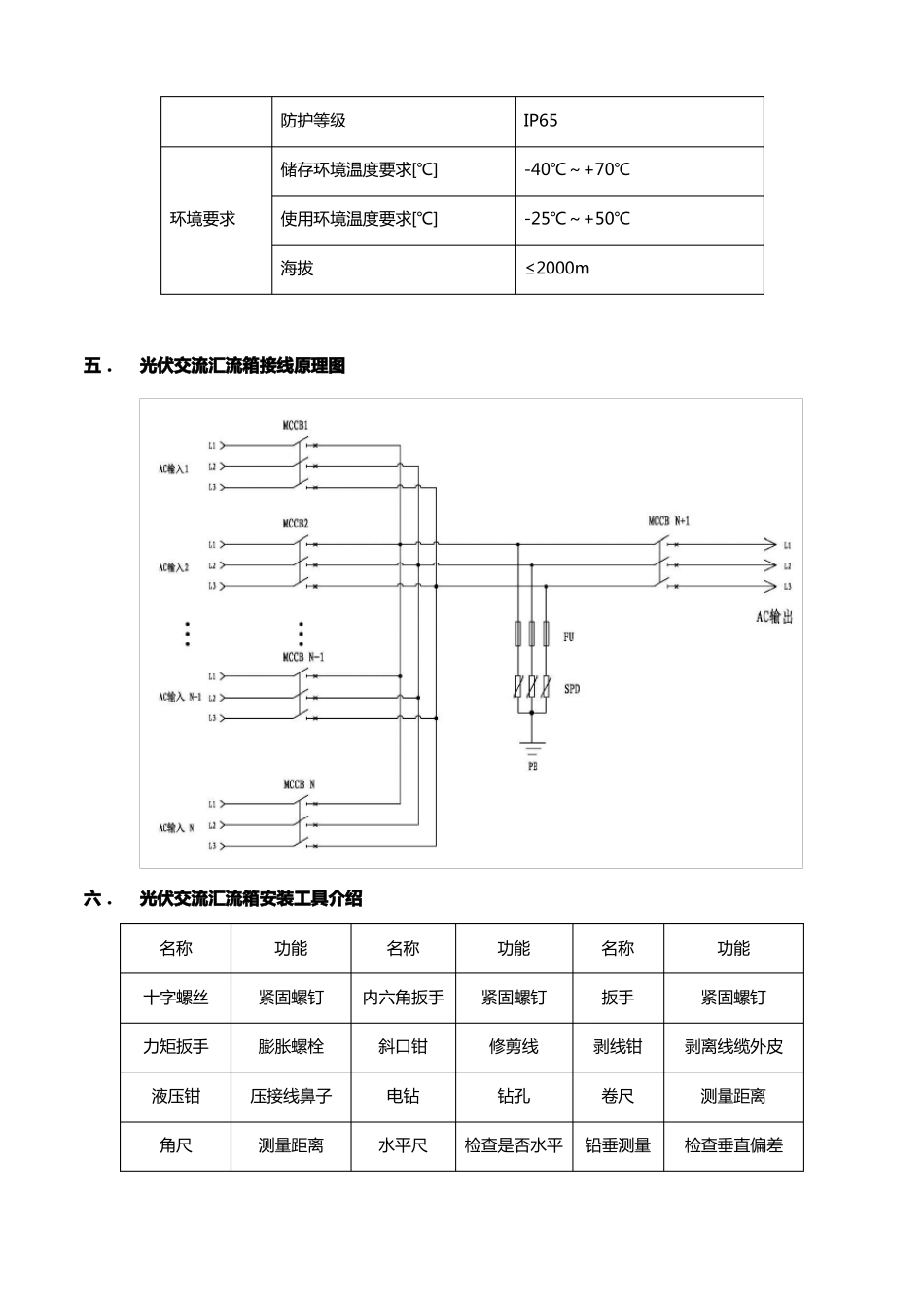
光伏电站之光伏交流汇流箱详解一.前言关于庞大的而言,汇流箱的金额只占1%,但100%的电流从中通过,调试运维期间汇流箱故障占整个电站20-30%。另外不平安的汇流箱很有可能会致使起火,要挟财产和人一辈子平安。接下来小固将从产品功能介绍、产品展现、技术参数、接线原理图、安装工具、安装注意事项、接线等方面介绍下光伏交流汇流箱,旨在让光伏人加倍了解汇流箱,加倍了解其安装的方式和注意的细节。二.光伏交流汇流箱产品功能介绍光伏交流汇流箱采纳的,安装于逆变器交流输出侧和并网点/负载之间。内部配置有输入断路器、输出断路器、交流防雷器,可选配智能监控仪表(监测系统电压,电流,功率,电能等信号)要紧作用:汇流多个逆变器的输出电流,同时爱惜免受到来自交流并网侧/负载的危害,作为逆变器输出断开点,提高系统的平安性,爱惜安装保护人员的平安性。三.光伏汇流箱产品展现以4汇1的交流汇流箱(400V/50KW)为例,共有4台50KW的逆变器:图1交流汇流箱外壳图2汇流箱内部标号1:逆变器输出端直接连接到该4P断路器上,断路器能够迅速切断故障电流,逆变器最大交流输出电流为80A,空开规格依照逆变器最大电流的倍,选择100A的塑壳断路器。标号2:三台逆变器汇流以后总的断路器为额定电流为350A的塑壳断路器。接到该断路器的电缆通过铜排连接,线径为150mm²。标号3:熔断器(保险)是一种过电流爱惜器,当被爱惜电路的电流超过规定值,熔丝熔断使电路断开起到爱惜的作用,一样在防雷浪涌失效以后才会动作,能够选择100A的熔断器。标号4:浪涌爱惜器用于抑制瞬态过压低于设备耐受冲击过电压,泄放电涌能量,从而爱惜系统电路及设备。规格Uc:750VImax:40KAIn:20KAUp≤,浪涌的下面必然要接地。四.光伏交流汇流箱技术参数交流汇流箱的技术参数货物型号性能参数输入电压范围[VAC]最大工作电压[VAC]每路最大输入电流[A]并联输入路数最大输出电流(A)认证情况输入接线截面积[mm2]输出电缆截面积[mm2]输出连线数目元件参数固定连接保护接地导体大于10接地线线径[mm2]平方(铜)外观信息外壳信息厚镀锌钢板1路输出,1路接地0-690V≤690100A44003C1KV3X35mm21KV3X185mm2防护等级储存环境温度要求[℃]环境要求使用环境温度要求[℃]海拔IP65-40℃~+70℃-25℃~+50℃≤2000m五.光伏交流汇流箱接线原理图六.光伏交流汇流箱安装工具介绍名称十字螺丝力矩扳手液压钳角尺功能紧固螺钉膨胀螺栓压接线鼻子测量距离名称内六角扳手斜口钳电钻水平尺功能紧固螺钉修剪线钻孔检查是否水平名称扳手剥线钳卷尺铅垂测量功能紧固螺钉剥离线缆外皮测量距离检查垂直偏差仪扎带万用表绑扎线缆测量电阻和电压及电流手套摇表安装时佩戴测绝缘电阻绝缘胶带剪刀包扎裸线修剪热缩管七.光伏交流汇流箱安装注意事项箱体的防护品级为IP65,适合户外安装,安装位置应知足一下几点要求:汇流箱的依照位置应充分考虑到其外形尺寸及重量(参见参数章节)汇流箱的安装环境温度应在-25℃`+60℃之间,相对湿度在0-95%之间汇流箱应安装在干燥、通风良好、防尘的地址进出线型式及安装方式:铠装电缆下进下出,室外光伏组件支架后立柱悬挂安装。幸免安装在太阳直射的地址,不然太高的温度会减少系统发电量,还可能阻碍汇流箱的利用寿命为了更好的散热且方便日常保护,安装汇流箱的四个方向维持足够的空间注意:线路连接(载流)螺钉扭力要求:螺钉M5M6M8M10M()81125八、光伏交流汇流箱接线接线前预备1.打开汇流箱2.将所有塑壳断路器MCCB置于脱扣状态输入接线1.依照接线原理图接线,接线前需要确认相序、确认无接地故障2.拧松汇流箱的下端防水端子的收紧螺帽3.将输入电缆穿过白色电缆接头;线缆长度要留有余量,以便汇流箱内部弯曲固定4.压接线鼻子5.用6号内六角扳手把断路器器输入端3套M8内六角螺丝松掉,断路器入端按三相黄从左至右顺序接线。接6组输入线。M8扭力6.旋紧进线电缆接头的收紧螺帽输出接线(推荐)工具为:压线钳;长柄十字螺丝刀;M10内六角套筒扳手(M6)1.汇流箱的输出端接法和输入接法类似,将线缆剥好线,将铜鼻子套在剥开的线上2.利用压线工具进行压线3.套相应的热缩管,正极为红色,负极...

1、当您付费下载文档后,您只拥有了使用权限,并不意味着购买了版权,文档只能用于自身使用,不得用于其他商业用途(如 [转卖]进行直接盈利或[编辑后售卖]进行间接盈利)。
2、本站所有内容均由合作方或网友上传,本站不对文档的完整性、权威性及其观点立场正确性做任何保证或承诺!文档内容仅供研究参考,付费前请自行鉴别。
3、如文档内容存在违规,或者侵犯商业秘密、侵犯著作权等,请点击“违规举报”。

碎片内容

光伏电站之光伏交流汇流箱详解

您可能关注的文档

确认删除?
VIP
微信客服
  • 扫码咨询
会员Q群
  • 会员专属群点击这里加入QQ群
客服邮箱
回到顶部