电脑桌面
添加小米粒文库到电脑桌面
安装后可以在桌面快捷访问

施工图预算工程量计算的方法与探讨VIP免费

施工图预算工程量计算的方法与探讨_第1页
1/11
施工图预算工程量计算的方法与探讨_第2页
2/11
施工图预算工程量计算的方法与探讨_第3页
3/11
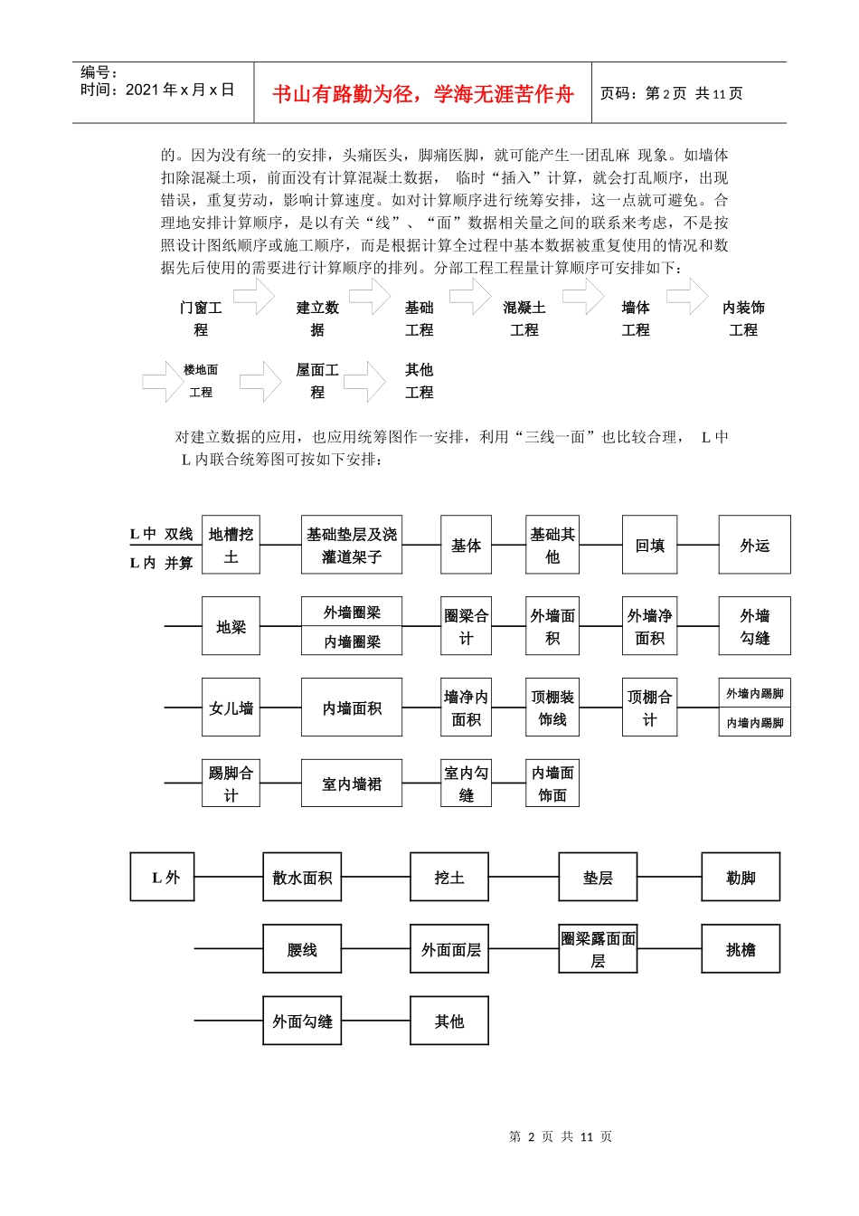
第1页共11页编号:时间:2021年x月x日书山有路勤为径,学海无涯苦作舟页码:第1页共11页施工图预算工程量计算的方法与探讨目录一、引言二、现状三、关于统筹法的探讨四、关于分间法的探讨五、关于表格法的探讨六、结束语综合表格法的提出内容摘要提出编制预算的关键在于工程量计算,对现状分析提出综合表格法,即以统筹法为计算及计算顺序的主线,以表格法为计算表达的形式,以分间法为计算工程量的补充,以计算机为辅助手段的综合计算方法,来解决统筹法计算工程量时的局限性,弥补当前计算机工程量自动计算软件不能普及和复杂难用的一种手段。关键词预算工程量计算计算方法图表一、引言建筑工程施工图预算简称施工图预算,是招标投标的重要基础,其中工程量清单是招标文件的重要组成部分,是施工单位在施工前组织材料、机具、设备及劳动力供应的依据;是企业编制进度计划、统计完成工作量及进行经济核算的依据;是甲乙双方办理工程结算的基础。在编制预算中,工程量计算是其中心环节,约有60%以上的时间消耗在此阶段内,工程预算造价的正确与否,主要关键还是在于工程量的计算是否正确。由此,我们有必要对其计算方法进行探讨与研究。二、现状在现阶段,市场方面,市场化经营运作越来越规范,要求计算工程量准确、及时、适用,造成编制时间与造价准确度之间的矛盾。工具手段方面,“机编”即计算机进行工程量编制处于推广阶段,全面的自动识图没有解决,“手编”还是主要的编制手段。在编制内容方面,由于现在生活水平提高,个性化要求突出,变化大而繁杂,建筑设计风格多变,装修档次增高而复杂,导致计算的工作量越来越大。在编制方法上,方法多种,但利用不合理,尤其在系统全面的基础上,没有一个好的安排。现对几个常用的方法进行分析,以得出一个好的方法。三、关于统筹法的探讨1、简介“统筹法计算”即运用统筹法原理计算建筑工程预算工程量的简称,特点是利用基数——“三线一面”,连续计算相关的预算工程量,达到减少重复劳动,快速计算的目的。分析其特点,可以在以下方面得到应用。2、统筹图的运用在进行工程量计算时,对其计算顺序的安排,我认为,运用统筹法是最为合适第2页共11页第1页共11页编号:时间:2021年x月x日书山有路勤为径,学海无涯苦作舟页码:第2页共11页的。因为没有统一的安排,头痛医头,脚痛医脚,就可能产生一团乱麻现象。如墙体扣除混凝土项,前面没有计算混凝土数据,临时“插入”计算,就会打乱顺序,出现错误,重复劳动,影响计算速度。如对计算顺序进行统筹安排,这一点就可避免。合理地安排计算顺序,是以有关“线”、“面”数据相关量之间的联系来考虑,不是按照设计图纸顺序或施工顺序,而是根据计算全过程中基本数据被重复使用的情况和数据先后使用的需要进行计算顺序的排列。分部工程工程量计算顺序可安排如下:门窗工程建立数据基础工程混凝土工程墙体工程内装饰工程楼地面工程屋面工程其他工程对建立数据的应用,也应用统筹图作一安排,利用“三线一面”也比较合理,L中L内联合统筹图可按如下安排:L中双线地槽挖土基础垫层及浇灌道架子基体基础其他回填外运L内并算地梁外墙圈梁圈梁合计外墙面积外墙净面积外墙勾缝内墙圈梁女儿墙内墙面积墙净内面积顶棚装饰线顶棚合计外墙内踢脚内墙内踢脚踢脚合计室内墙裙室内勾缝内墙面饰面L外散水面积挖土垫层勒脚腰线外面面层圈梁露面面层挑檐外面勾缝其他第3页共11页第2页共11页编号:时间:2021年x月x日书山有路勤为径,学海无涯苦作舟页码:第3页共11页S底综合脚手架场地平整室内净面积地面填运土楼地面垫层面层吊顶顶棚面层预制板勾缝无梁板面层梁侧面层有梁板面层屋面隔气层屋面保温层屋面找平屋面防水屋面木基层铁皮屋面瓦屋面其他项目3、统筹法实用性分析运用统筹法比运用一般常规方法计算工程量具有较多的优越性,共同需要的数据越能集中,其优越性越显著。这种优越性表现在他能够尽可能用最少的数据来计算更多的项目。因此,决定其优越性表现在两个因素:(1)计算数据的集中程度;(2)集中了的数据满足共同需要的程度。由此分析,可列出不同数量的建筑作法,不同数量的部位构造形式...

1、当您付费下载文档后,您只拥有了使用权限,并不意味着购买了版权,文档只能用于自身使用,不得用于其他商业用途(如 [转卖]进行直接盈利或[编辑后售卖]进行间接盈利)。
2、本站所有内容均由合作方或网友上传,本站不对文档的完整性、权威性及其观点立场正确性做任何保证或承诺!文档内容仅供研究参考,付费前请自行鉴别。
3、如文档内容存在违规,或者侵犯商业秘密、侵犯著作权等,请点击“违规举报”。

碎片内容

施工图预算工程量计算的方法与探讨

您可能关注的文档

确认删除?
VIP
微信客服
  • 扫码咨询
会员Q群
  • 会员专属群点击这里加入QQ群
客服邮箱
回到顶部