电脑桌面
添加小米粒文库到电脑桌面
安装后可以在桌面快捷访问

如何填写所得税申报表填报VIP免费

如何填写所得税申报表填报_第1页
1/36
如何填写所得税申报表填报_第2页
2/36
如何填写所得税申报表填报_第3页
3/36
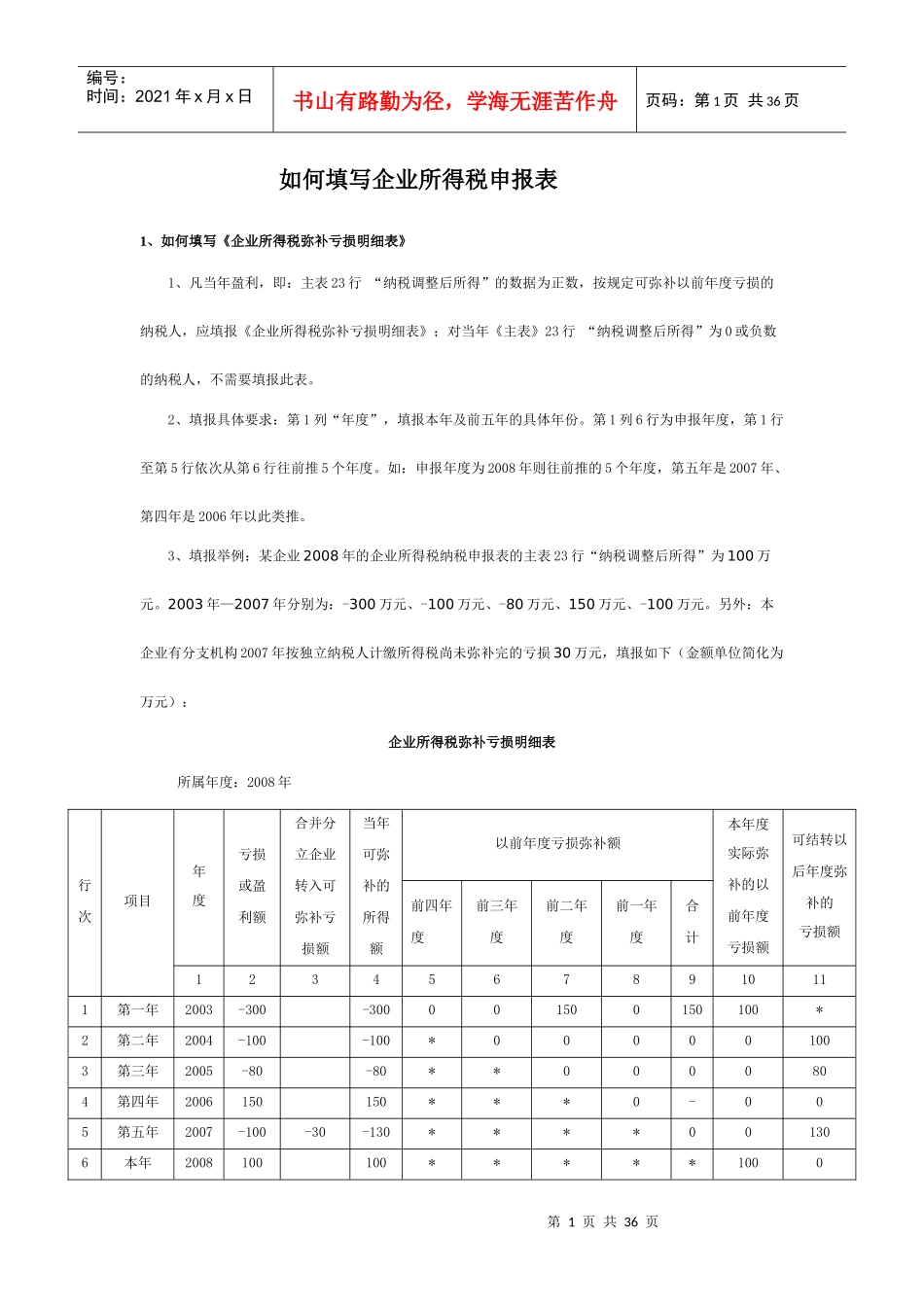
第1页共36页编号:时间:2021年x月x日书山有路勤为径,学海无涯苦作舟页码:第1页共36页如何填写企业所得税申报表1、如何填写《企业所得税弥补亏损明细表》1、凡当年盈利,即:主表23行“纳税调整后所得”的数据为正数,按规定可弥补以前年度亏损的纳税人,应填报《企业所得税弥补亏损明细表》;对当年《主表》23行“纳税调整后所得”为0或负数的纳税人,不需要填报此表。2、填报具体要求:第1列“年度”,填报本年及前五年的具体年份。第1列6行为申报年度,第1行至第5行依次从第6行往前推5个年度。如:申报年度为2008年则往前推的5个年度,第五年是2007年、第四年是2006年以此类推。3、填报举例:某企业2008年的企业所得税纳税申报表的主表23行“纳税调整后所得”为100万元。2003年—2007年分别为:-300万元、-100万元、-80万元、150万元、-100万元。另外:本企业有分支机构2007年按独立纳税人计缴所得税尚未弥补完的亏损30万元,填报如下(金额单位简化为万元):企业所得税弥补亏损明细表所属年度:2008年行次项目年度亏损或盈利额合并分立企业转入可弥补亏损额当年可弥补的所得额以前年度亏损弥补额本年度实际弥补的以前年度亏损额可结转以后年度弥补的亏损额前四年度前三年度前二年度前一年度合计12345678910111第一年2003-300-300001500150100*2第二年2004-100-100*000001003第三年2005-80-80**0000804第四年2006150150***0-005第五年2007-100-30-130****001306本年2008100100*****1000第2页共36页第1页共36页编号:时间:2021年x月x日书山有路勤为径,学海无涯苦作舟页码:第2页共36页7可结转下一年度未弥补完的亏损额310此表主要体现的是:第一年(2003年)到本年(2008年)弥补后,还有50万元亏损额不能体现在“可结转下一年度未弥补完的亏损额”中。2、如何填写《企业所得税纳税申报表(A类)》《企业所得税年度纳税申报表(A类)》及其附表适用于实行查账征收的企业所得税居民纳税人年度纳税申报,由一张主表24张附表构成。附表一至附表六和主表有关行次存在勾稽关系,称为一级附表;附表七至附表十一和附表三有关行次存在勾稽关系,称为二级附表。申报表填写顺序原则上应为二级附表、一级附表、主表。附表十二为关联业务往来报告表,企业填写完成主表和附表一至十一后,根据对话框“是/否存在关联关系和关联交易”的选择来判定是否填写附表十二。主表前13行“利润总额计算”的数字均取自企业会计账簿和会计报表资料。会计与税法的差异(包括收入类和扣除类、永久性和时间性)通过一张附表进行纳税调整来,集中体现。申报表的应纳税所得额的计算是按照“会计利润总额+(-)纳税调整额+境外应税所得弥补境内亏损-弥补以前年度亏损”公式设计的,即应纳税所得额等于“企业每一纳税年度的收入总额,减除不征税收入、免税收入、各项扣除以及允许弥补的以前年度亏损后的余额”。根据纳税人执行的不同会计标准,在填报年度纳税申报表有不同的要求。如第13行“利润总额”的计算,适用《企业会计准则》的企业,其数据直接取自《利润表》;实行《企业会计制度》、《小企业会计制度》等会计制度的企业,其《利润表》中项目与申报表不一致的部分,应当按照申报表要求进行填报,但调整后申报的“利润总额”应与利润表的“利润总额”一致。新一、申报主表一、报表结构介绍该表为单栏式结构。从结构上看分为三大部分:表头、表体及附列项目。其中:表头项目反映纳税人的基本信息及申报税款所属期。表体项目反映企业所得税税款的计算过程,包括利润总额、应纳税所得额、应纳税额的计算和附列资料四个部分。附列项目反映纳税申报过程中征纳双方法律责任,包括纳税人声明签章、中介机构代理签章及税务机关核受理签章三个部分。二、与其他表的关系除个别行次需通过手工填写外,其他行次是通过附表数据带入或根据表内逻辑关系计算。本期累计实际已预缴的所得税额、弥补以前年度亏损、减免所得税额等重要行次填报时,必须与主管税务机关征管系统内相应数据保持一致,否则,申报将无法通过。三、填报注意事项1、“利润总额计算”项目的填报主表中1-13行为会计利润的计算,这部分内容和新...

1、当您付费下载文档后,您只拥有了使用权限,并不意味着购买了版权,文档只能用于自身使用,不得用于其他商业用途(如 [转卖]进行直接盈利或[编辑后售卖]进行间接盈利)。
2、本站所有内容均由合作方或网友上传,本站不对文档的完整性、权威性及其观点立场正确性做任何保证或承诺!文档内容仅供研究参考,付费前请自行鉴别。
3、如文档内容存在违规,或者侵犯商业秘密、侵犯著作权等,请点击“违规举报”。

碎片内容

如何填写所得税申报表填报

您可能关注的文档

确认删除?
VIP
微信客服
  • 扫码咨询
会员Q群
  • 会员专属群点击这里加入QQ群
客服邮箱
回到顶部