电脑桌面
添加小米粒文库到电脑桌面
安装后可以在桌面快捷访问

装饰涂料涂饰工程技术交底VIP免费

装饰涂料涂饰工程技术交底_第1页
1/10
装饰涂料涂饰工程技术交底_第2页
2/10
装饰涂料涂饰工程技术交底_第3页
3/10
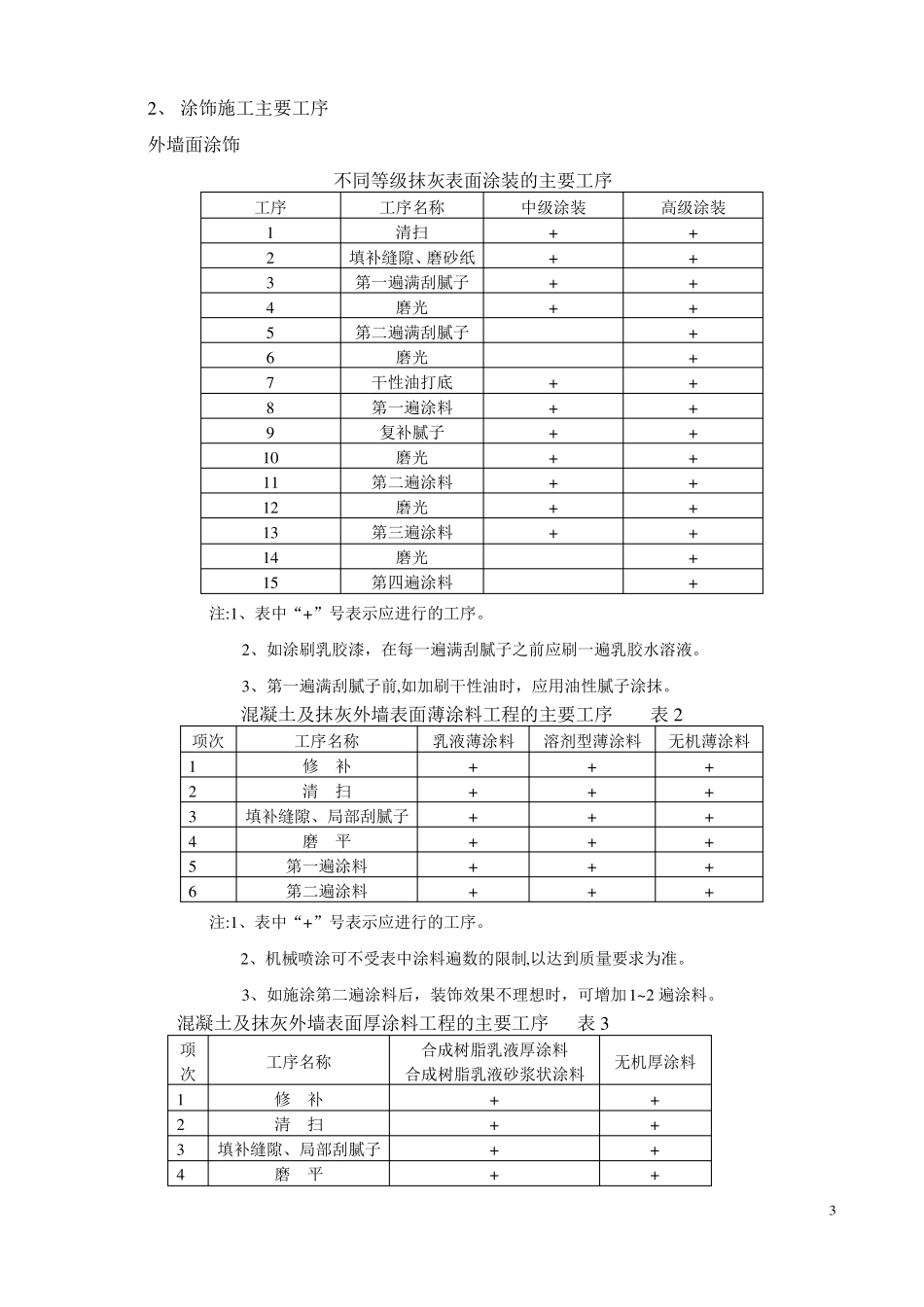
涂料涂饰工程技术交底一、基本要求1、涂饰工程应在抹灰、吊顶、细部、地面及电气工程等已完成并验收合格后进行.2、涂饰工程应优先采用绿色环保产品。3、混凝土或抹灰基层涂刷溶剂型涂料时,含水率不得大于8%;涂刷水性涂料和乳液涂料时,含水率不得大于10%.4、涂料在使用前应搅拌均匀,并应在规定的时间内用完。5、施工现场环境温度宜在5~35摄氏度之间,并应注意通风换气和防尘.6、涂料的品种、颜色应符合设计要求,并应由产品性能检测报告和产品合格证书。7、涂饰工程所用腻子的粘结强度应符合国家现行标准的有关规定。8、基层处理及要求:(1)基层表面必须坚固和无酥松、脱皮、起壳、粉化等现象;基层表面的泥土、灰尘、油污、油漆、广告等杂物脏迹,必须洗净清除.(2)混凝土及水泥砂浆抹灰基层,应满刮腻子,砂纸打光,表面应平整光滑、线角顺直。(3)纸面石膏板基层,应按设计要求对板缝、钉眼进行处理后,满刮腻子、砂纸打光。二、涂饰腻子腻子是涂料工程中不可缺少的材料,通常由涂料制造商配套生产供应,品种很多,尤其是一些专用腻子,应尽量选用现成的配套腻子较好,但在建筑施工中,也常常根据具体施工条件和对象,自行配置一些腻子。常用的各种腻子的调配见。各种常用腻子的调配方法名称材料及配比调配方法及注意事项调配时按配比将以加入动物胶的水和大白粉搅拌成糊状,拿出少量糊状大白粉与颜料搅拌使其分散均匀,然后再与原有大白粉上下充分搅拌均匀,不能使大白粉或颜料有结块现象。颜料的用量应使填孔料的颜色略浅于样板木纹表面或管孔中的颜色按配方比例将纤维素溶化,然后倒入大白粉搅拌均匀,如需增加强度和粘结力,可加入适量乳液按配比将乳液倒入大白粉内搅拌均匀。为改善1水粉腻子由大白粉、颜料、水、动物胶调配而成羧甲基纤维素腻子聚醋酸乙烯由大白粉、纤维素、清水及适量颜料组成,配比为3~4:0.1:1。5:2由聚醋酸乙烯乳液和大白粉或滑石乳液腻子粉组成,配比为:第一道腻子1:2;腻子性能,防止产生龟裂、脱落,可加入适量氯第二道腻子1:3;第三道腻子1:4偏磷酸钠和羧甲纤维素由大白粉、滑石粉、加纤维素溶液调配而成,配比为大白粉:滑石粉:纤维素溶液(浓度为5%):乳液=60:40:75:2~4由大白粉、滑石粉、加入内墙涂料为胶粘料配制而成配合比形式体积比比纤维素腻子增加了滑石粉,为了容易打磨和表面比较细腻,调配方法基本相同,滑石粉如加的多了会影响腻子附着力和强度方法与大白浆腻子基本相同.只是以内墙涂料代替乳液和纤维素用途大白浆腻子内墙涂料腻子腻子名称大白腻子及大白水泥腻子常用腻子的配方配合比例及调制1、大白粉:滑石粉:聚醋酸乙烯乳液:羧甲基混凝土表面及抹灰纤维素溶液(2%):水=100:100:5~10:面,常用于内墙适量:适量2、大白粉:滑石粉:水泥:108胶=100:100:50:20~30,适量加入甲基纤维素溶液(2%)和水大白粉:滑石粉:聚醋酸乙烯乳液、7:3:2,混凝土表面及抹灰适量加入2%羧甲基纤维素溶液面,常用于外墙大白粉:滑石粉:内墙涂料=2:2:101、水泥:108胶=100:15~20,适量加入水和羧甲基纤维素2、聚醋酸乙烯乳液:水泥:水=1:5:13、水泥:108胶:细砂=1:0.2:2。5,加入适量水聚醋酸乙烯乳液:滑石粉(或大白粉):2%羧甲基纤维素溶液=1:5:3。5内墙涂料外墙、内墙、地面、厨房、厕所墙面涂料体积比内墙涂料腻子水泥腻子体积比重量比聚醋酸乙烯乳液腻子重量比混凝土表面或抹灰三、涂饰施工1、基层处理与要求(1)新抹砂浆常温要求7d以上,现浇混凝土常温要求28d以上,方可涂饰建筑涂料,否则会出现粉化或色泽不均匀等现象.基层要求平整,但又不应太光滑。孔洞和不必要的沟槽应提前进行修补,修补材料可采用108胶加水泥(胶与水泥配比为:20:100)和适量水调成的腻子。太光滑的表面对涂料粘结性能有影响;太粗糙的表面,涂料消耗量大.(2)在喷、刷涂料前,一般要先喷、刷一道与涂料体系相适应的冲稀了的乳液,稀释了的乳液透渗能力强,可使基层坚实、干净,粘结性好并节省涂料.例如,在刷乙丙厚涂料前,应先用冲稀10倍的乙丙乳液均匀地喷、刷在基层上,干3d后再刷乙丙厚涂料。如果要在旧涂层上刷新涂料,应除去粉化、破碎、生锈、...

1、当您付费下载文档后,您只拥有了使用权限,并不意味着购买了版权,文档只能用于自身使用,不得用于其他商业用途(如 [转卖]进行直接盈利或[编辑后售卖]进行间接盈利)。
2、本站所有内容均由合作方或网友上传,本站不对文档的完整性、权威性及其观点立场正确性做任何保证或承诺!文档内容仅供研究参考,付费前请自行鉴别。
3、如文档内容存在违规,或者侵犯商业秘密、侵犯著作权等,请点击“违规举报”。

碎片内容

装饰涂料涂饰工程技术交底

您可能关注的文档

确认删除?
VIP
微信客服
  • 扫码咨询
会员Q群
  • 会员专属群点击这里加入QQ群
客服邮箱
回到顶部