电脑桌面
添加小米粒文库到电脑桌面
安装后可以在桌面快捷访问

硕泉公司安全生产管理条例VIP专享VIP免费

硕泉公司安全生产管理条例_第1页
1/28
硕泉公司安全生产管理条例_第2页
2/28
硕泉公司安全生产管理条例_第3页
3/28
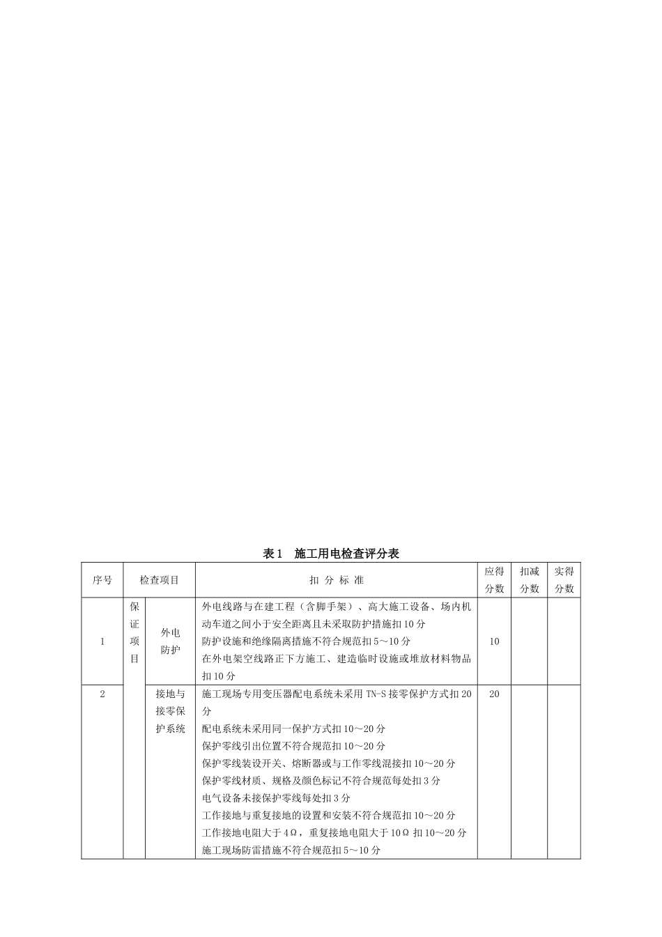
硕泉公司安全生产管理条例1安全生产责任制1)工程项目部应建立以项目经理为第一责任人的各级管理人员安全生产责任制;2)安全生产责任制应经责任人签字确认;3)工程项目部应有各工种安全技术操作规程;4)工程项目部应按规定配备专职安全员;5)对实行经济承包的工程项目,承包合同中应有安全生产考核指标;6)工程项目部应制定安全生产资金保障制度;7)按安全生产资金保障制度,应编制安全资金使用计划,并应按计划实施;8)工程项目部应制定以伤亡事故控制、现场安全达标、文明施工为主要内容的安全生产管理目标;9)按安全生产管理目标和项目管理人员的安全生产责任制,应进行安全生产责任目标分解;10)应建立对安全生产责任制和责任目标的考核制度;11)按考核制度,应对项目管理人员定期进行考核。2安全技术交底(详见附件安全技术交底记录)1)施工负责人在分派生产任务时,应对相关管理人员、施工作业人员进行书面安全技术交底;2)安全技术交底应按施工工序、施工部位、施工栋号分部分项进行;3)安全技术交底应结合施工作业场所状况、特点、工序,对危险因素、施工方案、规范标准、操作规程和应急措施进行交底;4)安全技术交底应由交底人、被交底人、专职安全员进行签字确认。3安全检查(详见附件安全检查评分表)1)工程项目部应建立安全检查制度;2)安全检查应由项目负责人组织,专职安全员及相关专业人员参加,定期进行并填写检查记录;3)对检查中发现的事故隐患应下达隐患整改通知单,定人、定时间、定措施进行整改。重大事故隐患整改后,应由相关部门组织复查4安全教育1)工程项目部应建立安全教育培训制度;2)当施工人员入场时,工程项目部应组织进行以国家安全法律法规、企业安全制度、施工现场安全管理规定及各工种安全技术操作规程为主要内容的三级安全教育培训和考核;3)当施工人员变换工种或采用新技术、新工艺、新设备、新材料施工时,应进行安全教育培训;4)施工管理人员、专职安全员每年度应进行安全教育培训和考核。5应急救援1)工程项目部应针对工程特点,进行重大危险源的辨识。应制定防触电、防坍塌、防高处坠落、防起重及机械伤害、防火灾、防物体打击等主要内容的专项应急救援预案,并对施工现场易发生重大安全事故的部位、环节进行监控;2)施工现场应建立应急救援组织,培训、配备应急救援人员,定期组织员工进行应急救援演练;3)按应急救援预案要求,应配备应急救援器材和设备。6分包单位、班组安全管理1)工程项目部应对承揽分包工程的分包单位、班组进行资质、安全生产许可证和相关人员安全生产资格的审查;2)当与分包单位、班组签订分包合同时,应签订安全生产协议书,明确双方的安全责任;3)分包单位、班组应按规定建立安全机构,配备专职安全员。7持证上岗1)从事建筑施工的项目经理、专职安全员和特种作业人员,必须经行业主管部门培训考核合格,取得相应资格证书,方可上岗作业;2)项目经理、专职安全员和特种作业人员应持证上岗。8生产安全事故处理1)当施工现场发生生产安全事故时,工程项目部应按规定及时报告;2)工程项目部应按规定对生产安全事故进行调查分析,制定防范措施;3)应依法为施工作业人员办理保险。9安全标志1)施工现场入口处及主要施工区域、危险部位应设置相应的安全警示标志牌;2)施工现场应绘制安全标志布置图;3)应根据工程部位和现场设施的变化,调整安全标志牌设置;4)施工现场应设置重大危险源公示牌。表1施工用电检查评分表序号检查项目扣分标准应得分数扣减分数实得分数1保证项目外电防护外电线路与在建工程(含脚手架)、高大施工设备、场内机动车道之间小于安全距离且未采取防护措施扣10分防护设施和绝缘隔离措施不符合规范扣5~10分在外电架空线路正下方施工、建造临时设施或堆放材料物品扣10分102接地与接零保护系统施工现场专用变压器配电系统未采用TN-S接零保护方式扣20分配电系统未采用同一保护方式扣10~20分保护零线引出位置不符合规范扣10~20分保护零线装设开关、熔断器或与工作零线混接扣10~20分保护零线材质、规格及颜色标记不符合规范每处扣3分电气设备未接保护零线每处扣3分...

1、当您付费下载文档后,您只拥有了使用权限,并不意味着购买了版权,文档只能用于自身使用,不得用于其他商业用途(如 [转卖]进行直接盈利或[编辑后售卖]进行间接盈利)。
2、本站所有内容均由合作方或网友上传,本站不对文档的完整性、权威性及其观点立场正确性做任何保证或承诺!文档内容仅供研究参考,付费前请自行鉴别。
3、如文档内容存在违规,或者侵犯商业秘密、侵犯著作权等,请点击“违规举报”。

碎片内容

硕泉公司安全生产管理条例

确认删除?
VIP
微信客服
  • 扫码咨询
会员Q群
  • 会员专属群点击这里加入QQ群
客服邮箱
回到顶部