电脑桌面
添加小米粒文库到电脑桌面
安装后可以在桌面快捷访问

塑料包装有限公司废气治理方案VIP免费

塑料包装有限公司废气治理方案_第1页
1/12
塑料包装有限公司废气治理方案_第2页
2/12
塑料包装有限公司废气治理方案_第3页
3/12
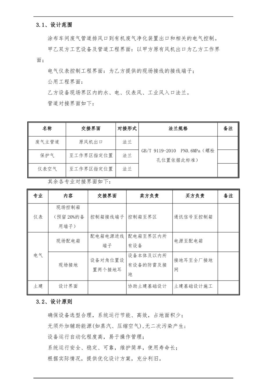
前言根据贵方提供的废气参数,我方对其生产工艺及产生的污染物特性进行认真的分析,确定采用我司的R-AD-CTO-4型有机废气净化装置。该装置适用于净化处理常温、大风量、中、低浓度的有机废气,可处理的有机溶剂包括烃类、醇类、烷烃类、醚类和其混合类。可广泛应用于汽车、飞机制造、造船、摩托车、集装箱、家用电器、电子产品、钢琴、工程机械、钢结构生产的喷漆、涂布车间的有机废气净化,也可与制鞋粘胶、印铁制罐、化工塑料、印刷油墨、电缆、漆包线等配套使用。+我公司生产的R+-AD-CTO-4型有机废气净化装置采用蜂窝状活性碳吸附浓缩+催化燃烧原理处理大风量,中低浓度有机废气已有多年的生产经验并成功地用第一部分概述一、项目概述根据贵方提供的有关资料,处理对象为废旧塑料再生回收加工产生的有机废气,其主要成份:热熔挤出工序产生的非甲烷总烃,在生产车间中产生刺鼻的味道。该废气若不经处理直接排入大气,不仅会对作业人员产生身体危害,还会污染周围的环境,同时对企业的形象也会造成一定的影响,为此必须进行处理。针对贵公司的废气,结合贵公司的要求及我公司长期治理废气的经验,设计一套完整的处理方案,供业主及环保局审查;基本参数如下:根据贵方提供的有关数据:(1)废气源:热熔挤出工序产生的非甲烷总烃(2)废气风量:30000m³/h(一条线16100m3/h,一条线5900m3/h,预留一条线5500m3/h合并)(3)进气温度:40-45℃(夏季),30-35℃(冬季)(4)有机废气浓度:≤350mg/m³二、设计依据及排放标准《中华人民共和国环境保护法》《中华人民共和国大气污染物防治法》《大气污染物综合排放标准》(GB16297-1996)表2中的(国家二级,排气筒标高15m,废气排放执行新)排放标准备注无组织排放污染物最高允许最高允许排放速率排放浓度(mg/m3)(kg/h)排气筒(m)监控浓度限值(mg/m3)二级0.50苯1215150.402.40甲苯40703.11.0二甲苯15151.204.0非甲烷总烃12010.0《三废设计手册》;《工业废气吸附净化装置》(HCRJ037-1998)《工业企业厂界噪声标准》(GB12348-90)《环境工程设计手册》(废气污染防治卷)《涂布作业安全规程有机废气净化装置安全技术规定》GB20101-200《工业企业噪声控制设计规范》(GB/T50087-2013)《工业企业设计卫生标准》(GBZ1-2010)《工业企业厂界环境噪声排放标准》GB12348-2008《化工管道设计规范》HG20695-1987《石油化工管道布置设计通则》SH3012-2000《仪表供气设计规定》HG/T20510-2014《信号报警、安全联锁系统设计规定》HG20511-2014《仪表系统接地设计规定》HG20513-2014《化工企业静电接地设计规程》HGJ28-90《化工设备、管道外防腐设计规定》HGJ34-90《通用用电设备配电设计规范》GB50056《建筑防雷设计规范》GB50057-94《工业企业照明设计标准》GB50034《爆炸和火灾危险环境电力装置设计规范》GB50058《烟囱设计规范》(GB50051-2013)三、设计范围与原则3.1、设计范围涂布车间废气管道排风口到有机废气净化装置出口和相关的电气控制。甲乙双方工艺设备及管道工程界面:以甲方原有风机出口为乙方工作界面;电气仪表控制工程界面:为乙方提供的现场接线的接线端子;公用工程界面:乙方设备现场界区内的水、电、仪表风、工业风入口法兰。管道对接界面如下:名称废气主管道保护气仪表空气交接界面原风机出口至工作界区指定位置至工作界区指定位置对接形式法兰法兰法兰GB/T9119-2010PN0.6MPa(螺栓孔位置依据此标准)法兰规格备注其余各专业对接界面如下:专业内容现场控制箱仪表(预留20%的备用端子)现场配电箱电气现场接地设备对角位置设置两个接地耳配电箱电源进线配电箱至界区内所端子有设备设备本体及以内所有设备的防雷及接地电源至配电箱控制箱接线端子控制箱至界区通讯信号至控制箱交接界面卖方负责买方负责备注接地耳至全厂接地网土建设计界面协助土建基础设计土建基础设计施工3.2、设计原则确保设备选型合理,系统运行节能、高效,占地面积少;无须外加辅助能源(如蒸汽、压缩空气),无二次污染产生;设备运行自动化程度高,易于操作管理;系统运行安全、稳定、可靠,维护简单,使用寿命长;根据实际情况,提供优化设计方...

1、当您付费下载文档后,您只拥有了使用权限,并不意味着购买了版权,文档只能用于自身使用,不得用于其他商业用途(如 [转卖]进行直接盈利或[编辑后售卖]进行间接盈利)。
2、本站所有内容均由合作方或网友上传,本站不对文档的完整性、权威性及其观点立场正确性做任何保证或承诺!文档内容仅供研究参考,付费前请自行鉴别。
3、如文档内容存在违规,或者侵犯商业秘密、侵犯著作权等,请点击“违规举报”。

碎片内容

塑料包装有限公司废气治理方案

爱的疯狂+ 关注
实名认证
内容提供者

该用户很懒,什么也没介绍

确认删除?
VIP
微信客服
  • 扫码咨询
会员Q群
  • 会员专属群点击这里加入QQ群
客服邮箱
回到顶部