电脑桌面
添加小米粒文库到电脑桌面
安装后可以在桌面快捷访问

地面砖面层工程检验批质量验收记录表VIP免费

地面砖面层工程检验批质量验收记录表_第1页
1/8
地面砖面层工程检验批质量验收记录表_第2页
2/8
地面砖面层工程检验批质量验收记录表_第3页
3/8
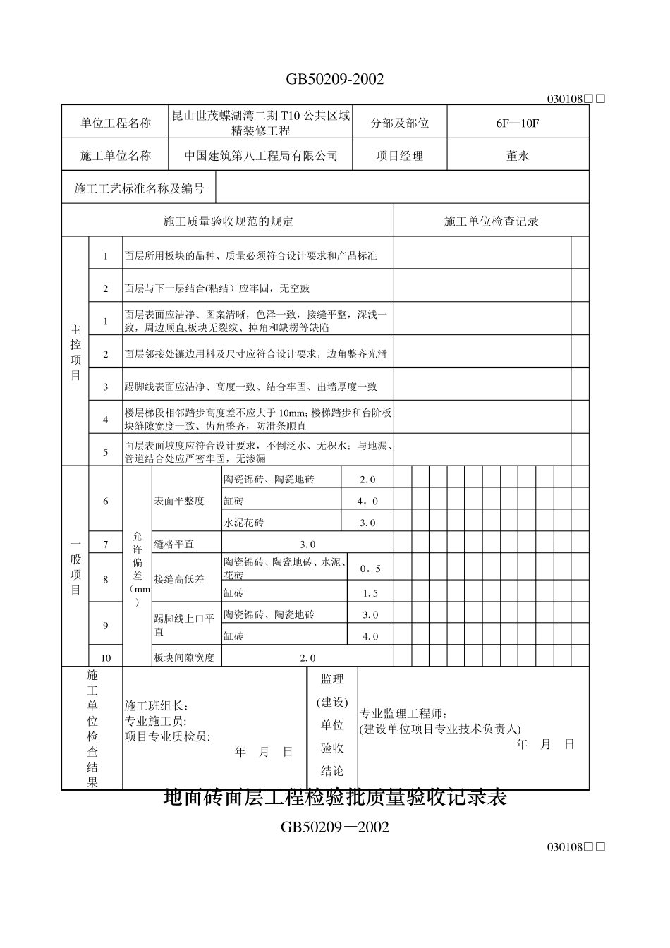
地面砖面层工程检验批质量验收记录表GB50209-2002030108□□单位工程名称施工单位名称昆山世茂蝶湖湾二期T10公共区域精装修工程中国建筑第八工程局有限公司分部及部位项目经理施工单位检查记录0.51。53。04。02F—5F董永施工工艺标准名称及编号施工质量验收规范的规定1212345面层所用板块的品种、质量必须符合设计要求和产品标准面层与下一层结合(粘结)应牢固,无空鼓面层表面应洁净、图案清晰,色泽一致,接缝平整,深浅一致,周边顺直。板块无裂纹、掉角和缺楞等缺陷面层邻接处镶边用料及尺寸应符合设计要求,边角整齐光滑踢脚线表面应洁净、高度一致、结合牢固、出墙厚度一致楼层梯段相邻踏步高度差不应大于10mm;楼梯踏步和台阶板块缝隙宽度一致、齿角整齐,防滑条顺直面层表面坡度应符合设计要求,不倒泛水、无积水;与地漏、管道结合处应严密牢固,无渗漏陶瓷锦砖、陶瓷地砖6表面平整度缸砖水泥花砖2。04.03。03.0陶瓷锦砖、陶瓷地砖、水泥、花砖缸砖主控项目一般项目78允缝格平直许偏差接缝高低差(mm)910踢脚线上口平陶瓷锦砖、陶瓷地砖直缸砖板块间隙宽度2.0施工单位检查结果监理施工班组长:专业施工员:项目专业质检员:年月日(建设)单位验收结论专业监理工程师:(建设单位项目专业技术负责人)年月日地面砖面层工程检验批质量验收记录表GB50209-2002030108□□单位工程名称施工单位名称昆山世茂蝶湖湾二期T10公共区域精装修工程中国建筑第八工程局有限公司分部及部位项目经理施工单位检查记录6F—10F董永施工工艺标准名称及编号施工质量验收规范的规定1212345面层所用板块的品种、质量必须符合设计要求和产品标准面层与下一层结合(粘结)应牢固,无空鼓面层表面应洁净、图案清晰,色泽一致,接缝平整,深浅一致,周边顺直.板块无裂纹、掉角和缺楞等缺陷面层邻接处镶边用料及尺寸应符合设计要求,边角整齐光滑踢脚线表面应洁净、高度一致、结合牢固、出墙厚度一致楼层梯段相邻踏步高度差不应大于10mm;楼梯踏步和台阶板块缝隙宽度一致、齿角整齐,防滑条顺直面层表面坡度应符合设计要求,不倒泛水、无积水;与地漏、管道结合处应严密牢固,无渗漏陶瓷锦砖、陶瓷地砖6表面平整度缸砖水泥花砖2.04。03.03.0陶瓷锦砖、陶瓷地砖、水泥、0。5花砖缸砖1.53.04.0主控项目一般项目78允缝格平直许偏差接缝高低差(mm)910踢脚线上口平陶瓷锦砖、陶瓷地砖直缸砖板块间隙宽度2.0施工单位检查结果监理施工班组长:专业施工员:项目专业质检员:年月日(建设)单位验收结论专业监理工程师:(建设单位项目专业技术负责人)年月日地面砖面层工程检验批质量验收记录表GB50209—2002030108□□单位工程名称施工单位名称昆山世茂蝶湖湾二期T10公共区域精装修工程中国建筑第八工程局有限公司分部及部位项目经理施工单位检查记录0.51。53。04。011F—15F董永施工工艺标准名称及编号施工质量验收规范的规定1212345面层所用板块的品种、质量必须符合设计要求和产品标准面层与下一层结合(粘结)应牢固,无空鼓面层表面应洁净、图案清晰,色泽一致,接缝平整,深浅一致,周边顺直。板块无裂纹、掉角和缺楞等缺陷面层邻接处镶边用料及尺寸应符合设计要求,边角整齐光滑踢脚线表面应洁净、高度一致、结合牢固、出墙厚度一致楼层梯段相邻踏步高度差不应大于10mm;楼梯踏步和台阶板块缝隙宽度一致、齿角整齐,防滑条顺直面层表面坡度应符合设计要求,不倒泛水、无积水;与地漏、管道结合处应严密牢固,无渗漏陶瓷锦砖、陶瓷地砖6表面平整度允许缝格平直偏差接缝高低差(mm)缸砖水泥花砖2。04.03。03.0陶瓷锦砖、陶瓷地砖、水泥、花砖缸砖主控项目一般项目78910踢脚线上口平陶瓷锦砖、陶瓷地砖直缸砖板块间隙宽度2.0施工单位检查结果监理施工班组长:专业施工员:项目专业质检员:年月日(建设)单位验收结论专业监理工程师:(建设单位项目专业技术负责人)年月日地面砖面层工程检验批质量验收记录表GB50209—2002030108□□单位工程名称昆山世茂蝶湖湾二期T10公共区域精装修工程分部及部位16F—20F施工单位名称中国建筑第八工程局有限公司项目经理董永施工工艺标准名称及编号施工质量验收规范的规定121234...

1、当您付费下载文档后,您只拥有了使用权限,并不意味着购买了版权,文档只能用于自身使用,不得用于其他商业用途(如 [转卖]进行直接盈利或[编辑后售卖]进行间接盈利)。
2、本站所有内容均由合作方或网友上传,本站不对文档的完整性、权威性及其观点立场正确性做任何保证或承诺!文档内容仅供研究参考,付费前请自行鉴别。
3、如文档内容存在违规,或者侵犯商业秘密、侵犯著作权等,请点击“违规举报”。

碎片内容

地面砖面层工程检验批质量验收记录表

您可能关注的文档

确认删除?
VIP
微信客服
  • 扫码咨询
会员Q群
  • 会员专属群点击这里加入QQ群
客服邮箱
回到顶部