电脑桌面
添加小米粒文库到电脑桌面
安装后可以在桌面快捷访问

反弯点法及D值法设计题VIP免费

反弯点法及D值法设计题_第1页
1/6
反弯点法及D值法设计题_第2页
2/6
反弯点法及D值法设计题_第3页
3/6
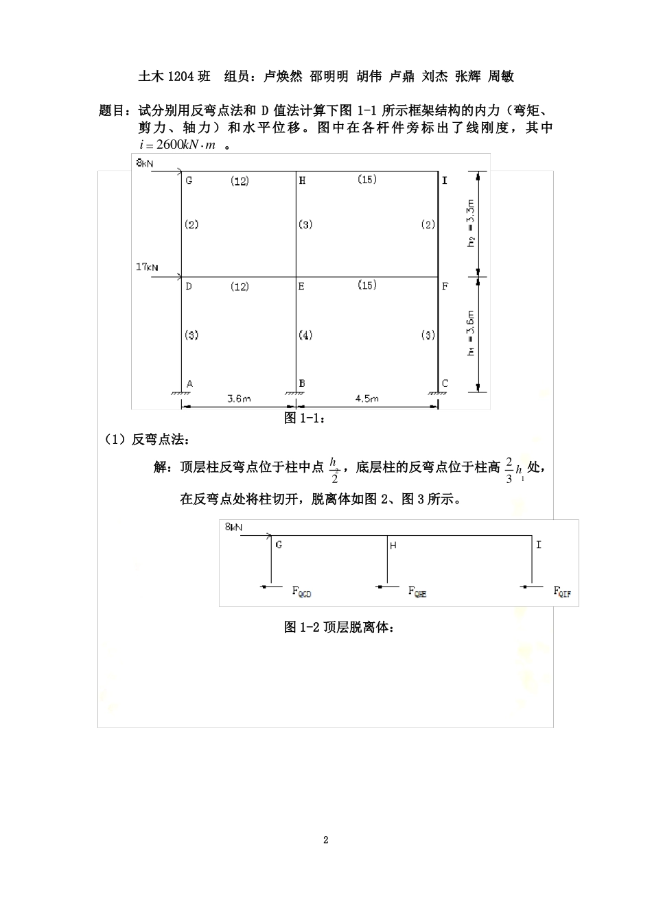
反弯点法及D值法设计题土木1204班组员:卢焕然邵明明胡伟卢鼎刘杰张辉周敏题目:试分别用反弯点法和D值法计算下图1-1所示框架结构的内力(弯矩、剪力、轴力)和水平位移。图中在各杆件旁标出了线刚度,其中i2600kNm。图1-1:(1)反弯点法:解:顶层柱反弯点位于柱中点h22,底层柱的反弯点位于柱高h1处,23在反弯点处将柱切开,脱离体如图2、图3所示。图1-2顶层脱离体:234②求个柱反弯点高度yh:K6,y0I1I3y0.450K9,y0I1I3y0.450121,y10,y212121,y30120.45000.4512151,y10,y21215121,y30120.45000.45K4,y0I1I3y0.550K6.75,y0I1I3y0.5003.30.92,y10,y23.6121,y30120.55000.55121,y10,y212121,y30120.50000.50③求各柱的杆端弯矩:第二层:M上=2.16(1-0.45)3.3=3.78M上=3.55(1-0.45)3.3=5.64M下=2.16第一层:0.43.3=3.78M下=3.550.453.3=5.64M上=7.08(10.6)3.69.0M上=10.46(10.55)3.612.0M下=7.080.63.6=18.0M下=10.460.553.6=24.0④绘制各横梁与柱的弯矩图:53.7883.782.515.643.783.78173.78912.78183.137.84125.649.824612.7893.7818

1、当您付费下载文档后,您只拥有了使用权限,并不意味着购买了版权,文档只能用于自身使用,不得用于其他商业用途(如 [转卖]进行直接盈利或[编辑后售卖]进行间接盈利)。
2、本站所有内容均由合作方或网友上传,本站不对文档的完整性、权威性及其观点立场正确性做任何保证或承诺!文档内容仅供研究参考,付费前请自行鉴别。
3、如文档内容存在违规,或者侵犯商业秘密、侵犯著作权等,请点击“违规举报”。

碎片内容

反弯点法及D值法设计题

您可能关注的文档

确认删除?
VIP
微信客服
  • 扫码咨询
会员Q群
  • 会员专属群点击这里加入QQ群
客服邮箱
回到顶部