电脑桌面
添加小米粒文库到电脑桌面
安装后可以在桌面快捷访问

优质结构工程申报表VIP专享VIP免费

优质结构工程申报表_第1页
1/11
优质结构工程申报表_第2页
2/11
优质结构工程申报表_第3页
3/11
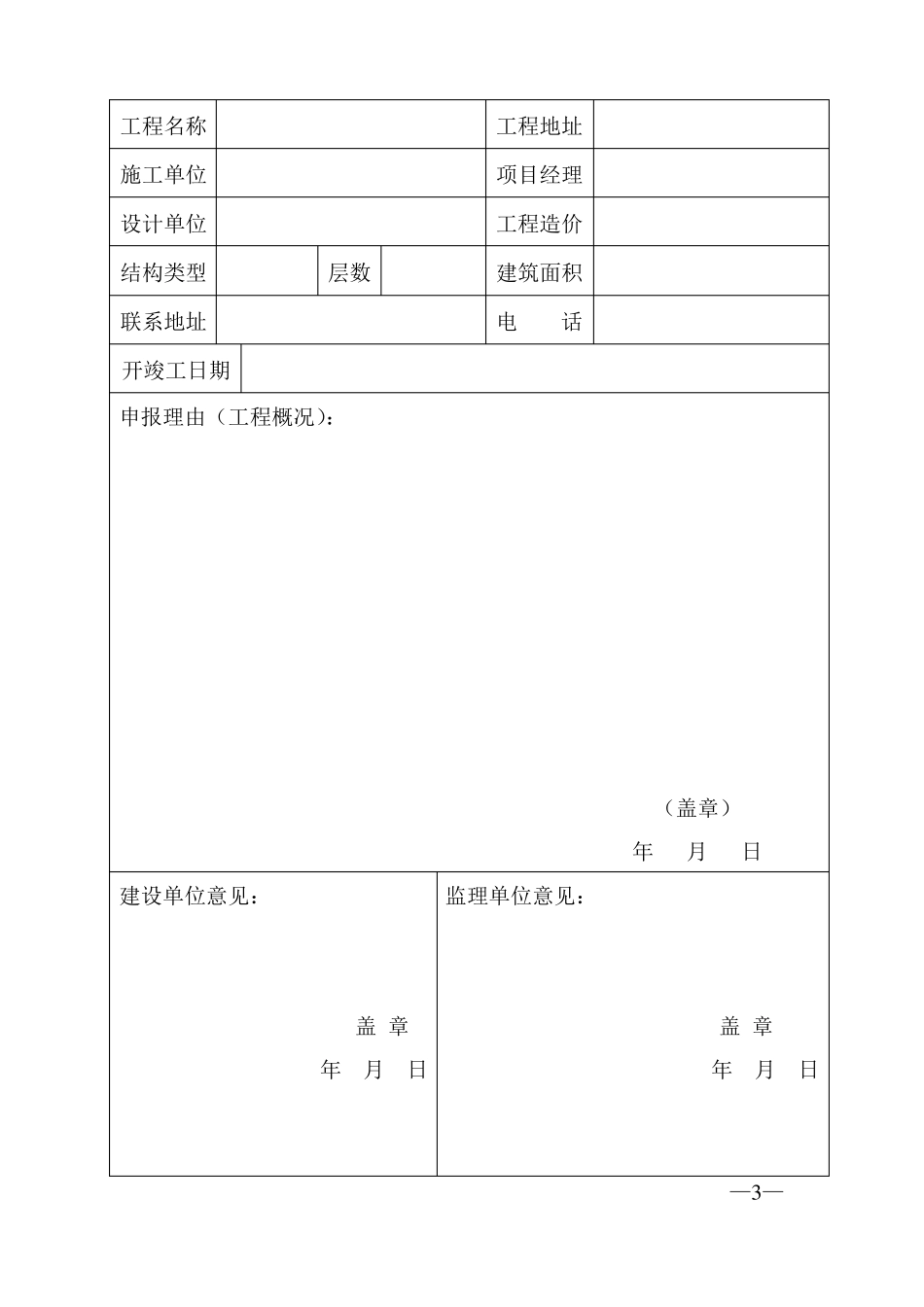
附件1创建优质结构工程申请表工程名称工程地点建设单位监理单位勘察单位设计单位施工单位项目经理质量检查员结构类型基础类型开工日期层数、类型证号证号建筑面积工程造价计划主体完工日期电话电话M2万元年月日申请理由(拟采取技术措施,新材料新工艺等情况),创优措施、工程概况项目经理:(盖章)年月日总监理工程师:(盖章)年月日建设单位项目负责人:(盖章)年月日—1—附件2—2—XX市优质结构工程申报表工程名称申报企业(盖章)申报日期XX市城乡建设局制工程名称施工单位设计单位结构类型联系地址开竣工日期申报理由(工程概况):层数工程地址项目经理工程造价建筑面积电话(盖章)年月日建设单位意见:盖章年月日监理单位意见:盖章年月日—3—工程所在地质监站意见:(盖章)年月日县(市)区建设局意见:(盖章)年月日专家组检查意见:负责人(签字):年月日XX市优质结构工程评审工作办公室意见:(盖章)年月日—4—工程照片(5寸或7寸)—5—附件3优质结构工程观感质量检查表序号名称目测内容抽查质量情况好一、混凝土部分1混凝土外表混凝土外形连接部位施工缝楼梯踏步2墙体开槽墙体开槽应做到顺直墙体转角处和内外墙交接处应同3接槎时砌筑;墙体临时间断处应砌成斜槎,普通砖斜槎长度比不小于2/3不同干密度和强度等级的加气混4混砌现象马牙槎留设灰缝砌筑错缝凝土砌块不得混砌,也不得和其他砖、砌块混砌567应符合规范要求施工缝无夹渣、无裂缝相邻踏步高低差应小于10mm构件连接处钢筋、连接件无松动混凝土构件表面不应有麻面、掉皮、起砂、沾污、露筋、蜂窝、孔洞、夹渣、不密实、裂缝等混凝土构件不应有缺棱掉角检查结果一般差2345二、砌体部分1砌体外观砌体结构不应产生裂缝砌体灰缝应横平竖直、厚薄均匀砌体砌筑应上下错缝外形均匀、成型完好,焊道过渡平滑,焊渣和飞溅物清除干净1高强度螺栓连接副拧紧后,螺栓丝扣外露为2-3扣,外露丝扣基本一致2高强度螺栓连接磨擦面应保持干燥、整洁,不应有飞边、毛刺、三、钢结构1焊缝2高强度螺栓—6—焊接飞溅物、焊疤、氧化铁皮、污垢等,除设计要求外磨擦面不应涂漆1钢材切割面或剪切面应无裂纹、夹渣、分层3钢结构2矫正后的钢材表面不应有明显的凹面或损伤3钢结构表面应干净,结构主要表面不应有疤痕、泥沙结和污垢1钢网架结构安装完成后,其节点4钢网架结构及杆件表面应干净,不应有明显的疤痕、泥沙结和污垢2螺栓球成型后,不应有裂纹及褶皱压型金属板表面基板不应有裂5压型金属板缝,涂、镀层不应有肉眼可见的裂纹、剥落和擦痕,安装应平整、顺直,无污染,栓钉搭接锚固可靠构件表面油漆不应误涂、漏涂,6普通涂层涂层不应脱皮和返锈。涂层应均匀,无明显皱皮、流坠、针眼和气泡防火漆料不应有误涂、漏涂,涂7防火涂层层应闭合,无脱层、空鼓、明显凹陷、粉化松散和浮浆施工单位:检查结果年月日监理(建设)单位:年月日—7—附件4优质结构工程实体质量实测实量检查记录表表C.0.1混凝土现浇结构(层次:)实测项目允许偏差(mm)实测数值(mm)1混凝土柱每层垂直度82混凝土表面平整度83混凝土截面尺寸(柱、梁、墙)轴线位置(剪力墙)每层楼面标高混凝土现浇板厚度钢筋保护层梁板+8,-548(5)+1056+8,-5+10,-7+8,-57检查人员:年月日总测点合格率:%—8—表C.0.2砌体结构(层次:)实测项目砌体每层垂直度全高垂直度砌砖、混凝土小型空砌体心砌块表面蒸压加气混凝土砌2平整块度清水墙砌砖水平灰缝厚度10mm混凝土小型空心砌块水平灰缝厚度10mm3砌体灰缝垂直灰缝宽度10mm水平灰缝平直度混水墙10m内清水墙砖砌体门窗洞口砌体混凝土小型空心砌4门窗块门窗洞口宽度洞口加气混凝土砌块门窗洞口宽度5轴线位置允许偏差(mm)510865±2±2±2107±5±5+10,-510实测数值1垂直度—9—67楼面层高外墙砌体砂浆灰缝密实度±15≥90%总测点合格率:%检查人员:年月日表C.0.3钢结构(层次:)1234实测项目基础柱的定位轴线基础上柱底标高地脚螺栓(锚栓)位移单节柱的垂直度跨中的垂屋(托)直度架,桁架及受压杆侧向弯曲件夭高f允许偏差(mm)1.0±2.02.0H/1000,且不应大于10.0H/250,且不大于10.0H/1000,L≤30m,不大...

1、当您付费下载文档后,您只拥有了使用权限,并不意味着购买了版权,文档只能用于自身使用,不得用于其他商业用途(如 [转卖]进行直接盈利或[编辑后售卖]进行间接盈利)。
2、本站所有内容均由合作方或网友上传,本站不对文档的完整性、权威性及其观点立场正确性做任何保证或承诺!文档内容仅供研究参考,付费前请自行鉴别。
3、如文档内容存在违规,或者侵犯商业秘密、侵犯著作权等,请点击“违规举报”。

碎片内容

优质结构工程申报表

确认删除?
VIP
微信客服
  • 扫码咨询
会员Q群
  • 会员专属群点击这里加入QQ群
客服邮箱
回到顶部