电脑桌面
添加小米粒文库到电脑桌面
安装后可以在桌面快捷访问

水泥稳定碎石基层施工危险源辨识及风险评价VIP免费

水泥稳定碎石基层施工危险源辨识及风险评价_第1页
1/7
水泥稳定碎石基层施工危险源辨识及风险评价_第2页
2/7
水泥稳定碎石基层施工危险源辨识及风险评价_第3页
3/7
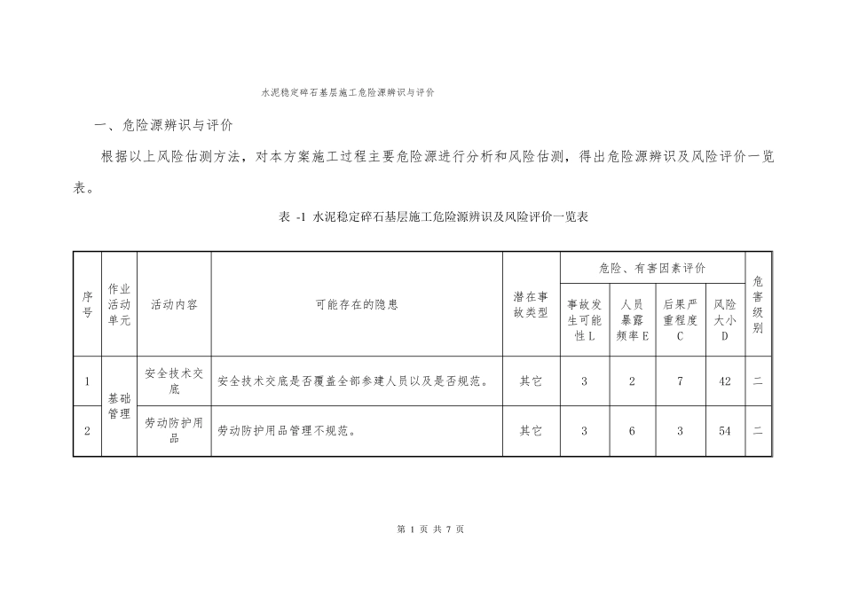
水泥稳定碎石基层施工危险源辨识与评价一、危险源辨识与评价根据以上风险估测方法,对本方案施工过程主要危险源进行分析和风险估测,得出危险源辨识及风险评价一览表。表-1水泥稳定碎石基层施工危险源辨识及风险评价一览表危险、有害因素评价作业序活动号单元活动内容可能存在的隐患潜在事事故发故类型生可能性L人员后果严暴露重程度频率EC风险大小D危害级别1基础管理2安全技术交底劳动防护用品安全技术交底是否覆盖全部参建人员以及是否规范。其它32742二劳动防护用品管理不规范。其它36354二第1页共7页3职业健康管理未按规定组织员工进行职业健康体检。其它机械伤害其它机械伤害16742二456一般规定施工中,机械设备操作手擅自离开操作台。场出入口、沿线各交叉等处未设明显警示、警告标志。机械设备停放位置不平整,周围未设置明显的警示标志,夜间未设警示灯。111101010777707070三三三7路面工程8夜间施工,现场作业人员未穿反光服,路口、危险路机械伤段和桥头引道未设警示灯或反光标志,施工设备无照害明设备和明显的警示标志,照明不满足夜间施工要求。拌合作业开机前未警示,拌和机前站人,拌合过程中人员跨越皮带或调整皮带运输机混合料运输未按指定路线行走,超载、超速,卸料升斗时,人员在车斗正下方停留机械伤害车辆伤害310390三36354二9基层与底基层施工367126三10整平和摊铺作业未临时封闭交通、设明显的警示标志,交通事下承层内的各类检查井口未封盖,设备之间未保持安故全距离33763二第2页共7页11多台压路机同时作业时,各机械之间未保持安全距离机械伤害机械伤害机械伤害33763二12作业人员在行驶机械后方清除轮上黏附物33327二13碾压区内人员随意进入33327二14151617181920临时用电发电机功率小于用电设备功率;发电机固定不牢;配电箱配置不符合要求配电箱固定不牢配电系统未按“三级配电、二级防护”进行设置用电设备未做到“一机一闸一漏一箱”电路配置与用电设备功率不匹配非专业电工进行操作电缆线防磨损、防水、防断、绝缘强度不够;线路老化或电缆线破损触电触电触电触电触电触电触电0.51110.510.5666666677151515151521429090459045二二三三二三二第3页共7页2122232425262728施工机械设备电缆线未按规范要求敷设或架起;随意拖拽电缆,物料随意压盖电缆违规检修电路;用电设备雨后未检查就使用用电设备雨天未进行防雨遮盖;潮湿或特别潮湿场所,未选用密闭型防水照明器用电设备未有效接地潮湿的孔下照明电源电压大于12V作业人员没有按规定穿戴绝缘防护带电体掉入水中或碰触到施工机械设备未制定施工机械设备安全技术操作规程,未建立设备安全技术档案施工机械设备进场前未查验机械设备证件、性能、状况,未对操作人员进行安全技术交底现场运输车辆带病上路,车身未设置反光警示标识触电触电触电触电触电触电触电机械伤害机械伤害交通事故10.511110.516666101061071571515157742454290二二二三150三150三2170二二29131545二3016742二第4页共7页31小型机具无出厂合格证和操作说明书机械伤害机械伤害雷击等其它110770二323334特殊季节与特35殊环境施工36雨季夜间作业人员不了解机具性能未熟悉掌握安全操作常识雷雨时,未停止露天作业夜间施工时,作业场所未设置照明设备,照度不满足施工要求作业时间未避开高温时段,必须在高温条件下的施工作业未采取防暑降温措施在建工程、施工机械设备、临时设施、生活和办公用房未做防风加固,排水沟渠不通畅11361010715342二150三90三高温施工中暑310390三台风季节自然灾害310390三二、风险分析及结论根据水泥稳定碎石基层施工危险源辨识及风险评价一览表可知,显著以上危险的有15项,主要潜在事故类型:触电、机械伤害、中暑、自然灾害,其中三级风险15项,需要制定针对性安全措施。表2显著危害因素清单及控制措施表第5页共7页序作业活活动号动单元内容123危害因素潜在事故类型危害级别三三三控制措施施工中,机械设备操作手不得擅自离开操作台场出入口、沿线各交叉等处设置明显警示、警告标志机械设备停放在平整的位置,周围设置明显的警示标志,夜间设警示灯夜间施工,现场作业人员必须穿着反光服,路口、危险路段...

1、当您付费下载文档后,您只拥有了使用权限,并不意味着购买了版权,文档只能用于自身使用,不得用于其他商业用途(如 [转卖]进行直接盈利或[编辑后售卖]进行间接盈利)。
2、本站所有内容均由合作方或网友上传,本站不对文档的完整性、权威性及其观点立场正确性做任何保证或承诺!文档内容仅供研究参考,付费前请自行鉴别。
3、如文档内容存在违规,或者侵犯商业秘密、侵犯著作权等,请点击“违规举报”。

碎片内容

水泥稳定碎石基层施工危险源辨识及风险评价

您可能关注的文档

确认删除?
VIP
微信客服
  • 扫码咨询
会员Q群
  • 会员专属群点击这里加入QQ群
客服邮箱
回到顶部