电脑桌面
添加小米粒文库到电脑桌面
安装后可以在桌面快捷访问

高效建造施工策划VIP免费

高效建造施工策划_第1页
1/16
高效建造施工策划_第2页
2/16
高效建造施工策划_第3页
3/16
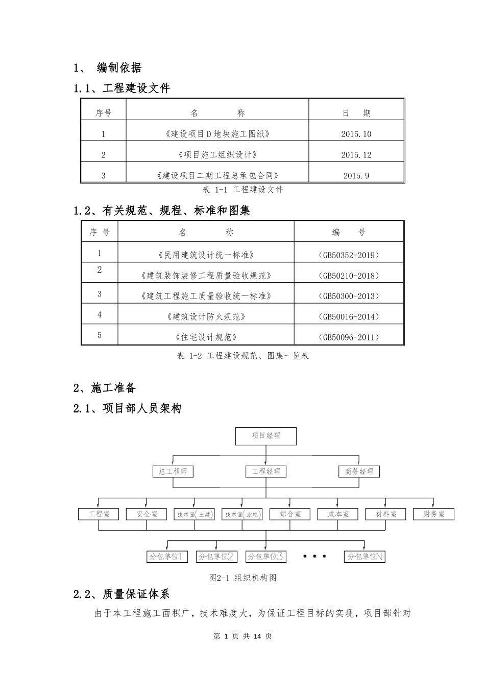
高效建造实施策划编制人:审批人:编制日期:2021年6月19日目录1、编制依据............................................................................................................................11.1、工程建设文件..........................................................................................................11.2、有关规范、规程、标准和图集...............................................................................12、施工准备..............................................................................................................................12.1、项目部人员架构......................................................................................................12.2、质量保证体系..........................................................................................................13、高效建造简介......................................................................................................................23.1、高效建造的概念......................................................................................................23.2、高效建造的原则......................................................................................................23.3、高效建造的基本要求..............................................................................................24、实施条件策划......................................................................................................................34.1、高效策划..................................................................................................................34.2、前置任务..................................................................................................................54.3、具体施工流程..........................................................................................................54.4、装修施工部署..........................................................................................................85、劳动力组织........................................................................................................................106、大型机械进场计划............................................................................................................141、编制依据1.1、工程建设文件序号123名称《建设项目D地块施工图纸》《项目施工组织设计》《建设项目二期工程总承包合同》表1-1工程建设文件日期2015.102015.122015.91.2、有关规范、规程、标准和图集序号1名称《民用建筑设计统一标准》《建筑装饰装修工程质量验收规范》《建筑工程施工质量验收统一标准》《建筑设计防火规范》《住宅设计规范》表1-2工程建设规范、图集一览表编号(GB50352-2019)(GB50210-2018)(GB50300-2013)(GB50016-2014)(GB50096-2011)23452、施工准备2.1、项目部人员架构图2-1组织机构图2.2、质量保证体系由于本工程施工面积广,技术难度大,为保证工程目标的实现,项目部针对第1页共14页工程情况建立完善的质量管理体系,成立质量管理领导小组,择优配备技术管理人员,保证每一个生产施工环节都由专人进行把关,同时按照公司管理规定制定相应的管理岗位职责,做到分工明确,各司其责,责任到人。项目部组织技术管理人员和劳务分包技术人员,针对本工程实际情况进行具体分析,进一步细化质量目标,落实各项工序的质量标准,定期召开质量分析会,针对出现的问题制定控制措施,以保证质量目标的实现。组长:项目经理副组长:总工程师组员:项目全体员工3、高效建造简介3.1、高效建造的概念高效建造,是一种统筹化、精细化的施工组织方式。是指对每个施工段进行合理的工序分...

1、当您付费下载文档后,您只拥有了使用权限,并不意味着购买了版权,文档只能用于自身使用,不得用于其他商业用途(如 [转卖]进行直接盈利或[编辑后售卖]进行间接盈利)。
2、本站所有内容均由合作方或网友上传,本站不对文档的完整性、权威性及其观点立场正确性做任何保证或承诺!文档内容仅供研究参考,付费前请自行鉴别。
3、如文档内容存在违规,或者侵犯商业秘密、侵犯著作权等,请点击“违规举报”。

碎片内容

高效建造施工策划

您可能关注的文档

确认删除?
VIP
微信客服
  • 扫码咨询
会员Q群
  • 会员专属群点击这里加入QQ群
客服邮箱
回到顶部