电脑桌面
添加小米粒文库到电脑桌面
安装后可以在桌面快捷访问

速冻调理肉制品管理看板VIP免费

速冻调理肉制品管理看板_第1页
1/7
速冻调理肉制品管理看板_第2页
2/7
速冻调理肉制品管理看板_第3页
3/7
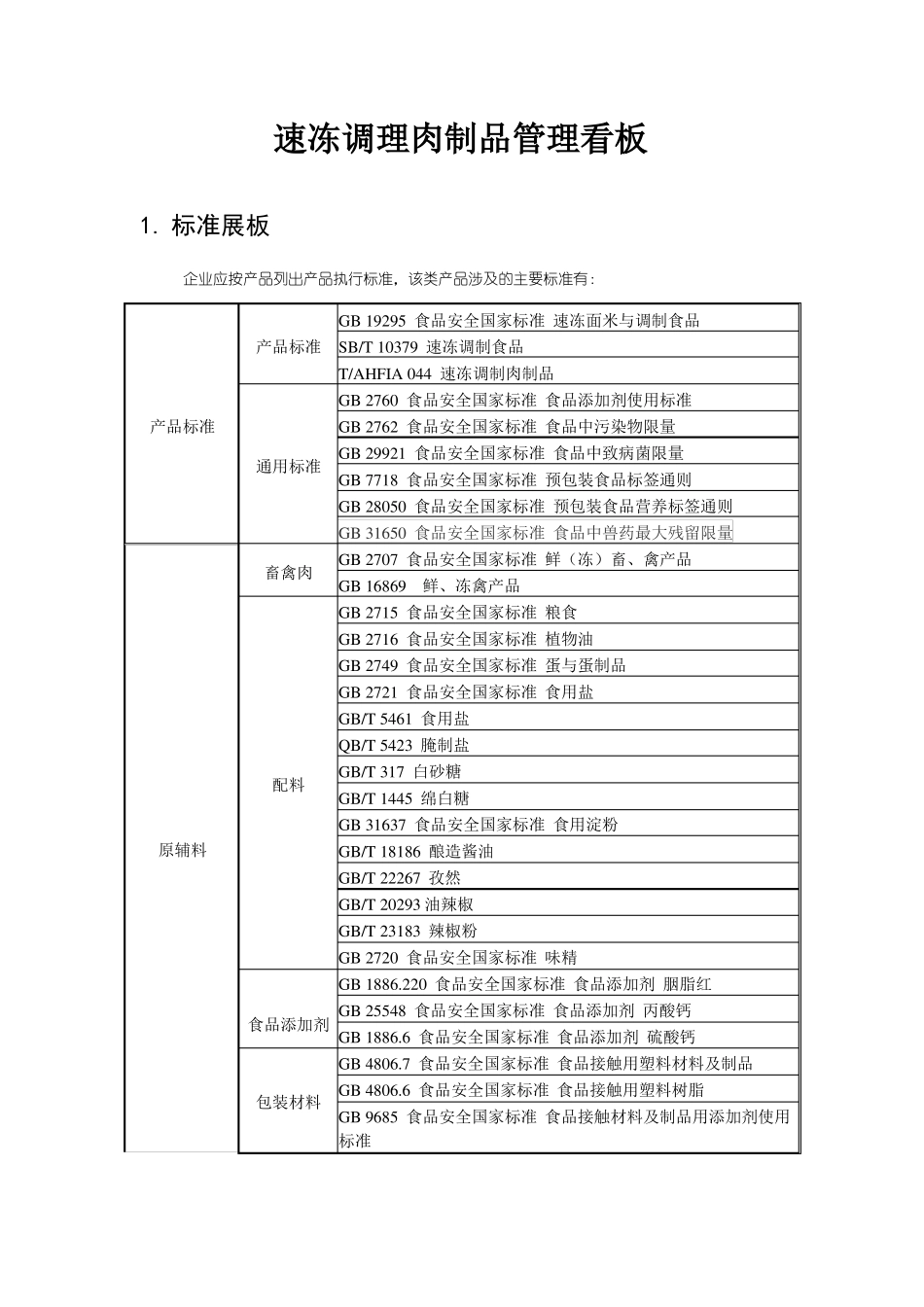
速冻调理肉制品管理看板1.标准展板企业应按产品列出产品执行标准,该类产品涉及的主要标准有:GB19295食品安全国家标准速冻面米与调制食品产品标准SB/T10379速冻调制食品T/AHFIA044速冻调制肉制品GB2760食品安全国家标准食品添加剂使用标准产品标准通用标准GB2762食品安全国家标准食品中污染物限量GB29921食品安全国家标准食品中致病菌限量GB7718食品安全国家标准预包装食品标签通则GB28050食品安全国家标准预包装食品营养标签通则GB31650食品安全国家标准食品中兽药最大残留限量畜禽肉GB2707食品安全国家标准鲜(冻)畜、禽产品GB16869鲜、冻禽产品GB2715食品安全国家标准粮食GB2716食品安全国家标准植物油GB2749食品安全国家标准蛋与蛋制品GB2721食品安全国家标准食用盐GB/T5461食用盐QB/T5423腌制盐配料GB/T317白砂糖GB/T1445绵白糖GB31637食品安全国家标准食用淀粉原辅料GB/T18186酿造酱油GB/T22267孜然GB/T20293油辣椒GB/T23183辣椒粉GB2720食品安全国家标准味精GB25548食品安全国家标准食品添加剂丙酸钙食品添加剂GB1886.6食品安全国家标准食品添加剂硫酸钙GB1886.220食品安全国家标准食品添加剂胭脂红GB4806.7食品安全国家标准食品接触用塑料材料及制品包装材料GB4806.6食品安全国家标准食品接触用塑料树脂GB9685食品安全国家标准食品接触材料及制品用添加剂使用标准生产用水生产加工控制规范检验方法标准其他GB5749生活饮用水卫生标准GB14881食品安全国家标准食品生产通用卫生规范GB31646食品安全国家标准速冻食品生产和经营卫生规范GB/T25007速冻食品生产HACCP应用准则具体见产品指标中检验方法标准速冻食品生产许可证审查细则速冻食品国家食品安全监督抽检实施细则2.产品指标速冻调理肉制品主要质量指标、常用食品添加剂指标和检验方法要求如下:表1产品类别执行标准项目色泽技术指标具有该产品应有的色泽方法标准检验要求感官要求具有该产品应有的滋味滋味、气味与气味,无异味具有该产品应有的形态,不变形,不破损,表面不结霜。外表及内部均无肉眼可见异物≤0.25g/100g≤0.5mg/kg肉制品≤0.1mg/kg;肝脏制品≤0.5mg/kg;肾脏制品≤1.0mg/kg≤0.5mg/kg≤1.0mg/kg≤3.0μg/kgGB19295/状态GB19295食品安全国家标准速冻面米与调制食品速冻调理肉制品理化指标过氧化值(以脂肪计)铅GB5009.227GB5009.12//污染物指标镉GB5009.15/总砷铬N-二甲基GB5009.11GB5009.123GB5009.26//至少400g亚硝胺沙门氏菌n=5,c=0,m=0n=5,c=1,m=100CFU/g,M=1000CFU/gn=5,c=1,m=104,M=105CFU/gn=5,c=2,m=10,M=102CFU/g不得使用不得使用GB4789.4限即食预包装类产品检测金黄色葡萄球菌微生物菌落总数GB4789.10GB4789.2即食生制品和即食熟制品,检5个包装即食生制品和即食熟制品,检5个包装//大肠菌群GB4789.3食品添加剂标签糖精钠胭脂红GB5009.28GB/T9695.6GB7718、应符合GB7718、GB28050、GB28050、GB19295的要求GB19295/表2产品类别执行标准项目技术指标具有该产品应有的形态;肉糜类制品无松散;裹面制品无变形,表面无脱落,裹面均匀。具有该产品应有的色泽符合该类产品的组织要求具有该产品特有的滋气味无正常视力可见外来杂质≤0.25g/100g方法标准检验要求形态SB/T10379/速冻调理肉制品SB/T10379速冻调制食品色泽感官组织结构SB/T10379/SB/T10379/滋气味SB/T10379/杂质理化指过氧化值SB/T10379GB//标(以脂肪计)铅≤0.5mg/kg肉制品≤0.1mg/kg;肝脏制品≤0.5mg/kg;肾脏制品≤1.0mg/kg≤0.5mg/kg≤1.0mg/kg≤3.0μg/kg5009.227GB5009.12/镉GB5009.15/污染物限量总砷铬N-二甲基亚硝胺苯并(α)芘GB5009.11GB5009.123GB5009.26//样品量至少400g烧烤或烟熏工艺检测限即食类预包装产品检测限即食类预包装产品检测≤5.0μg/kgGB5009.27沙门氏菌n=5,c=0,m=0n=5,c=1,m=100CFU/g,M=1000CFU/gGB4789.4金黄色葡萄球菌微生物菌落总数GB4789.10即食生制n=5,c=1,品和即食m=104,GB4789.2熟制品,检M=105CFU/g5个包装即食生制品和即食GB4789.3熟制品,检5个GB5009.28GB/T9695.6//n=5,c=2,大肠菌群m=10,M=102CFU/g食品添加剂糖精钠胭脂红不得使用不得使用标签GB7718、应符合GB7718、...

1、当您付费下载文档后,您只拥有了使用权限,并不意味着购买了版权,文档只能用于自身使用,不得用于其他商业用途(如 [转卖]进行直接盈利或[编辑后售卖]进行间接盈利)。
2、本站所有内容均由合作方或网友上传,本站不对文档的完整性、权威性及其观点立场正确性做任何保证或承诺!文档内容仅供研究参考,付费前请自行鉴别。
3、如文档内容存在违规,或者侵犯商业秘密、侵犯著作权等,请点击“违规举报”。

碎片内容

速冻调理肉制品管理看板

爱的疯狂+ 关注
实名认证
内容提供者

该用户很懒,什么也没介绍

确认删除?
VIP
微信客服
  • 扫码咨询
会员Q群
  • 会员专属群点击这里加入QQ群
客服邮箱
回到顶部