电脑桌面
添加小米粒文库到电脑桌面
安装后可以在桌面快捷访问

机械课程设计说明书电机减速器的设计VIP免费

机械课程设计说明书电机减速器的设计_第1页
1/53
机械课程设计说明书电机减速器的设计_第2页
2/53
机械课程设计说明书电机减速器的设计_第3页
3/53
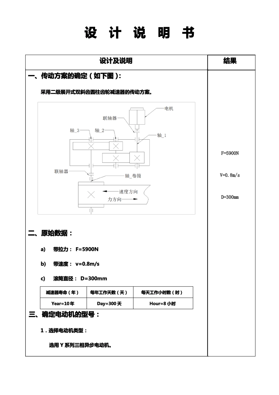
机械设计课程设计说明书题目学院专业班级学号学生姓名指导教师完成日期设计说明书设计及说明一、传动方案的确定(如下图):采用二级展开式双斜齿圆柱齿轮减速器的传动方案。结果F=5900NV=0.8m/sD=300mm二、原始数据:a)b)c)带拉力:F=5900N带速度:v=0.8m/s滚筒直径:D=300mm每年工作天数(天)Day=300天每天工作小时数(时)Hour=8小时减速器寿命(年)Year=10年三、确定电动机的型号:1.选择电动机类型:选用Y系列三相异步电动机。2.选择电动机功率:运输机主轴上所需要的功率:Pw=传动装置的主要包括两对斜齿轮,所以轴承主要涉及卷筒处的球轴承,选用深沟球轴承,由于减速器的输入轴、中间轴和输出轴上由于三轴上有斜齿轮,所以预先确定轴承为滚子轴承,选用圆锥滚子轴承,故总效率:η总Pw=4.72kWFv5900×0.8==4.72kW10001000=η2联轴器球轴承滚子轴承ηη3η2齿轮卷筒η其中,查《机械设计课程设计》P6表2-3ηηηη联轴器,弹性联轴器的效率η联轴器=0.99齿轮,闭式圆柱齿轮的效率η,球轴承的效率η球轴承齿轮=0.98球轴承=0.99=0.98滚子轴承,滚子轴承的效率η滚子轴承η总=0.868η卷筒,工作机的效率η卷筒=0.98所以减速器的总效率:η总=η2联轴器η球轴承η3η2齿轮η卷筒滚子轴承=0.992×0.99×0.983×0.982×0.98=0.868电动机所需功率:Pd=Pwη总=4.720.868=5.436kW3.选择电动机的转速:工作机的转速:nw=v×60×10000.8×60×1000==50.930r/minπDπ×300根据《机械设计课程设计》二级展开式圆柱齿轮减速器(闭式)传动比i1=8~40则电动机转速范围:nd=nwi1=50.930×(8~40)=(407.437~2037.183)r/min根据电机的所需功率Pd=5.436kW和电机的转速范围nd选用查阅《机械设计课程设计》选用电机型号为:Y160M2-8,转速nm=720r/min:电机的具体参数如下表所示:电机型号Y160M2-8堵转转矩/额定转矩2电机额定功率5.5kW堵转电流/额定电流6电机额定电流13.3A最大转矩/额定转矩2电机转速720r/minPd=5.436kWnw=50.930r/min计算结果i总=14.137i1=4.6i2=3.073n1=720r/minn2=156.522r/minn3=50.930r/minP11=5.382kWP12=5.274kWP21=5.169kWP22=5.066kWP31=4.964kWP32=4.865kWP41=4.816kWP42=4.720kWT11=71.387N/m四、确定传动装置的总传动比及各级分配:传动装置总传动比及各级分配如下表所示:计算参数总传动比i总高速级圆柱齿轮传动比i1低速级圆柱齿轮传动比i2输入轴转速n1输出轴转速n2输出轴转速n3输入轴输入功率P11输入轴输出功率P12中间轴输入功率P21中间轴输出功率P22输出轴输入功率P31输出轴输出功率P32卷筒轴输入功率P41卷筒轴输出功率P42输入轴输入转矩T11计算过程i总=nd/nw取i1=4.6i2=i总/i1n1=nwn2=n1/i1n3=n2/i2P11=Pdη联轴器P12=P11η滚子轴承P21=P12η齿轮P22=P21η滚子轴承P31=P22η齿轮P32=P31η滚子轴承P41=P32η联轴器P42=P41η球轴承η卷筒T11=9550P11/n1电机型号:Y160M2-8输入轴输出转矩T12中间轴输入转矩T21中间轴输出转矩T22输出轴输入转矩T31输出轴输出转矩T32卷筒轴输入转矩T41卷筒轴输出转矩T42T12=9550P12/n1T21=9550P21/n2T22=9550P22/n2T21=9550P21/n3T22=9550P22/n3T41=9550P41/n3T42=9550P42/n3T12=69.960N/mT21=315.378N/mT22=309.070N/mT31=930.868N/mT32=912.250N/mT41=903.128N/mT42=885.065N/mi总=14.137i1=4.6i2=3.073五、传动零件的设计计算:1.齿轮传动设计计算(1)选择齿轮类型,材料,精度,及参数①选用斜齿圆柱齿轮传动(外啮合)。②选择齿轮材料:小齿轮材料取为40Cr,调质处理,HBS1=280大齿轮材料取为45,调质处理,HBS2=240③初选取齿轮为7级的精度(GB10095−2001)。④初选螺旋角β=14°。⑤初选小齿轮的齿数z1=23;已知该减速级下的传动比的传动比为u=4.6大齿轮的齿数为:z2=u×z1=4.6×23=105.8取z2=106。⑥压力角α=20°。⑦考虑到闭式软齿面齿轮传动最主要的失效为点蚀,故按接触强度设计,再按弯曲强度校核。(2)按齿面接触疲劳强度计算①试算小齿轮分度圆直径,即:2KHtT1u+1ZHZEZεZβd1t≥√..()[σH]φdu32确定公式中的各个参数:1)试选载荷系数:KHt=1.3。2)已知该小齿轮所在轴的输出的转矩为P=69.960N.m,式中T1单位...

1、当您付费下载文档后,您只拥有了使用权限,并不意味着购买了版权,文档只能用于自身使用,不得用于其他商业用途(如 [转卖]进行直接盈利或[编辑后售卖]进行间接盈利)。
2、本站所有内容均由合作方或网友上传,本站不对文档的完整性、权威性及其观点立场正确性做任何保证或承诺!文档内容仅供研究参考,付费前请自行鉴别。
3、如文档内容存在违规,或者侵犯商业秘密、侵犯著作权等,请点击“违规举报”。

碎片内容

机械课程设计说明书电机减速器的设计

确认删除?
VIP
微信客服
  • 扫码咨询
会员Q群
  • 会员专属群点击这里加入QQ群
客服邮箱
回到顶部