电脑桌面
添加小米粒文库到电脑桌面
安装后可以在桌面快捷访问

消火栓系统施工方案VIP免费

消火栓系统施工方案_第1页
1/6
消火栓系统施工方案_第2页
2/6
消火栓系统施工方案_第3页
3/6
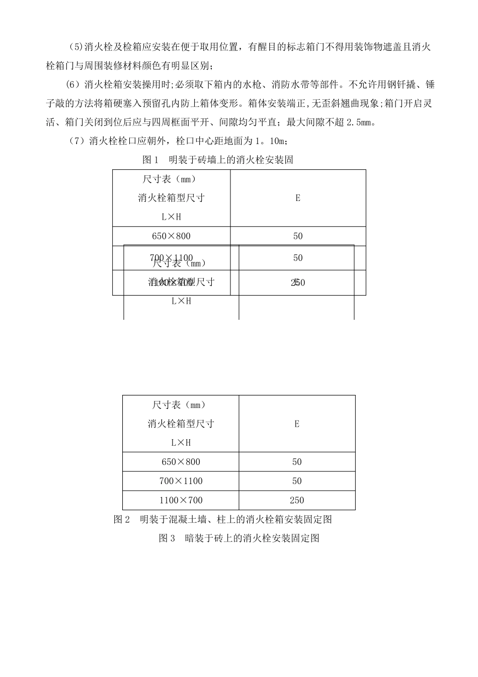
消火栓系统施工方案安装工艺及安装工艺流程图:1、材料、设备进场时必须报监理检验合格后方可使用.消防管道安装的主要工序为:放线→预制管道→栽装吊支架→管道安装→试压→冲洗.消防管道安装时,管道应根据图纸对预留孔洞进行吊线修理。按规定及图纸要求,测定各水平管道的支吊架的位置、标高,并按坡度的要求进行吊架的制作与安装。管道采用镀锌钢管,管径大于等于100mm为沟槽连接,特殊部位可根据设计要求施工。管径小于100mm时丝扣连接.丝扣连接时,螺纹清洁、规整,断丝或缺丝不得大于全扣数的10%,连接牢固,外露螺纹2-3扣,严禁绝扣,丝扣外刷防锈漆。安装前,应先制作样板管样,经监理验收合格,方可按此样配套安装。2、室内消火栓给水管网的施工室内消火栓给水管道系统的管网包括进户管、主干管、竖管、支管以及系统与设备、设施的连接管道。消防管道应用镀锌钢管;且钢管管径小于100mm时,应采用螺纹连接;大于等于10Omm时采用管卡或法兰(镀锌)连接.配管顺序一般从进户管装起由主管到支管。套管长度不得小于墙体厚或应高出楼面或地面50mm.并且在管道安装时;管道与管道的接口不得设置在套管内;免得在管道试压时若接口处出现渗漏而造成维修不便的麻烦.管道与套管之间的间隙应用不燃材料填塞。竖管的安装应铅垂每米允许偏差不得超过2mm.竖管的固定支架应设置在距地面1.5m-1.8m高处;但层高在4m以下时每层可只设置一个支架.管道上安装的控制阀门采用闸阀(依设计规定)。闸阀宜采用明杆闸阀,安装时应使其手柄便于操用不妨碍使用.闸间体上标明的公称直径和公称压力数据在安装时注意将其对在人的视线观察范围内;不能隐蔽;便于以后的维护。阀门连接一般采用法兰连接;若管道采用的是螺纹连接;则阀门安装应安配螺纹法兰盘。管道在安装后应用清水进行冲洗和试压;并做好试压冲洗记录。管道表面要做防腐处理。3、室内消火栓箱安装室内消火栓箱的安装方式分为明装、暗装和半明装。其安装应符合下列要求:(安装方式的确定由建设方或设计院定)(1)明装于砖墙上的消火栓箱应按图1中的要求安装固定(2)明装于混凝土墙、上的消火栓箱,应按图2中的要求安装固定。(3)暗装于砖墙上的消火栓,应按图3中的要求固定(4)半明装于砖墙上的消火栓箱.应按图4中的要求安装固定。栓口阀门中心距相近侧面为140mm,距箱后内表面为100mm,允许偏差5mm。(5)消火栓及检箱应安装在便于取用位置,有醒目的标志箱门不得用装饰物遮盖且消火栓箱门与周围装修材料颜色有明显区别;(6)消火栓箱安装操用时;必须取下箱内的水枪、消防水带等部件。不允许用钢钎撬、锤子敲的方法将箱硬塞入预留孔内防上箱体变形。箱体安装端正,无歪斜翘曲现象;箱门开启灵活、箱门关闭到位后应与四周框面平开、间隙均匀平直;最大间隙不超2.5mm。(7)消火栓栓口应朝外,栓口中心距地面为1。10m;图1明装于砖墙上的消火栓安装固尺寸表(mm)消火栓箱型尺寸EL×H650×80050700尺寸表(×1100mm)50消火栓箱型尺寸1100×700250EL×H尺寸表(mm)消火栓箱型尺寸EL×H650×80050700×1100501100×700250图2明装于混凝土墙、柱上的消火栓箱安装固定图图3暗装于砖上的消火栓安装固定图650×800700×11001100×7005050250图4半明装于砖墙上的消火栓安装固定图(8)根据水带的安置方式;将其挂置、盘卷、卷置或放置在托架上(由设计中采用的箱型确定水带安置方式);(9)直角单间双出口型(SNS)消火栓安装时,应在其一个出口上安设问盖;(10)消火栓箱若设置在有结冻可能的建筑物内时,应采取防冻措施.防冻措施由设计定;(11)若设计要求安装减压孔板时;减压孔板应严格按照设计选用的孔径安装,其安装形式由设计选定;孔板的常用材质为铜或不锈钢;孔板安装的位置,宜在室内消火栓间体与消火栓支管接口之间;4、气压供水设备安装气压供水设备的型号由设计院选定,设备主要由气压罐体、稳压泵等组成。安装气压供水设备时;其进、出水管或充气管上安装的上回阀、闸阀、安全阀和压力表等安装位置、标高、进出水管方向等均应符合设计和产品标准要求(必要时可直接由供货商派技术人员现场安装和指导)。安装时应确保该装置四周净空不小于...

1、当您付费下载文档后,您只拥有了使用权限,并不意味着购买了版权,文档只能用于自身使用,不得用于其他商业用途(如 [转卖]进行直接盈利或[编辑后售卖]进行间接盈利)。
2、本站所有内容均由合作方或网友上传,本站不对文档的完整性、权威性及其观点立场正确性做任何保证或承诺!文档内容仅供研究参考,付费前请自行鉴别。
3、如文档内容存在违规,或者侵犯商业秘密、侵犯著作权等,请点击“违规举报”。

碎片内容

消火栓系统施工方案

确认删除?
VIP
微信客服
  • 扫码咨询
会员Q群
  • 会员专属群点击这里加入QQ群
客服邮箱
回到顶部