电脑桌面
添加小米粒文库到电脑桌面
安装后可以在桌面快捷访问

数控加工技术VIP免费

数控加工技术_第1页
1/7
数控加工技术_第2页
2/7
数控加工技术_第3页
3/7
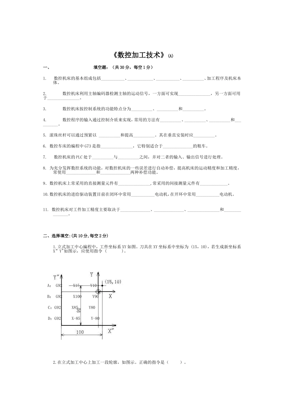
《数控加工技术》(A)一、填空题:(共30分,每空1分)1.数控机床的基本组成包括___________、____________、___________、__________、加工程序及机床本体。2.数控机床利用主轴编码器检测主轴的运动信号,一方面可实现_______________,另一方面可用于_______________。3.数控机床按控制系统的功能特点分为__________、__________和__________。4.数控程序的输入通过控制介质来实现,常用的方法有__________、__________、__________和__________。5.滚珠丝杆可以通过预紧以__________和提高__________。其在垂直安装时应__________。6.数控车床的编程中G73是指_______________,它特别适合于______________的粗车。7.数控机床的PLC处于__________与__________之间,并对二者的输入、输出信号进行处理。8.为充分发挥数控系统的功能,对数控机床的一些误差进行自动补偿,提高机床的运动精度和加工精度,常使用______________和______________两种补偿功能。9.数控机床上常采用的直接测量元件有_______________,常采用的间接测量元件有_____________。10.数控机床的进给驱动装置目前在闭环中常用___________电动机,在开环中常用___________电动机。11.数控机床对工件加工精度主要取决于______________、______________、_______________和_______________。二、选择填空:(共10分,每空2分)1.立式加工中心編程中,工件坐标系XY如图。刀具在XY坐标系中坐标为(15,10),若生成新坐标系X”Y"如图示,应使用指令()。A:G92X15Y10B:G92X100Y90C:G92X85Y80D:G92X-85Y-802.在立式加工中心上加工一段轮廓,如图示。正确的指令是()。A:G90G03X22Y58I8J-18F100B:G90G03X22Y58I-18J8F100C:G90G03X22Y58I30J40F100D:G90G03X22Y58I18J-8F1003.下列数控车床使用地址符的可变程序段格式中,写法错误的是()。A:G01X120W80F0.15S500M08B:G90G00U20Z-30R40M08C:G02X60Z-80P70Q-60H0F0.2D:G01X100Z-50A-30F0.14.有关数控机床坐标系的说法,其中()是错误的。A:刀具相对静止的工件而运动的原则。B:标准的坐标系是一个右手直角笛卡尔坐标系。C:主轴旋转的顺时针方向是按右旋螺纹进入工件的方向。D:Z轴的正方向是使工件远离刀具的方向。5.编程人员在数控编程时,一般常使用()坐标系。A:机床坐标系B:机床参考坐标系C:直角坐标系D:工件坐标系三、名词解释(共12分,每题3分)1.加工中心2.准停3.插补4.刀具半径补偿四、简答题:(共20分)1.简述数控机床的加工特点。2.通常数控加工程序包含那些内容。3.什么是车削中心的C轴功能?数控机床怎样车螺纹?4.简述数控机床的人机界面及其作用。五、编程题:(共28分)1.试编写图示零件的加工程序(须加工外轮廓、5×φ25退刀槽、M32螺纹)。毛坯尺寸为:φ50×150,已经过粗加工。要求:⑴写出该零件的加工工艺并选择刀具;⑵编写该零件在数控车床上的精加工程序;⑶坐标系如图,切削用量自定。(12分)2.试编写图示零件的加工程序(须加工φ80外轮廓、3-φ8×6孔、3-10×3槽)。毛坯尺寸为:φ90×20。要求:⑴写出该零件的加工工艺并选择刀具;⑵编写该零件在立式加工中心上的加工程序;⑶坐标系及切削用量自定。(16分)《数控加工技术》(B)一、填空题:(共30分,每空1分)1.数控机床的基本组成包括___________、____________、___________、__________、加工程序及机床本体。2.数控机床按控制系统的功能特点分为__________、__________和__________。3.数控程序的输入通过控制介质来实现,常用的方法有__________、__________、__________和__________。4.自动换刀装置刀具选择方式主要有__________、__________、__________和__________四种.5.滚珠丝杆可以通过预紧以__________和提高__________。其在垂直安装时应__________.6.数控车床的编程中G73是指_______________,它特别适合于______________的粗车.7.目前应用的插补算法分为两类,一类为__________,另一类为__________.8.为充分发挥数控系统的功能,对数控机床的一些误差进行自动补偿,提高机床的运动精度和加工精度,常使用______________和______________两种补偿...

1、当您付费下载文档后,您只拥有了使用权限,并不意味着购买了版权,文档只能用于自身使用,不得用于其他商业用途(如 [转卖]进行直接盈利或[编辑后售卖]进行间接盈利)。
2、本站所有内容均由合作方或网友上传,本站不对文档的完整性、权威性及其观点立场正确性做任何保证或承诺!文档内容仅供研究参考,付费前请自行鉴别。
3、如文档内容存在违规,或者侵犯商业秘密、侵犯著作权等,请点击“违规举报”。

碎片内容

数控加工技术

您可能关注的文档

确认删除?
VIP
微信客服
  • 扫码咨询
会员Q群
  • 会员专属群点击这里加入QQ群
客服邮箱
回到顶部