电脑桌面
添加小米粒文库到电脑桌面
安装后可以在桌面快捷访问

数控车床的基本操作系统介绍VIP免费

数控车床的基本操作系统介绍_第1页
1/17
数控车床的基本操作系统介绍_第2页
2/17
数控车床的基本操作系统介绍_第3页
3/17
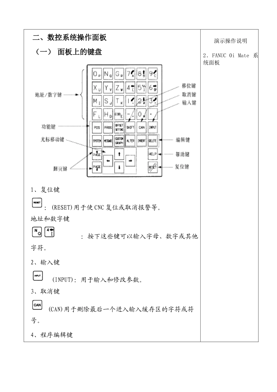
第2次课授课题目(章、节):课题2数控车床的基本操作(FANUC系统)授课主要内容及重点难点1、主要内容:一、FANUC0i-mateTC系统CNC操作面板介绍二、数控系统操作面板三、机床操作面板四、机床的基本操作2、重点:FANUC0i-mateTC系统CNC面板和系统面板内容复习并检验:一、模拟仿真教学软件的功能二、软件的打开、保存和退出三、基本操作菜单及工具栏介绍:四、基本操作演示及练习指定人员演示操作:新课:课题2数控车床的基本操作(FANUC系统)§2-1数控车床的面板一、FANUC0i-mateTC系统CNC操作面板介绍打开软件介绍CNC操作面板:数控系统操作面板:机床操作面板演示操作说明:1.打开软件,数控车床画面二、数控系统操作面板(一)面板上的键盘1、复位键:(RESET)用于使CNC复位或取消报警等。地址和数字键:按下这些键可以输入字母、数字或其他字符。2、输入键(INPUT):用于输入和修改参数。3、取消键(CAN)用于删除最后一个进入输入缓存区的字符或符号。4、程序编辑键演示操作说明2.FANUC0iMate系统面板:(DELET)删除键。:(INSERT)插入键。:(ALTER)替换键。5、光标移动键:(CURSOR)用于将光标向上或向下移动。6、换页键:(PAGE)用于将屏幕显示的页面向前或向后翻页。7、功能键功能键用于选择显示屏幕内容。有如下功能键:1)、(POS)按下该键,可以显示位置屏幕。2)、(PRGRM)按下该键,可以显示程序屏幕。3)、:(OFFSET/SETTING)按下该键,可以显示偏置/设置屏幕。4)、按此键显示系统画面5)、按此键显示信息画面演示操作说明:6)、按此键显示图形画面8、软键:相当于功能键下的二级菜单。按下功能键後,按与屏幕文字相对的软键,可以进入该菜单。(二)、位置屏幕:当按下面板上的(POS)键,屏幕显示为位置。屏幕下方有二级菜单:绝对、相对、综合。单击二级菜单正下方的软键,就可以执行该菜单命令。例如,单击“综合”正下方的软键,屏幕将显示绝对坐标、相对坐标和机械坐标(三)、程序屏幕:当按下面板上的(PRGRM)键,屏幕显示为程序屏幕(如下图)。屏幕下方有二级菜单:程式、整理。单击二级菜单正下方的软键,就可以执行该菜单命令。例如,如果事先已经导入了或手工编写了程序,单击“程式”正下方的软键,屏幕将显示该程序的内容。(四).刀具偏置/设置屏幕演示操作说明:3.POS键,显示位置屏幕及二级菜单4.按PROG键显示序程屏幕及二级菜单当按下面板上的(SETTINGOFSET)键,屏幕显示为刀具偏置/设置屏幕(如下图)。屏幕下方有二级菜单:补正、MACRO、坐标系。单击二级菜单正下方的软键,就可以执行该菜单命令。例如,单击“坐标系”正下方的软键,屏幕将显示可供设定的工件坐标系:G54、G55、G56、G57、G58、G59。其中,G57、G58、G59在下一页,可以按翻页键向下翻页。(五)、系统参数屏幕当按下面板上的(SYSEM)键,按此键显示系统画面,屏幕显示为参数屏幕。屏幕下方有二级菜单:参数、诊断。单击二级菜单正下方的软键,就可以执行该菜单命令。按翻页键,可以显示更多参数和诊断页。(六)、信息显示屏幕按此键显示信息画面。按下MESSAGE功能键,可以显示报警,报警履历和外部信息等数据息号。(七)图形显示屏幕按此键显示图形画面。可以在画面上显示程编的刀具轨迹,通过观察屏显的轨迹可以检查加工过程。显示的图形演示操作说明:5.按OFFSET/SETTING键刀具偏置/设置显示屏幕及二级菜单6.按SYSEM键程显示系统屏幕及二级菜单7.按MWSSAGE键显示报警等信息及二级菜单8.按GRAPH键显示图形画面及二级菜单画面可以放大/缩小。显示刀具轨迹前必须设定画图坐标(参数)和绘图参数。三、机床操作面板(一)、操作选择:操作选择:单段/空运行/跳选/锁住/尾架/回零(二)、速度变化快速进给倍率速度变化:轴选择/复位/主轴减少/主轴100%/主轴增加(三)、方式选择工作方式:自动/编辑/MDI/JOG/手摇(四)、手动控制主轴的启动、停止:主轴反转/停止/正转(五)、手动进给手动X/Z轴进给(六)、指示灯:电源指示灯X、Z回参考点指示灯(七)、系统启动、停止演示操作说明:9.根据机床操作面板演示系统启动系统停止(八)、进给倍率和进给速度进给速率(九)手轮控制:快速进给...

1、当您付费下载文档后,您只拥有了使用权限,并不意味着购买了版权,文档只能用于自身使用,不得用于其他商业用途(如 [转卖]进行直接盈利或[编辑后售卖]进行间接盈利)。
2、本站所有内容均由合作方或网友上传,本站不对文档的完整性、权威性及其观点立场正确性做任何保证或承诺!文档内容仅供研究参考,付费前请自行鉴别。
3、如文档内容存在违规,或者侵犯商业秘密、侵犯著作权等,请点击“违规举报”。

碎片内容

数控车床的基本操作系统介绍

确认删除?
VIP
微信客服
  • 扫码咨询
会员Q群
  • 会员专属群点击这里加入QQ群
客服邮箱
回到顶部