电脑桌面
添加小米粒文库到电脑桌面
安装后可以在桌面快捷访问

洗车槽施工技术交底VIP免费

洗车槽施工技术交底_第1页
1/11
洗车槽施工技术交底_第2页
2/11
洗车槽施工技术交底_第3页
3/11
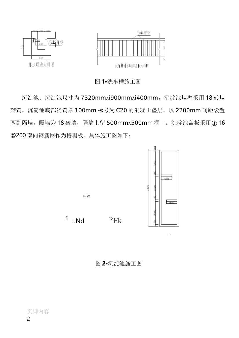
页脚内容1质量技术交底记录D1一1工程名称广州市轨道交通二十一号线【施工14标】土建工程分部工程临时工程分项工程名称洗车槽、沉淀池施工技术交底内容:一、工程概况(施工图设计概括)施工区位于车站中部生活区南侧,施工区大门位于施工区西侧,洗车槽设置在施工区大门处。尺寸5700mmX7100mm。洗车槽槽壁厚250mm,底板厚2oomm,混凝土标号为C20,槽壁顶端设有5#角钢,并与槽壁浇筑到一起。洗车槽排水明沟盖板用5#槽钢预制,宽400mm,横条间隔35mm。具体施工图如下:500cd:.Nd页脚内容218Fk图1•洗车槽施工图沉淀池:沉淀池尺寸为7320mmXi900mmXi400mm,沉淀池墙壁采用18砖墙砌筑,沉淀池底部浇筑厚100mm标号为C20的混凝土垫层。以2200mm间距设置两到隔墙,隔墙为18砖墙,隔墙上留500mmX500mm洞口。沉淀池盖板采用①16@200双向钢筋网作为格栅板。具体施工图如下:图2•沉淀池施工图i口页脚内容3二、施工前准备工作(1)施工准备开工前,应在全面理解设计要求和设计交底的基础上,进行现场调查和核对。①测量:测量组根据平面布置图放出洗车槽位置。②场地清理:开工前,应对施工范围进行场地平整。(2)作业准备①砌筑沉淀池墙体的砖块和抹面的砂浆、制作栅格板所用的型钢和钢筋、排水明沟所用的钢筋。②协调商品混凝土供应商运输混凝土。③根据施工方案对操作班组进行施工技术讲解,混凝土浇筑申请书要求被批准。(3)材料要求①沉淀池的墙体为180mm砖墙,进行砂浆抹面时,应提高防渗漏的要求。②沉淀池和洗车槽的底板的混凝土标号均为C20。③沉淀池排水明沟所用的钢筋为①12,制作沉淀池栅格板所用钢筋为①16。④制作栅格板需要现场焊接,焊接好的栅格板应达到要求强度。页脚内容4(4)机具准备挖土机,混凝土运输罐车,木抹子,砌刀,铁铲,型钢,焊条及相关焊接工具。三、施工流程图3•洗车槽施工流程图池施工流程图(1)沟槽采用机械开挖,开挖时根据现场实际情况进行放坡。挖到设计标高后,人工进行基底平整并夯实。(2)沉淀池底板施工时注意垫层尺寸应超出外墙15mm。(3)格栅板焊接制作时须达到要求的焊接强度。五、质量控制要求;(1)施工人员须服从现场技术人员管理,按照技术交底进行施工。(2)碾压场地时发现弹簧土,及时进行换填,换填后压实。页脚内容5(3)钢筋安装位置偏差应符合下表的规定:检查项目允许误差(mm)钢筋绑扎网长宽±10网眼尺寸±20绑扎钢筋骨架长±10宽、高±5受力钢筋间距±10排距±5保护层厚度±10允许误差(4)钢筋搭接长度按1・4倍的锚固长度计算,任何情况不得少于3oomm。(5)钢筋绑扎连接接头应相互错开,在同一截面钢筋接头面积百分率不大于50%。(6)模板安装后的接缝不应漏浆,混凝土浇筑前,清楚模板内的杂物。(7)模板安装时允许误差及检验方法符合下表规定:项目允许误差(mm)检测方法轴线位置3尺量检查页脚内容6截面内部尺寸土3尺量检查层高垂直度层咼不大于5m3经纬仪或吊线、尺量检查层高大于5m5相邻两板间高低差2尺量检查表面平整度22m靠尺、塞尺检查阳阴角方正2方尺、塞尺顺直2线尺表2•模板安装允许误差(8)混凝土振捣应快插慢拔,知道混凝土出现泛浆、不下沉、不冒浆。(9)混凝土强度在达到i.2Mpa之前,不得拆模、不得允许任何人在其上行车和堆放重物。(10)混凝土浇筑完成后应及时做好保温、保湿措施,保温保湿养护不少于页脚内容77天。(11)浇筑后混凝土周边应设有防护栏,防止人员践踏未凝结混凝土面。六、施工注意事项(1)施工时应严格按照图纸施工,发现问题及时与项目部联系。本说明未尽事宜以及现场产生的实际情况,设计图纸未能预见处,应提早与现场施工员进行沟通,不得擅自不按照图纸进行施工。(2)混凝土构件及墙体的制作尺寸误差<3mmo(3)墙体抹防水砂浆时,须清理壁面的污物灰尘,做到不渗漏。(4)绑扎盖板钢筋时,应按施工设计图摆放钢筋,钢筋两端做直角弯起,弯起长度为35mm。(5)注意成品保护,其他专业施工时,应有专人跟踪,发现问题及时解决。七、安全注意事项(1)进入施工现场必须戴好安全帽,系好帽带,并正确使用个人劳动防护用品。(2)现场用电,一定要有专人管理,同时设专用配电箱,严禁乱接...

1、当您付费下载文档后,您只拥有了使用权限,并不意味着购买了版权,文档只能用于自身使用,不得用于其他商业用途(如 [转卖]进行直接盈利或[编辑后售卖]进行间接盈利)。
2、本站所有内容均由合作方或网友上传,本站不对文档的完整性、权威性及其观点立场正确性做任何保证或承诺!文档内容仅供研究参考,付费前请自行鉴别。
3、如文档内容存在违规,或者侵犯商业秘密、侵犯著作权等,请点击“违规举报”。

碎片内容

洗车槽施工技术交底

确认删除?
VIP
微信客服
  • 扫码咨询
会员Q群
  • 会员专属群点击这里加入QQ群
客服邮箱
回到顶部