电脑桌面
添加小米粒文库到电脑桌面
安装后可以在桌面快捷访问

接地施工方案 VIP免费

接地施工方案 _第1页
1/14
接地施工方案 _第2页
2/14
接地施工方案 _第3页
3/14
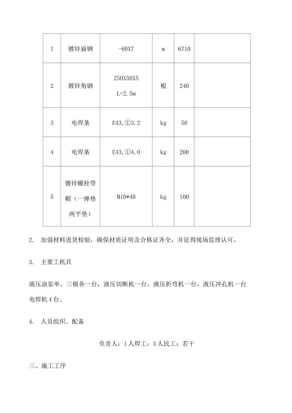
一、施工概况2二、施工准备3三、施工工序4四、施工依据11五、技术要求11六、质量保证措施14七、安全文明施工18一、施工概况1、鄢陵220kV变电所位于华北平原地区,所址土壤黄土电阻率最高为100000Q・M。按设计要求,接地体埋深为0.8m,那么,土壤电阻率季节参数:水平接地体为1.25-1.45Q・M;垂直接地体为1.15-1.3。接地极间距不小于5米,接地极与附近建筑物的距离不小于1.5米,垂直接地极间距不宜小于5米。外缘各角应做成圆弧状,圆弧的半径不宜小于3米,本工程接地网接地电阻要求不大于0.326欧姆,大于接地电阻要求值0.117欧,经验算跨步电位差低于允许值508.0伏。则要求高水平施工措施。2、编制依据:1)合同文件:《鄢陵220KV变电站工程承包合同》2)施工图册:《鄢陵220KV变电站施工图》3)规范和法规:现成有关规范标准以及企业有关工法等。4)其他文件:全站接地应符合DL/T621-1997〈交流电气设备的接地〉、GB50169-92<接地装置施工及验收规范>一级国家电网公司《输变电工程建设标准强制性条文》的规定。3、编制目的:为本工程施工组织提供完整的纲领性文件,用以指导土建部分接地工程的管理确保优质、高速、安全文明地完成建设任务。4、编制原则:我公司组织精干的工程技术和管理人员,对工程所在现场认真勘察的基础上,对施工组织设计原则、内容、措施进行充分的研究和论证。二、施工准备1.本工程的主要材料为镀锌扁钢,镀锌角钢,扁铜,电焊条等。序名称型号及规范单位数量备注1镀锌扁钢-60X7m67102镀锌角钢Z50X50X5L=2.5m根2403电焊条E43,①3.2kg504电焊条E43,①4.0kg2005镀锌螺栓带帽(一弹垫两平垫)M10*40kg1002.加强材料进货检验,确保材质证明及合格证齐全,并征得现场监理认可。3.主要工机具液压油泵单、三极各一台,液压切断机一台,液压折弯机一台,液压冲孔机一台电焊机4台。4.人员组织、配备负责人:1人焊工:3人民工:若干三、施工工序1、站区接地施工工序为:敷设过路扁铁-敷设过路钢管-敷设均压带-开挖水平接地沟-敷设接地极-焊接水平接地-防腐处理-回填接地沟-支网连接构架安装。2、室外电缆沟接地工序为:密切配合土建施工电缆沟-预埋架-连接主网。接地装置安装:(1)按设计规定防雷装置接地体的位置进行放线。沿接地体的线路,开挖接地体沟,以便打入接地体和敷设连接接地体的扁钢。因为地层表面层容易受冻,冻土层会使接地电阻增大,且地表层易受扰动被挖,而至损坏接地装置,所以接地装置应埋置于地表层以下。1)焊接口应刷两遍沥青漆与一遍防锈漆.2)采用“帽檐式”的压带做法。挖接地体沟时,应根据设计要求标高,对接地装置的线路进行测量弹线。根据划出的线路从自然地面开始,挖掘1500mm的沟。沟要挖得平直、深浅一致,沟底如有石子应清除干净。挖沟时如附近有建筑物或构筑物,沟的中心线与建筑物或构筑物的基础距离不宜小于2m.(3)接地体安装,应符合以下要求:1)接地体沟经验收合格后,即进行安装接地体和敷设接地体连接线(即接地母线)。安装时先将接地体放在沟内中心线上打人地中。锤击接地体顶部时,为防止将顶部打劈,应在接地体的顶端设置防护帽。1)用短角钢(约100mm长),焊在接地体的角钢顶端即可。2)锤击接地体时,应严格控制接地体的垂直度,使其与地面保持垂直,以防止接地体与土之间产生缝隙,增加接地电阻,而影响接地体的散流效果。3)埋置深度。打人深度以接地体顶端面距自然地面的距离,应符合设计要求800mm,防止接地体受机械损伤及受到腐蚀。4)接地体植人接地体沟内时,两垂直接地体之间的间距不宜小于接地体长度的2倍5)水平接地体适用于环绕建筑物四周设置的联合接地装置。常规用的接地体为扁钢镀锌制品。水平接地体应垂直敷设在地沟内(不应平放);因垂直放置,散流电阻较小。①水平接地体的顶部埋设深度距地面800mm.②水平接地体之间的间距应符合设计要求;当设计无规定时不宜小于5m.③水平接地体环绕建筑物设置,也可设置在建筑物基础的底部,在基槽挖好后,将水平接地体置于地槽底边,但必须按设计引下线的间距预留外引接地的接点。④如基槽底有灰土层时,必须持水平接地体埋人素土内。(4)接地体连接线的敷设应符合以下要求...

1、当您付费下载文档后,您只拥有了使用权限,并不意味着购买了版权,文档只能用于自身使用,不得用于其他商业用途(如 [转卖]进行直接盈利或[编辑后售卖]进行间接盈利)。
2、本站所有内容均由合作方或网友上传,本站不对文档的完整性、权威性及其观点立场正确性做任何保证或承诺!文档内容仅供研究参考,付费前请自行鉴别。
3、如文档内容存在违规,或者侵犯商业秘密、侵犯著作权等,请点击“违规举报”。

碎片内容

接地施工方案

您可能关注的文档

确认删除?
VIP
微信客服
  • 扫码咨询
会员Q群
  • 会员专属群点击这里加入QQ群
客服邮箱
回到顶部