电脑桌面
添加小米粒文库到电脑桌面
安装后可以在桌面快捷访问

220KV开关站安装施工方案VIP免费

220KV开关站安装施工方案_第1页
1/12
220KV开关站安装施工方案_第2页
2/12
220KV开关站安装施工方案_第3页
3/12
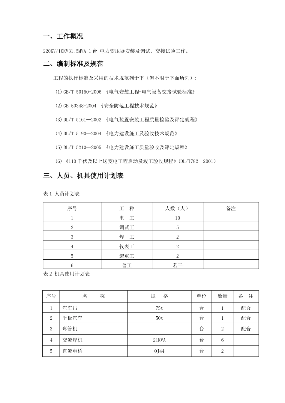
一、工作概况220KV/10KV31.5MVA1台电力变压器安装及调试、交接试验工作。二、编制标准及规范工程的执行标准及采用的技术规范列于下(但不限于下面所列):(1)GB/T50150-2006《电气安装工程-电气设备交接试验标准》(2)GB50348-2004《安全防范工程技术规范》(3)DL/T5161—2002《电气装置安装工程质量检验及评定规程》(4)DL/T5190—2004《电力建设施工及验收技术规范》(5)DL/T5210—2005《电力建设施工质量验收及评定规程》(6)《110千伏及以上送变电工程启动及竣工验收规程》(DL/T782—2001)三、人员、机具使用计划表表1人员计划表序号123456表2机具使用计划表工种电工调试工焊工仪表工起重工普工人数(人)105222若干备注序号12345汽车吊名称规格75t50t21KVAQJ44单位台台台台台数量11262备注配合配合配合平板汽车弯管机交流焊机直流电桥678910111213141516171819202122大电流发生器标准电压、电流表万能表钳形表电锤砂轮切割机信号发生器电阻箱全自动变比测试仪变压器损耗综合测试仪回路电阻测试仪变压器直流电阻测试仪智能开关测试仪避雷器测试仪变压器有载调压开关测试仪LBY-2003D油介质损耗测试仪全自动互感器综合测试仪4000A0。5级数字式0~2500A0—3mA、0—100A、0—100mA、0—10VZX25—1HDBB-2000HDBZ—50HLDZ—5100HDBZ—3LX-2008LY—3BLBY-2003DLYJ181LX—2000B台块块块台台台台台台台台台台台台台1若干243322111111111四、220KV变压器安装及调试方案。4。1、设备开箱验收4.1.1、设备开箱检查:设备应有产品出厂合格证明,产品的技术文件应齐全;设备应有名牌,型号规格应与设计相符合,附件、备件应齐全完好;设备开箱时应进行外观检查,并作好检查记录。4。1.2、设备开箱顺序验明箱号—打扫箱顶板清洁卫生—打开箱顶板并查看内包装是否完好打开左右端面箱板—打开宽面立板—内包装保护-清单主件、附件、备件等—记录或录象-参加开箱人员签字4.1.3、设备开箱注意事项清洁箱顶板是防止灰尘杂物掉入箱内损坏内包装和污染设备、此项工作不得马虎,开箱工具应使用开箱钳、起钉器、撬棍等,不允许使用大榔头或气割工具,防止开箱板砸坏周围的设备设施,防止铁钉伤手脚,开箱清点后的部件、易损件、附件、备品备件、专用工具等散件、不允许堆放在现场,而应专人妥善保管,登记编号,以防丢失和混用。4.2、设备基础4。2.1、基础中间验收、根据土建提供的设备基础资料进行复查,主要检查险基础的几何尺寸(标高/中心)、表面水平度和预埋件等。4.2。2、基础槽钢制作,根据设计图尺寸和设备产品说明书尺寸,划线制作槽钢基础框架、加工精度控制在1㎜,槽钢切割采用电动机械切割、焊接采用平焊对接。4.2.3、设备基础槽钢框架制作完毕,经过检验合格,落坐于基础上,按要求进行找正调平合格后,方可与预埋件焊接牢固,然后要求土建进行二次灌浆、地坪抹灰,要求地坪抹灰与基础槽钢框架上平面平齐。4.3、二次运输4.3.1、在运输、装卸过程中,变压器的倾斜角不应超过30°,以免内部结构变形.变压器短距离搬运可利用滚轴在轨道上牵引,牵引的着力点应在变压器重心以下。4.3。2、变压器整体吊装时,应同时使用油箱上的四个承重吊环,严禁使用油箱顶盖上的吊芯用吊环。4.4、本体及附件就位安装4。4.1、本体就位应符合:变压器基础轨道应水平,轮距与轮距应配合,装有气体继电器的变压器,应使其顶盖气体继电器气流方向有1%~5%的坡度。4。4.2、密封处理应符合:所有法兰连接处应用耐油密封垫(圈)密封,密封垫(圈)必须无扭曲、变形、裂纹和毛刺,密封垫(圈)应与法兰面的尺寸相配合,法兰连接面应平整、清洁,密封垫应擦拭干净,安装就位准确。4.4。3、有载调压切换装置的安装应符合:传动机构固定可靠,位置正确、操作灵活,切换开关的触头及连接线应完整无损,接触良好,切换装置的动作顺序正确,机械联锁与电气联锁动作正确,位置指示器动作正常、指示正确。4。4。4、冷却装置的安装应符合:按制造厂规定的压力值进行气压或油压密封试验合格,冷却装置及其外接管路在安装前应清理干净,冷却装置附件应完好、运转正常,电器经校验合格,冷却装置安装完毕后应即注满油。4.4。5、升高座的安装应符合:安装...

1、当您付费下载文档后,您只拥有了使用权限,并不意味着购买了版权,文档只能用于自身使用,不得用于其他商业用途(如 [转卖]进行直接盈利或[编辑后售卖]进行间接盈利)。
2、本站所有内容均由合作方或网友上传,本站不对文档的完整性、权威性及其观点立场正确性做任何保证或承诺!文档内容仅供研究参考,付费前请自行鉴别。
3、如文档内容存在违规,或者侵犯商业秘密、侵犯著作权等,请点击“违规举报”。

碎片内容

220KV开关站安装施工方案

确认删除?
VIP
微信客服
  • 扫码咨询
会员Q群
  • 会员专属群点击这里加入QQ群
客服邮箱
回到顶部