电脑桌面
添加小米粒文库到电脑桌面
安装后可以在桌面快捷访问

【步步高】2015届高考化学大一轮复习 专题九 第6讲 实验作图题(含解析)VIP免费

【步步高】2015届高考化学大一轮复习 专题九 第6讲 实验作图题(含解析)_第1页
1/16
【步步高】2015届高考化学大一轮复习 专题九 第6讲 实验作图题(含解析)_第2页
2/16
【步步高】2015届高考化学大一轮复习 专题九 第6讲 实验作图题(含解析)_第3页
3/16
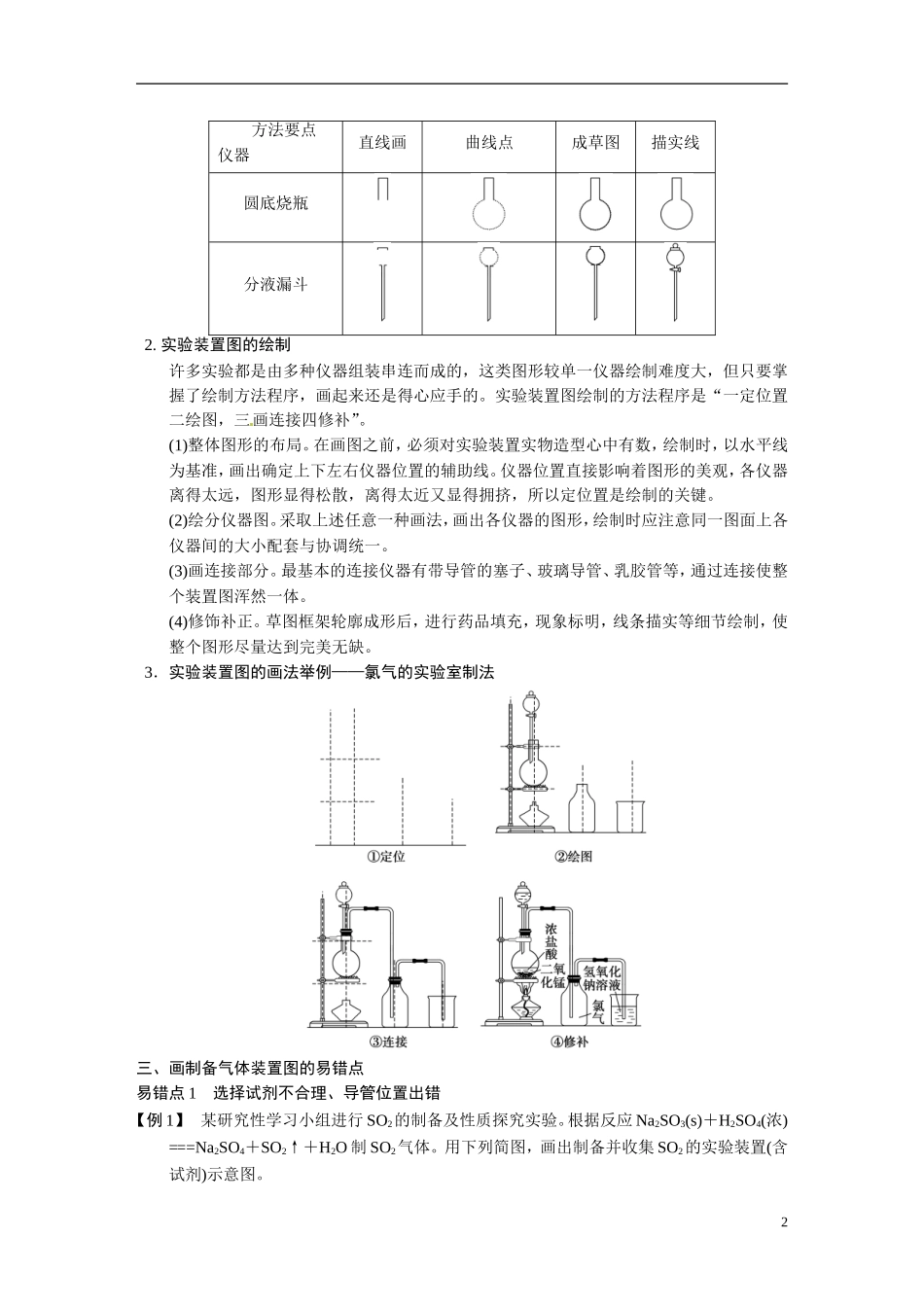
第6讲实验作图题热点一化学实验装置图绘制方法一、化学实验装置图绘制的基本要求1.仪器造型科学规范,比例合适常用仪器造型要科学,画法要形象、规范。整个化学实验装置图中所绘制的各种仪器大小比例要合适,同一仪器各部分的大小比例亦要合适。2.组合正确,画面整洁在绘制化学实验装置图时,要能体现所有的各种仪器和连接部件组装正确,布局合理,使用科学。在同一图形中,各种仪器的绘制线条粗细应一致,画面要洁净,并能清楚地反映出各种仪器的特征形象。二、图形的基本画法1.常用仪器图的画法(1)标准画法。实验室中所用的仪器种类众多,大小各异,但平面直视每单个仪器,它们都具有比较统一的比例形体。如果要获得比较标准满意的图形,就必须掌握各种仪器的体形比例,防止绘画过程中的高矮胖瘦现象。在绘制时往往要借助直尺、圆规等绘图工具。图1几种常见玻璃仪器的绘制比例(2)习惯画法。习惯画法的要点是“画中线、点两边、校比例、再连线”。很多仪器是对称结构,因此,首先画出一条辅助中线,然后根据仪器的体形在中线的两边点出图形的隐视轮廓,再轻笔连接轮廓点,正视图形,校正比例,直至令人满意,再用实线修饰描成,最后擦去多余的部分。图2仪器的习惯画法举例方法要点仪器画中线点两边校比例再连线广口瓶锥形瓶(3)简笔画法。简笔画法的要点是“直线画、曲线点、成草图、描实线”。即把正视仪器的直线部分直接画出,曲线部分用点“点”的方法画出,轻笔勾画出图形的草图后再用实线修饰描成,最后擦去多余的部分。图3仪器的简笔画法举例1方法要点仪器直线画曲线点成草图描实线圆底烧瓶分液漏斗2.实验装置图的绘制许多实验都是由多种仪器组装串连而成的,这类图形较单一仪器绘制难度大,但只要掌握了绘制方法程序,画起来还是得心应手的。实验装置图绘制的方法程序是“一定位置二绘图,三画连接四修补”。(1)整体图形的布局。在画图之前,必须对实验装置实物造型心中有数,绘制时,以水平线为基准,画出确定上下左右仪器位置的辅助线。仪器位置直接影响着图形的美观,各仪器离得太远,图形显得松散,离得太近又显得拥挤,所以定位置是绘制的关键。(2)绘分仪器图。采取上述任意一种画法,画出各仪器的图形,绘制时应注意同一图面上各仪器间的大小配套与协调统一。(3)画连接部分。最基本的连接仪器有带导管的塞子、玻璃导管、乳胶管等,通过连接使整个装置图浑然一体。(4)修饰补正。草图框架轮廓成形后,进行药品填充,现象标明,线条描实等细节绘制,使整个图形尽量达到完美无缺。3.实验装置图的画法举例——氯气的实验室制法三、画制备气体装置图的易错点易错点1选择试剂不合理、导管位置出错【例1】某研究性学习小组进行SO2的制备及性质探究实验。根据反应Na2SO3(s)+H2SO4(浓)===Na2SO4+SO2↑+H2O制SO2气体。用下列简图,画出制备并收集SO2的实验装置(含试剂)示意图。2错解:如图甲,收集气体的方法错误,应长导管进,短导管出;二氧化硫在水中溶解度不是很大(1∶40),应用氢氧化钠溶液吸收二氧化硫;氢氧化钠与二氧化硫反应较慢,不用防倒吸装置。正解:装置如图乙易错点2气体净化顺序、尾气处理等错误【例2】设计实验用二氧化锰与浓盐酸制备纯净、干燥的氯气,其他药品和试剂任选。在下面虚线框中,有分液漏斗和圆底烧瓶组成的气体发生器,请在虚线框内的发生装置之后完成该反应的实验装置示意图(夹持装置、连接胶管不必画出,需要加热的仪器下方用△标出),其他可选用的仪器(数量不限)简易表示如下:错解1:如图A碳酸氢钠溶液呈碱性,能吸收氯气;没有尾气处理装置。错解2:如图B先干燥,后除氯化氢,收集气体带有水蒸气;集气瓶密闭,空气无法排出,易发生危险。正解:装置如图C31.[2013·天津理综,9(5)]FeCl3在现代工业生产中应用广泛。某化学研究性学习小组模拟工业流程制备无水FeCl3经查阅资料得知:无水FeCl3在空气中易潮解,加热易升华。他们设计了制备无水FeCl3的实验方案,装置示意图(加热及夹持装置略去)如下:请在虚线框中画出尾气吸收装置E并注明试剂。答案2.Ⅰ.化学实验室制取氯化氢气体的方法之一是将浓硫酸滴入浓盐酸中。请从图中挑选所需仪...

1、当您付费下载文档后,您只拥有了使用权限,并不意味着购买了版权,文档只能用于自身使用,不得用于其他商业用途(如 [转卖]进行直接盈利或[编辑后售卖]进行间接盈利)。
2、本站所有内容均由合作方或网友上传,本站不对文档的完整性、权威性及其观点立场正确性做任何保证或承诺!文档内容仅供研究参考,付费前请自行鉴别。
3、如文档内容存在违规,或者侵犯商业秘密、侵犯著作权等,请点击“违规举报”。

碎片内容

【步步高】2015届高考化学大一轮复习 专题九 第6讲 实验作图题(含解析)

您可能关注的文档

;绿洲书城+ 关注
实名认证
内容提供者

从事历史教学,热爱教育,高度负责。

相关文档

确认删除?
VIP
微信客服
  • 扫码咨询
会员Q群
  • 会员专属群点击这里加入QQ群
客服邮箱
回到顶部