电脑桌面
添加小米粒文库到电脑桌面
安装后可以在桌面快捷访问

江苏省新沂市王楼中学高中化学 第二单元《化学能与电能的转化:电解原理》教案 苏教版选修4VIP免费

江苏省新沂市王楼中学高中化学 第二单元《化学能与电能的转化:电解原理》教案 苏教版选修4_第1页
1/3
江苏省新沂市王楼中学高中化学 第二单元《化学能与电能的转化:电解原理》教案 苏教版选修4_第2页
2/3
江苏省新沂市王楼中学高中化学 第二单元《化学能与电能的转化:电解原理》教案 苏教版选修4_第3页
3/3
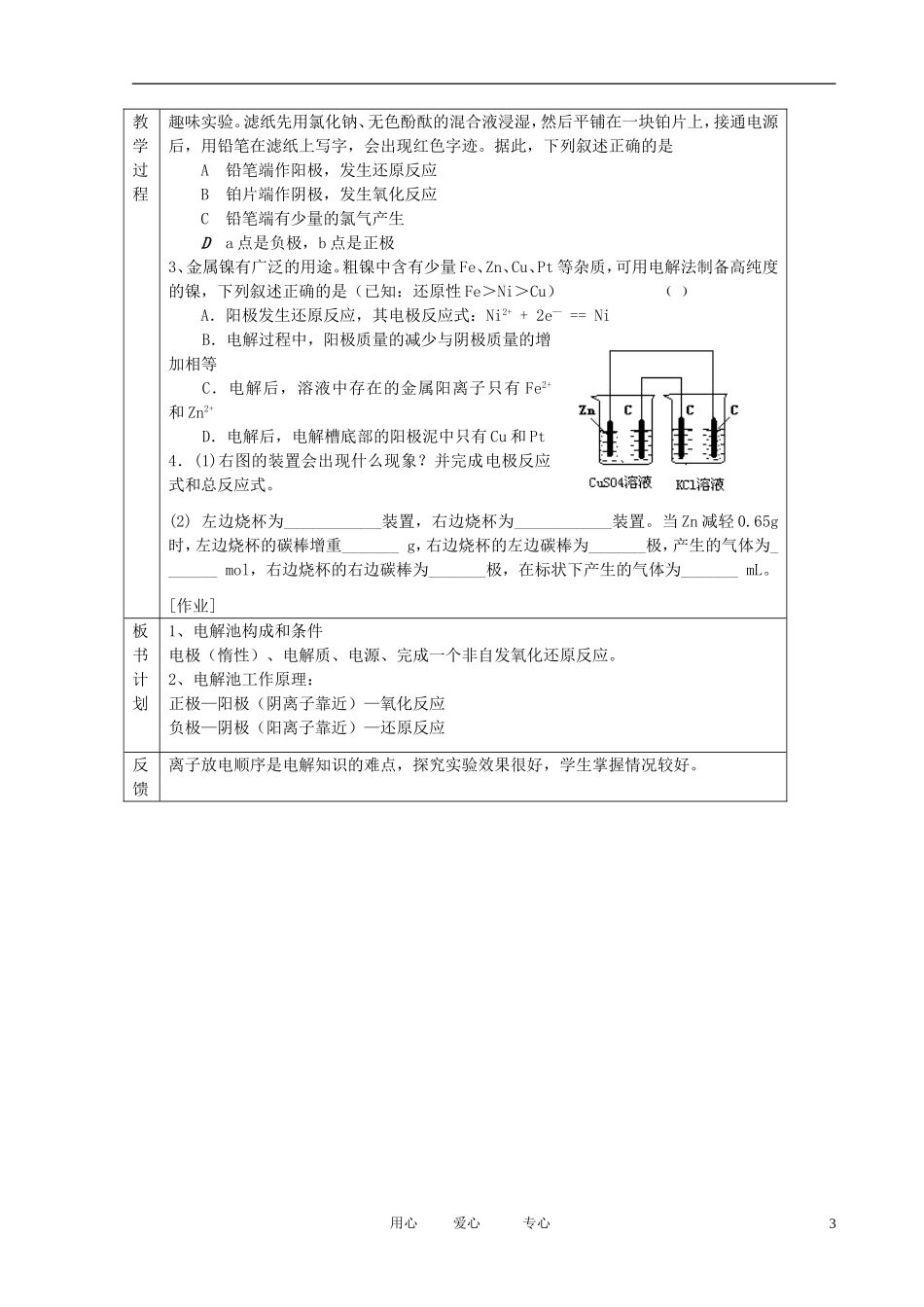
教学时间第三周3月3日本模块第7课时教学课题]专题专题1化学反应与能量变化单元第二单元化学能与电能的转化节题第一课时电解原理教学目标知识与技能通过电能转变为电能的探究活动,了解电解池的工作原理,能正确书写电解池的阴、阳极的电极反应式及电解反应方程式。过程与方法通过实验探究电能转化为化学能的装置,培养实验探究能力。情感态度与价值观通过分析电解原理体会化学反应对人类生活生产的作用,化学在解决人们生产、生活中的重要作用。教学重点电解池的工作原理教学难点电极反应式的正确书写。教学准备氯化铜溶液、U形管、稳压电源。教学过程教师主导活动学生主体活动[讨论]已知:2Na(s)+Cl2(g)==2NaCl(g)ΔH=-822.3kJ/mol2Al(s)+O2(g)==Al2O3(g)ΔH=-1675.7kJ/mol1.电离是指电解质___________或__________状态下离解成_________过程。电离需要通电吗?_[强调]电离针对电解质、在溶或熔条件下,结果产生自由移动离子。2.NaCl熔融后电离成_________离子,其在通电前作_________运动。通电后,在外电源的作用下,离子作_________移动而导电。(其中阳离子向电源的_________极移动,阴离子向电源的_________极移动。)在导电的同时,在阳、阴两极发生氧化—还原反应,即被电解。反应放出能量较大,说明生成的氯化钠、氧化铝比较稳定。如果要制得钠、铝金属。需外界提供较大能量,可以将电能转化为化学能,活泼金属都可以这样制得。溶于水或熔化状态下自由移动离子的过程,不需要。钠离子、自由移动。定向移动教师主导活动学生主体活动3.电后电极表面分别发生了什么化学反应?阳极:2Cl——2e-=Cl2用心爱心专心1教学过程4.发生的电极反应式:5.请分析电解过程中电子的流向:[活动与探究]P181.CuCl2溶液中含有哪些离子?2.通电前后,溶液中离子的运动状态有何不同?3.CuCl2溶液在通电过程中两极分别有什么现象发生?4.完成电极反应式和电解反应方程式[小结]1、在叫电解。将称为电解质。2、电解池工作原理:电源正极相连的为极,发生反应,电源负极相连的,发生反应。电解时溶液中阳离子向极移动,阴离子向极移动。氧化反应阴极:2Na++2e-=2Na氧化反应电子流向:负极—阴极正极—阳极CuCl2==Cu2++2Cl—H2OH++OH—自由运动状态,定向移动(阳离子移向阴极,阴离子移向阳极)阳极:有黄绿色气体,使湿润淀粉碘化钾试纸变蓝。阴极:电极棒上附着红色物质。阳极:2Cl——2e-=Cl2氧化反应阴极:Cu2++2e-=Cu还原反应电解反应方程式电解CuCl2==2Cu+Cl2Cu2++2Cl—==Cu+Cl21、电解池构成和条件电极(惰性)、电解质、电源、完成一个非自发氧化还原反应。2、电解池工作原理:正极—阳极(阴离子靠近)—氧化反应负极—阴极(阳离子靠近)—还原反应教师主导活动学生主体活动1.(03上海)右图是电解CuCl2溶液的装置,其中c、d为石墨电极。则下列有关的判断正确的是Aa为负极、b为正极Ba为阳极、b为阴极C电解过程中,d电极质量增加D电解过程中,氯离子浓度不变2.(07上海)某学生设计了一个“黑笔写红字”的用心爱心专心2教学过程趣味实验。滤纸先用氯化钠、无色酚酞的混合液浸湿,然后平铺在一块铂片上,接通电源后,用铅笔在滤纸上写字,会出现红色字迹。据此,下列叙述正确的是A铅笔端作阳极,发生还原反应B铂片端作阴极,发生氧化反应C铅笔端有少量的氯气产生Da点是负极,b点是正极3、金属镍有广泛的用途。粗镍中含有少量Fe、Zn、Cu、Pt等杂质,可用电解法制备高纯度的镍,下列叙述正确的是(已知:还原性Fe>Ni>Cu)﹙﹚A.阳极发生还原反应,其电极反应式:Ni2++2e—==NiB.电解过程中,阳极质量的减少与阴极质量的增加相等C.电解后,溶液中存在的金属阳离子只有Fe2+和Zn2+D.电解后,电解槽底部的阳极泥中只有Cu和Pt4.(1)右图的装置会出现什么现象?并完成电极反应式和总反应式。(2)左边烧杯为____________装置,右边烧杯为____________装置。当Zn减轻0.65g时,左边烧杯的碳棒增重_______g,右边烧杯的左边碳棒为_______极,产生的气体为_______mol,右边烧杯的右边碳棒为_______极,在标状下产生的气体为_______mL。[作业]板书计划1、电解池构成和条件电极(惰性)、...

1、当您付费下载文档后,您只拥有了使用权限,并不意味着购买了版权,文档只能用于自身使用,不得用于其他商业用途(如 [转卖]进行直接盈利或[编辑后售卖]进行间接盈利)。
2、本站所有内容均由合作方或网友上传,本站不对文档的完整性、权威性及其观点立场正确性做任何保证或承诺!文档内容仅供研究参考,付费前请自行鉴别。
3、如文档内容存在违规,或者侵犯商业秘密、侵犯著作权等,请点击“违规举报”。

碎片内容

江苏省新沂市王楼中学高中化学 第二单元《化学能与电能的转化:电解原理》教案 苏教版选修4

您可能关注的文档

星河书苑+ 关注
实名认证
内容提供者

从事历史教学,热爱教育,高度负责。

确认删除?
VIP
微信客服
  • 扫码咨询
会员Q群
  • 会员专属群点击这里加入QQ群
客服邮箱
回到顶部