电脑桌面
添加小米粒文库到电脑桌面
安装后可以在桌面快捷访问

最新钢化玻璃国标VIP免费

最新钢化玻璃国标_第1页
1/13
最新钢化玻璃国标_第2页
2/13
最新钢化玻璃国标_第3页
3/13
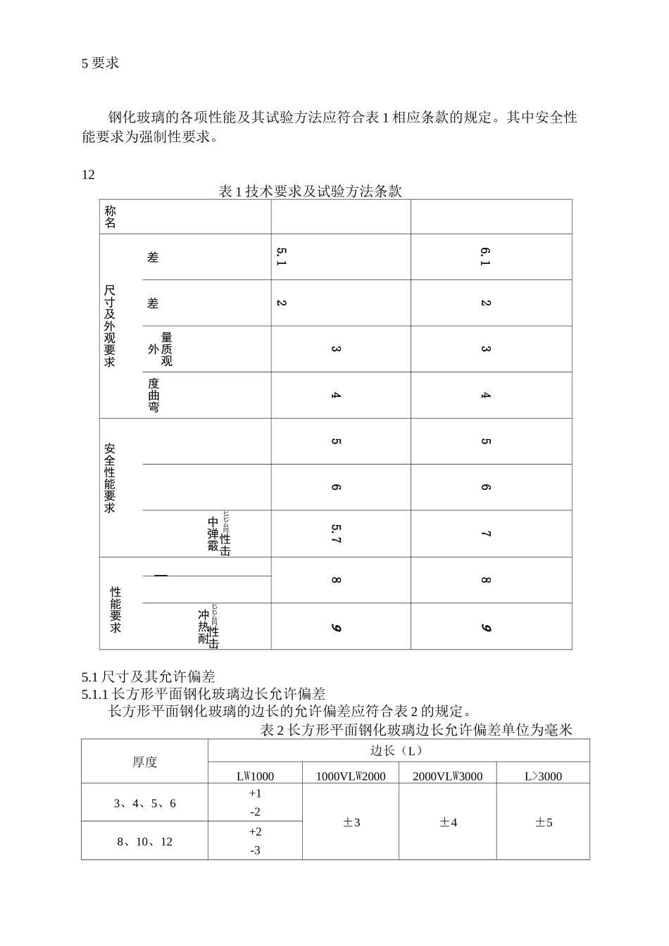
最新钢化玻璃国标(建筑玻璃)建筑用安全玻璃第2部分:钢化玻璃SafetyglazingmaterialsinbuildingPart2:Temperedglass1范围GB15763的本部分规定了经热处理工艺制成的建筑用钢化玻璃的分类、技术要求、试验方法和检验规则。GB15763的本部分适用于经热处理工艺制成的建筑用钢化玻璃。对于建筑以外用的(如工业装备、家具等)钢化玻璃,如果没有相应的产品标准,可根据其产品特点参照使用本标准。2规范性引用文件下列文件中的条款通过本部分的引用而成为本部分的条款。凡是注日期的引用文件,其随后所有的修改单(不包括勘误的内容)或修订版均不适用于本标准,然而,鼓励根据本部分达成协议的各方研究是否可使用这些文件的最新版本。凡是不注日期的引用文件,其最新版本适用于本部分。GB9962-1999夹层玻璃GB11614浮法玻璃GB/T18144玻璃应力测试方法3定义及分类3.1定义钢化玻璃:经热处理工艺之后的玻璃。其特点是在玻璃表面形成压应力层,机械强度和耐热冲击强度得到提高,并具有特殊的碎片状态。3.2分类3.2.1钢化玻璃按生产工艺分类,可分为:垂直法钢化玻璃:在钢化过程中采取夹钳吊挂的方式生产出来的钢化玻璃。水平法钢化玻璃:在钢化过程中采取水平辊支撑的方式生产出来的钢化玻璃。3.2.2钢化玻璃按形状分类,分为平面钢化玻璃和曲面钢化玻璃。4钢化玻璃所使用的玻璃生产钢化玻璃所使用的玻璃,其质量应符合相应的产品标准的要求。对于有特殊要求的,用于生产钢化玻璃的玻璃,玻璃的质量由供需双方确定。5要求钢化玻璃的各项性能及其试验方法应符合表1相应条款的规定。其中安全性能要求为强制性要求。12表1技术要求及试验方法条款称名尺寸及外观要求差5.16.1差22量质观外33度曲弯44安全性能要求5566匕匕厶冃性击中弹霰5.77性能要求一88匕匕厶冃性击冲热耐995.1尺寸及其允许偏差5.1.1长方形平面钢化玻璃边长允许偏差长方形平面钢化玻璃的边长的允许偏差应符合表2的规定。表2长方形平面钢化玻璃边长允许偏差单位为毫米厚度边长(L)LW10001000VLW20002000VLW3000L>30003、4、5、6+1-2±3±4±58、10、12+2-315±4±419±5±5±6±7>19供需双方商定5.1.2长方形平面钢化玻璃的对角线差应符合表3的规定。表3长方形平面钢化玻璃对角线差允许值单位为毫米玻璃公称厚度对角线差允许值边长<20002000V边长<3000边长>30003、4、5、6±3.0±4.0±5.08、10、12±4.0±5.0±6.015、19±5.0±6.0±7.0>19供需双方商定135.1.3其他形状的钢化玻璃的尺寸及其允许偏差由供需双方商定。5.1.4边部加工边部加工形状及质量由供需双方商定.5.1.5圆孔5.1.5.1概述本条只适用于公称厚度不小于4mm的钢化玻璃。圆孔的边部加工质量由供需双方商定。5.1.5.2孑L径孔径一般不小于玻璃的公称厚度,孔径的允许偏差应符合表4的规定。小于玻璃的公称厚度的孔的孔径允许偏差由供需双方商定,.表4孔径及其允许偏差单位为毫米公称孔径(D)允许偏差4WDW50±1.050VDW100±2.0D>100供需双方商定5.1.5.3孔的位置1)孔的边部距玻璃边部的距离a不应小于玻璃公称厚度的2倍。如图1所示。14图1孔的边部距玻璃边部的距离示意图2)两孔孔边之间的距离b不应小于玻璃公称厚度的2倍。如图2所示。图2两孔孔边之间的距离示意图3)孔的边部距玻璃角部的距离c不应小于玻璃公称厚度d的6倍。如图3所示。注:如果孔的边部距玻璃角部的距离小于35mm,那么这个孔不应处在相对于角部对称的位置上。具体位置由供需双方商定。图3孔的边部距玻璃角部的距离示意图4)圆心位置表示方法及其允许偏差圆孔圆心的位置的表达方法可参照图4进行。如图4建立坐标系,用圆心的位置坐标(x,y)表达圆心的位置。圆孔圆心的位置x、y的允许偏差与玻璃的边长允许偏差相同(见表2)。图4圆心位置表示方法155.2厚度及其允许偏差5.2.1钢化玻璃的厚度的允许偏差应符合表5的规定。表5厚度及其允许偏差单位为毫米公称厚度厚度允许偏差3、4、5、6±0・28、10±0.312±0.415±0.619±1.0>19供需双方商定5.2.2对于表5未作规定的公称厚度的玻璃,其厚度允许偏差可采用表5中与其邻近的较薄厚度的玻璃的规定,或由供需双方商定。5.3外观质量钢化玻璃的外观质量应满足表6的要求。5....

1、当您付费下载文档后,您只拥有了使用权限,并不意味着购买了版权,文档只能用于自身使用,不得用于其他商业用途(如 [转卖]进行直接盈利或[编辑后售卖]进行间接盈利)。
2、本站所有内容均由合作方或网友上传,本站不对文档的完整性、权威性及其观点立场正确性做任何保证或承诺!文档内容仅供研究参考,付费前请自行鉴别。
3、如文档内容存在违规,或者侵犯商业秘密、侵犯著作权等,请点击“违规举报”。

碎片内容

最新钢化玻璃国标

您可能关注的文档

确认删除?
VIP
微信客服
  • 扫码咨询
会员Q群
  • 会员专属群点击这里加入QQ群
客服邮箱
回到顶部