电脑桌面
添加小米粒文库到电脑桌面
安装后可以在桌面快捷访问

医院医疗废水消毒方案VIP免费

医院医疗废水消毒方案_第1页
1/6
医院医疗废水消毒方案_第2页
2/6
医院医疗废水消毒方案_第3页
3/6
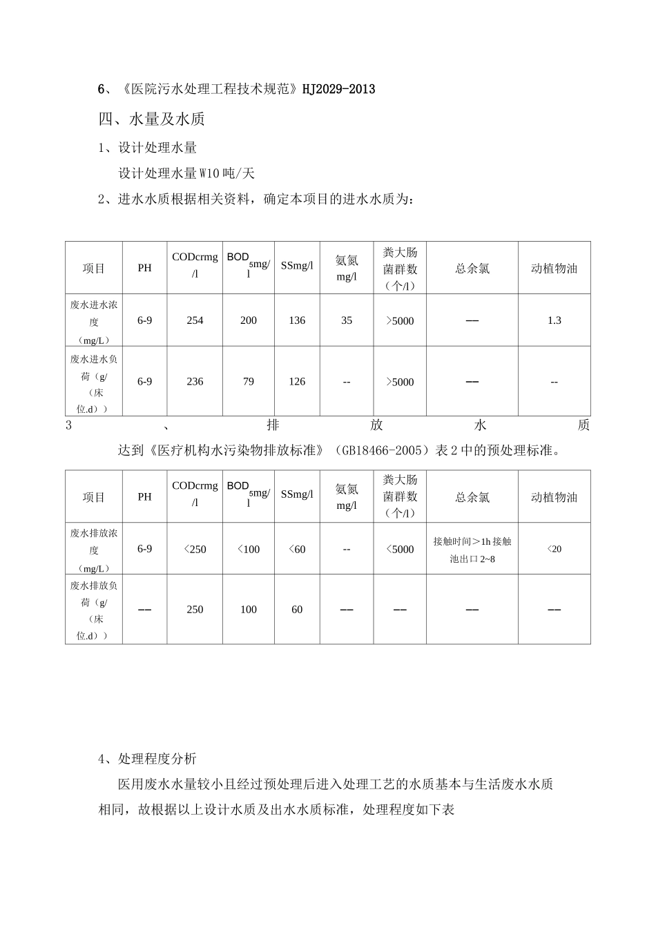
***医院医疗废水消毒处理方案***环保工程有限公司二0一五年五月***医院医疗废水消毒方案一、概述***医院建设项目位于市,该项目主要为医疗用水、病员用水、员工办公用水、清洁用水。医院所排放的污水中含有大量的病原体、病菌、病毒及寄生虫卵等,这些病原体在环境中有一定的抵抗能力,在污水中存活时间很长。当人们接触或饮食被病原体污染的水或食物就会使人致病,甚至会引起传染病的流行。同时,医院污水中还含有消毒剂、试剂等化学物质对环境和人类的身体健康都会带一些不良影响,因此,对医院污水的治理具有极其重要的意义。由于该医院位于市,属市重点城区。为了保护环境,减轻对附近水体的污染,拟对该医院医疗废水进行综合治理,新建医疗废水消毒设施,达到国家《医疗机构水污染物排放标准GB18466-2005》表2中预处理排放标准。经处理后的医疗废水排入市政污水管网,进入污水处理厂集中处理,处理达标后排放。我公司根据业主提供的相关资料,结合同类工程实践经验,并在调查研究的基础上,编制了本工程医疗废水处理方案,本方案综合考虑了处理工艺的经济性、科学性、可行性、可靠性、具低能耗、易操作、占地面积小等特点。二、设计指导思想及重要原则1、满足环保部门控制要求,医疗废水处理后按《医疗机构水污染物排放标准》(GB18466-2005)表2中预处理标准。2、贯彻国家和地方政府有关节能、环保、安全与工业卫生、消防、抗震等政策、法令及规范。3、结合工程实际,采用高效可靠的工艺流程及设备,以技术先进适用、生产操作简便、维护管理便捷为原则。4、技术经济性,工程布局合理。三、设计依据1、《医疗机构水污染物排放标准》(GB18466-2005)2、地面水环境标准(GB3838-2002)V类3、《环境工程手册—水污染防治卷》4、《给排水工程手册》5、《室外排水设计规范》(1997年版)6、《医院污水处理工程技术规范》HJ2029-2013四、水量及水质1、设计处理水量设计处理水量W10吨/天2、进水水质根据相关资料,确定本项目的进水水质为:项目PHCODcrmg/lBOD5mg/lSSmg/l氨氮mg/l粪大肠菌群数(个/l)总余氯动植物油废水进水浓度(mg/L)6-925420013635>5000--1.3废水进水负荷(g/(床位.d))6-923679126-->5000----3、排放水质达到《医疗机构水污染物排放标准》(GB18466-2005)表2中的预处理标准。项目PHCODcrmg/lBOD5mg/lSSmg/l氨氮mg/l粪大肠菌群数(个/l)总余氯动植物油废水排放浓度(mg/L)6-9<250<100<60--<5000接触时间>1h接触池出口2~8<20废水排放负荷(g/(床位.d))--25010060--------4、处理程度分析医用废水水量较小且经过预处理后进入处理工艺的水质基本与生活废水水质相同,故根据以上设计水质及出水水质标准,处理程度如下表序号主要指标项目设计进水水质(mg/L)设计出水水质(mg/L)处理程度1CODcr25419025%2BOD520010050%3SS1365460%项目拟采一级处理工艺,以保证出水水质能达到排放要求。五、处理工艺、主要构筑物及设备1、废水特点医疗废水:该水水质污染物浓度较高,需通过预处理后方可进入后续处理工艺,进一步处理。生活废水:该部分废水主要来源于日常用水,废水中除含有悬浮物、有机物、氨氮、磷等,还含有少量油类、洗涤类污染物。由于污水中的污染物是以有机物为主,其生化性较好,所以通常情况下生活污水的处理都是采用生物处理的方法。生活污水的处理方法从处理工艺上分为厌氧生物处理和好氧生物处理。好氧生化法常用有活性污泥法(A/0,SBR,MBR)、生物接触氧化法和曝气生物滤池法(BAF)等,厌氧生化法常见为水解酸化法、厌氧接触法、厌氧滤池法和上流式厌氧污泥反应器(UASB)。2、常用污水处理技术及水平污水处理一般划分为初级处理、生化处理(二级处理)和深度处理(三级处理)三个处理水平。初级处理(一级)生化处理(二级)深度处理(三级)常用工格栅、沉淀池和化粪池等接触氧化、生物滤池、氧化塘、净化沼气池和人工湿地等沉淀、过滤处理效果去除悬浮颗粒物SS和部分BOD大幅度去除污中呈胶体和溶解状的有机性污染物BOD氨氮进一步去除前一阶段未能降解的有机物及悬浮物、磷等初级处理是指通过格栅或沉淀池等除去部分悬浮固体和有机质的过程。通过...

1、当您付费下载文档后,您只拥有了使用权限,并不意味着购买了版权,文档只能用于自身使用,不得用于其他商业用途(如 [转卖]进行直接盈利或[编辑后售卖]进行间接盈利)。
2、本站所有内容均由合作方或网友上传,本站不对文档的完整性、权威性及其观点立场正确性做任何保证或承诺!文档内容仅供研究参考,付费前请自行鉴别。
3、如文档内容存在违规,或者侵犯商业秘密、侵犯著作权等,请点击“违规举报”。

碎片内容

医院医疗废水消毒方案

确认删除?
VIP
微信客服
  • 扫码咨询
会员Q群
  • 会员专属群点击这里加入QQ群
客服邮箱
回到顶部