电脑桌面
添加小米粒文库到电脑桌面
安装后可以在桌面快捷访问

二氧化硫的知识归纳VIP免费

二氧化硫的知识归纳_第1页
1/6
二氧化硫的知识归纳_第2页
2/6
二氧化硫的知识归纳_第3页
3/6
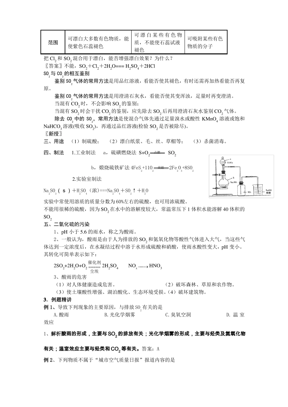
二氧化硫1.复习重点1.二氧化硫的物理性质、化学性质。2.重点是二氧化硫的氧化性、还原性、漂白性。2.难点聚焦一、二氧化硫的物理性质无色、有刺激性气味的有毒气体;密度比空气大;易溶于水(1∶40);(可用于进行喷泉实验,如SO2、HCl、NH3)易液化(-10℃)二、二氧化硫的化学性质1、酸性氧化物能和碱反应生成盐和水:SO2+2NaOH===Na2SO3+H2O能与水反应生成相应的酸:SO2+H2O===H2SO3(二氧化硫的水溶液使紫色石蕊试液变红)二氧化硫溶于水形成的亚硫酸只能存在于溶液中,它很不稳定,容易分解成水和二氧化硫,故二氧化硫溶于水的反应是可逆反应。SO2+H2OH2SO3SO2与CO2性质的比较名称与H2O反应CO2+H2O与碱反应与盐反应CO2H2CO3SO2+H2OSO2H2SO3CO2+2NaOH===Na2CO3+H2OSO2+2NaOH===Na2SO3+H2OCO2+NaOH===NaHCO3SO2+NaOH===NaHSO3CO2+Ca(OH)2===CaCO3↓+H2OSO2+Ca(OH)2===CaSO3↓+H2OCO2+CaCO3+H2O===Ca(HCO3)2CaSO3+SO2+H2O===Ca(HSO3)22、氧化性:SO2气体通过氢硫酸,溶液变浑浊,有淡黄色不溶物出现。SO2+2H2S===3S↓+2H2O3、还原性:SO2使溴水和高锰酸钾溶液褪色SO2+Br2+2H2O===H2SO4+2HBr5SO2+2KMnO4+2H2O===K2SO4+2MnSO4+2H2SO42SO2+O22SO3(SO3+H2O===H2SO4,SO3是无色固体SO3是一种无色固体,熔点是16.80C,沸点也只有44.8℃,易溶于水,溶于水时放出大量的热。)4、漂白性:SO2使品红溶液褪色SO2能使某些有色物质褪色,是由于二氧化硫可跟某些有色物质化合成无色物质,而化合成的无色物质却是不稳定的,易分解而恢复原来有色物质的颜色。漂白性的比较物质原理实质效果具有漂白性的物质HClO、O3、H2O2、Na2O2将有色物质氧化分解氧化还原反应永久性SO2与有色物质结合生成无色物质非氧化还原反应暂时性木炭将有色物质的分子吸附在其表面物理吸附暂时性范围可漂白大多数有色物质,能使紫色石蕊褪色可漂白某些有色物质,不能使石蕊试液褪色可吸附某些有色物质的分子把Cl2和SO2混合用于漂白,能否增强漂白效果?为什么?〖答案〗不能,SO2+Cl2+2H2O===H2SO4+2HClSO2与CO2的相互鉴别鉴别SO2气体的常用方法是用品红溶液,看能否使其褪色,有时还需再加热看能否再复原。鉴别CO2气体的常用方法是用澄清石灰水,看能否使其变浑浊,足量时再变澄清。当混有CO2时,不会影响SO2的鉴别;当混有SO2时会干扰CO2的鉴别,应先除去SO2后再用澄清石灰水鉴别CO2气体。除去CO2中的SO2,常用方法是使混合气体先通过足量溴水或酸性KMnO4溶液或饱和NaHCO3溶液(吸收SO2),再通过品红溶液(检验SO2是否被除尽)。〖新授〗三、用途(1)制硫酸;(2)漂白纸浆、毛、丝、草帽等;(3)杀菌消毒。四、制法1.工业制法a,硫磺燃烧法S+O2点燃SO22Fe2O3+8SO2b,煅烧硫铁矿法4FeS2+11O22.实验室制法Na2SO3(s)+H2SO4(浓)===Na2SO4+SO2↑+H2O高温实验中常使用溶质的质量分数为60%左右的硫酸,也可用浓硫酸。不能用很稀的硫酸,因为SO2在水中的溶解度较大,常温常压下1体积水能溶解40体积的SO2五、二氧化硫的污染1、pH小于5.6的雨水,称之为酸雨。2、一般认为,酸雨是由于人为排放的SO2和氮氧化物等酸性气体进入大气,当这些气体达到一定浓度后,在水凝结过程中溶于水形成硫酸和硝酸,使雨水酸性变大,pH变小。其转化可简单表示如下:HNO32SO2+2H2O+O22H2SO4NOx尘埃催化剂3、酸雨的危害(1)对人体健康造成危害。(2)破坏森林、草原和农作物。(3)使土壤酸性增强、湖泊酸化、生态环境受损。(4)破坏建筑物。3.例题精讲例1、导致下列现象的主要原因,与排放SO2有关的是A.酸雨B.光化学烟雾C.臭氧空洞D.温室效应1、解析酸雨的形成,主要与SO2的排放有关;光化学烟雾的形成,主要与烃类及氮氧化物有关;温室效应主要与烃类和CO2等有关。答案:A例2、下列物质不属于“城市空气质量日报”报道内容的是A.二氧化硫B.氮氧化物C.二氧化碳D.悬浮颗粒2、解析城市空气质量日报的内容是二氧化硫、氮氧化物和悬浮颗粒,而二氧化碳不属于此报道内容。答案:C例3、高温下硫酸亚铁发生如下反应:2FeSO4Fe2O3+SO2↑+SO3↑,若将生成的气体通入氯化钡溶液中,得到的沉淀物是A.BaSO3和B...

1、当您付费下载文档后,您只拥有了使用权限,并不意味着购买了版权,文档只能用于自身使用,不得用于其他商业用途(如 [转卖]进行直接盈利或[编辑后售卖]进行间接盈利)。
2、本站所有内容均由合作方或网友上传,本站不对文档的完整性、权威性及其观点立场正确性做任何保证或承诺!文档内容仅供研究参考,付费前请自行鉴别。
3、如文档内容存在违规,或者侵犯商业秘密、侵犯著作权等,请点击“违规举报”。

碎片内容

二氧化硫的知识归纳

爱的疯狂+ 关注
实名认证
内容提供者

该用户很懒,什么也没介绍

确认删除?
VIP
微信客服
  • 扫码咨询
会员Q群
  • 会员专属群点击这里加入QQ群
客服邮箱
回到顶部