电脑桌面
添加小米粒文库到电脑桌面
安装后可以在桌面快捷访问

隔音墙施工方案VIP免费

隔音墙施工方案_第1页
1/50
隔音墙施工方案_第2页
2/50
隔音墙施工方案_第3页
3/50
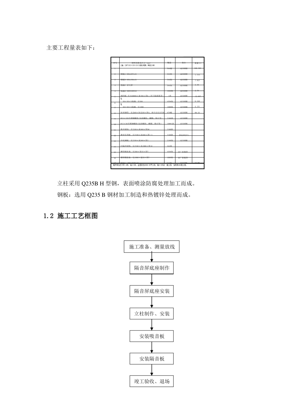
1安装、施工工艺1.1工程概况深平大道特区内高架段声屏障工程第二标段,包括四段隔音墙,详细位置及长度见下表:编号ⅡⅢⅣⅧ总长度隔音墙和现状防撞墙的走向一致,设置在防撞墙顶上,隔音墙热镀锌方柱通过四根M24mm螺栓固定在防撞墙上。隔音墙高度为3.3米,上部为1.8米高米黄色吸音板,中间为1米高PC隔音板,下部为米黄色吸音板,立柱采用型钢柱草绿色,间距2.5m。本标段端点号C1、DE、FG1、HP、Q本标段起点桩号(C)230655.9(A)272.35410本标段起点桩号(E)41.8950K0+950580长度(m)181.3295.3714.9170.31361.8隔声板固定结构大样图如下:1505M6×30不锈钢螺栓@4605010201064505槽型橡胶条55×7PC隔声板厚107109.555200~160L50×50×5角钢M12×50不锈钢螺栓@460直径14过螺栓孔调节垫块热轧H型钢1022橡胶垫厚5701015070吸声组件固定结构大样图如下:1505槽型橡胶条55×750102010505铝合金微穿孔面板厚2.5吸声材料厚50冷轧背板厚27102.554.5225262.560×50×4矩形钢管50200~160焊接50×50×5角钢M12×50不锈钢螺栓@300?14过螺栓孔调节垫块热轧H型钢10701015070主要工程量表如下:序号12344567891011121314151617钢板A300x827x16钢板B300x340x16肋板C详大样肋板D200X100X16钢挡板:长2540000×宽200×厚6(用于隔离器顶)50×50×5角钢,长56050×50×5角钢,长1000矩形钢管:长边60×短边50×厚4,单片总长22720M24×320不锈钢螺栓(包括螺栓、螺帽、垫片等)M12×50不锈钢螺栓(包括螺栓、螺帽、垫片等)吸声材料:长2330×高560×厚50微穿孔铝板:长2330×高560×厚2.5冷轧钢板:长2330×高560×厚2PC隔声材料:长2330×高1000×厚10槽型橡胶条:长560×宽55×厚7槽型橡胶条:长1000×宽55×厚7钢板F200x2100x10材料名称及尺寸(mm)数量544根544块544块544块1089块1块4356块1089块679根2168套10891套2168块2168块2168块544块4356块1089块544块由厂家提供由厂家提供Q235B钢17.96穿孔率25%Q235B钢备注Q235B钢Q235B钢Q235B钢Q235B钢Q235B钢Q235B钢Q235B钢Q235B钢Q235B钢Q235B钢Q235B钢重量(t)100.3831.7537.0273.482.7912.8879.2494.13199.55立柱采用Q235BH型钢,表面喷涂防腐处理加工而成。钢板:选用Q235B钢材加工制造和热镀锌处理而成。1.2施工工艺框图施工准备、测量放线隔音屏底座制作隔音屏底座安装立柱制作、安装安装吸音板安装隔音板竣工验收、退场1.3隔音墙主要技术性能及要求隔音墙由吸声、隔声两种材料组合而成,上部为1.8米高米黄色吸音板,中间为1米高PC隔音板,下部为米黄色吸音板,要求隔音屏要满足以下特点:1、隔声材料材料:(1)、国产或进口PC板,双面抗紫外线(UV)保护;厚度:10mm;(2)隔声量:>32dB(A);并提供有检测资质的单位进行的声学研究中心的检测证明;(3)透光度:>84%;(4)耐候性:出具材料生产商签署的至少10年的抗紫外耐侯性品质保证书,保证:黄变系数△值<10,透光率损失<6%;生产厂商提供板材10年不破碎的质量保证。为保证质量,抗紫外线保护层使用电化学镀层法生产;(5)防火性指标:达到B1级,提供国家防火建筑材料质量监督检测中心的防火测试报告;(6)抗油污和酸雨侵蚀:表面具有抗磨花涂层,并能抗油污和酸雨的侵蚀;(7)强度指标:依照欧洲prEN12415方法测试,应达到C2级,提供相应测试报告。2、吸声材料(1)使用微穿孔铝板作为吸声材料外包装组件,表面防腐处理采用氟碳喷涂;背板材料选用冷轧钢板,表面防腐采用喷塑处理。系数△值<10,透光率损失<6%;生产厂商提供板材10年不破碎的质量保证。为保证质量,抗紫外线保护层使用电化学镀层法生产;(2)使用聚乙烯类闭孔结构的非亲水性材料作为吸声材料的主材;(3)吸声材料表面为闭合结构,不具有孔腔等开放性结构,避免公路上的灰尘、杂物、水雾等堵塞表面,而造成吸音性能迅速下降,所用吸声材料具有封闭的表面结构,可以长期保持稳定的吸声性能;(4)所选用吸声材料便于加工,适合工人在工地的批量安装,不会产生对工人有害的粉尘、纤维、气体等物质;(5)吸声系数:按照GBJ47-83《混响室法吸声系数测量规范》检测,降噪系数NRC>0.6,并提供有检测资质的单位进行的检测证明...

1、当您付费下载文档后,您只拥有了使用权限,并不意味着购买了版权,文档只能用于自身使用,不得用于其他商业用途(如 [转卖]进行直接盈利或[编辑后售卖]进行间接盈利)。
2、本站所有内容均由合作方或网友上传,本站不对文档的完整性、权威性及其观点立场正确性做任何保证或承诺!文档内容仅供研究参考,付费前请自行鉴别。
3、如文档内容存在违规,或者侵犯商业秘密、侵犯著作权等,请点击“违规举报”。

碎片内容

隔音墙施工方案

确认删除?
VIP
微信客服
  • 扫码咨询
会员Q群
  • 会员专属群点击这里加入QQ群
客服邮箱
回到顶部