电脑桌面
添加小米粒文库到电脑桌面
安装后可以在桌面快捷访问

经营管理诊断系列表VIP免费

经营管理诊断系列表_第1页
1/22
经营管理诊断系列表_第2页
2/22
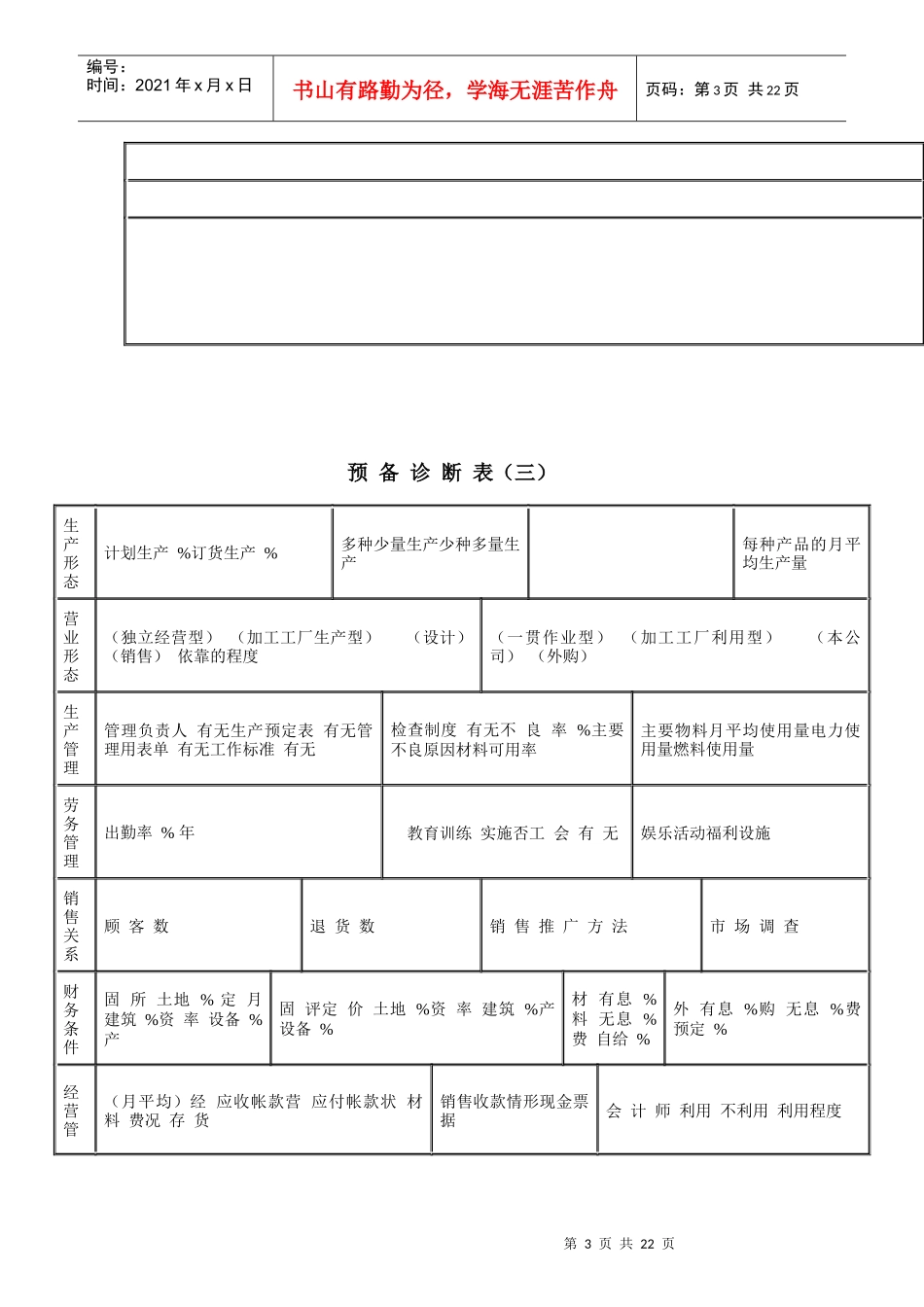
经营管理诊断系列表_第3页
3/22
第1页共22页编号:时间:2021年x月x日书山有路勤为径,学海无涯苦作舟页码:第1页共22页经营管理诊断系列表格中小企业诊断表公司名称:诊断目的:诊断事项:判定标准上中上中中下下诊断积分诊断人:预备诊断表(一)工厂名称地址电话负责人创立年月日企业形态资本额第2页共22页第1页共22页编号:时间:2021年x月x日书山有路勤为径,学海无涯苦作舟页码:第2页共22页所属会员员工人数长期员工事务员技术员员工计临时工面积土地建筑栋数男女计机械设备种数台数利用率生产状况产品种类生产能力(月平均)生产积数(月平均)平均每一员工的生产量卫星工厂的利用程度销售关系范围销售途径产品供应的关系内销%外销%直接销售%贸易商%经销商%直接外销%共同生产%共同外销%有无共同生产的工厂有无其他支援劳动关系平均工资职员员工平均平均年龄劳务时间男女平均工资制度固定工资%奖金%预备诊断表(二)第3页共22页第2页共22页编号:时间:2021年x月x日书山有路勤为径,学海无涯苦作舟页码:第3页共22页预备诊断表(三)生产形态计划生产%订货生产%多种少量生产少种多量生产每种产品的月平均生产量营业形态(独立经营型)(加工工厂生产型)(设计)(销售)依靠的程度(一贯作业型)(加工工厂利用型)(本公司)(外购)生产管理管理负责人有无生产预定表有无管理用表单有无工作标准有无检查制度有无不良率%主要不良原因材料可用率主要物料月平均使用量电力使用量燃料使用量劳务管理出勤率%年教育训练实施否工会有无娱乐活动福利设施销售关系顾客数退货数销售推广方法市场调查财务条件固所土地%定月建筑%资率设备%产固评定价土地%资率建筑%产设备%材有息%料无息%费自给%外有息%购无息%费预定%经营管(月平均)经应收帐款营应付帐款状材料费况存货销售收款情形现金票据会计师利用不利用利用程度第4页共22页第3页共22页编号:时间:2021年x月x日书山有路勤为径,学海无涯苦作舟页码:第4页共22页理进货付款情形现金票据成本计算实施未实施预算控制实施未实施帐簿组织预备诊断表(四)区分调查检讨事项记事诊断动机1.对实际问题合理化的期望2.遭遇重大困难应予诊断3.以诱劝的方式期能改进4.接受受诊工厂的要求管理状况1.组织图的结构2.独裁经营3.各项规章与表单整理4.计量的充分利用技术水准1.管理技术(高、中、低)2.生产技术(高、中、低)3.作业技术(高、中、低)4.其他技术(高、中、低)经营改善状况1.前次诊断被接受的情形2.顾问师的利用情形3.自行改善的研究情形4.经营管理的特殊事项诊断的重点1.整体性诊断2.经理阶层的诊断第5页共22页第4页共22页编号:时间:2021年x月x日书山有路勤为径,学海无涯苦作舟页码:第5页共22页3.生产部门的一般性诊断4.其他事项指导意见1.热诚的程度2.驱使力3.接受专门性与继续性指导的程度4.其他预备调查表(一)(资产负债表)资产当期前期增减负债资本当期前期增减流动资产现有资产现金流动负债银行借款应收票据其他借款应收帐款应付票据有价证券预收帐款现付帐款代收帐款代付帐款其他债现有资产总额流动负债统计存货商品提存款呆帐准备制品预存税款半成品预存退休金原料贮藏品提存款总计其他存货总额固长期借款第6页共22页第5页共22页编号:时间:2021年x月x日书山有路勤为径,学海无涯苦作舟页码:第6页共22页定负债流动资产固定资产有形土地建筑设备固定负债总计工具自己资本资本车辆法定公积金退休公积金无形营业权其他公积金专利权地上权上期移来投资出资金本期损益投资证券自己资本计长期放款固定资产创办费资产总计负债资本总计预备调查表(二)时期项目当前自年月日至年月日前期自年月日至年月日计月平均销售销售总额销售退回第7页共22页第6页共22页编号:时间:2021年x月x日书山有路勤为径,学海无涯苦作舟页码:第7页共22页销售净额销售成本当期制造成本材料(+)当期购料期初材料(-)合计期末材料当期材料费外购加工费劳务费制造费用当制造费用计(+)期初存货计(-)期末存货制造费用计(+)期初在制品计(-)期末在制品销售成本销售利润一般管理费用营业利润营业外利润营业外费用其他当期净利(加工成本及...

1、当您付费下载文档后,您只拥有了使用权限,并不意味着购买了版权,文档只能用于自身使用,不得用于其他商业用途(如 [转卖]进行直接盈利或[编辑后售卖]进行间接盈利)。
2、本站所有内容均由合作方或网友上传,本站不对文档的完整性、权威性及其观点立场正确性做任何保证或承诺!文档内容仅供研究参考,付费前请自行鉴别。
3、如文档内容存在违规,或者侵犯商业秘密、侵犯著作权等,请点击“违规举报”。

碎片内容

经营管理诊断系列表

您可能关注的文档

确认删除?
VIP
微信客服
  • 扫码咨询
会员Q群
  • 会员专属群点击这里加入QQ群
客服邮箱
回到顶部