电脑桌面
添加小米粒文库到电脑桌面
安装后可以在桌面快捷访问

沈阳分户验收表 一套VIP免费

沈阳分户验收表 一套_第1页
1/13
沈阳分户验收表 一套_第2页
2/13
沈阳分户验收表 一套_第3页
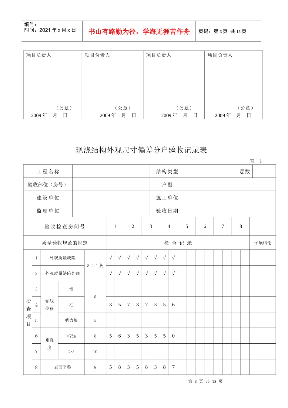
3/13
第1页共13页编号:时间:2021年x月x日书山有路勤为径,学海无涯苦作舟页码:第1页共13页附件一住宅工程质量分户验收表工程名称:旺力城售楼处A2-1房号单元楼层户号建设单位沈阳旺力地产开发有限公司施工单位浙江万利建筑工程有限公司监理单位抚顺金鼎建设监理有限责任公司开工日期2009年月日竣工日期2010年月日序号验收内容单项验收结论1建筑结构外观尺寸偏差2门窗安装质量3护栏质量4地面、墙面和天棚的面层质量5防水工程质量6采暖系统安装质量7给水、排水系统安装质量8室内电气工程安装质量9其它规定、标准中要求分户检查的内容10综合验收结论验收单位建设单位施工单位监理单位项目负责人项目经理总监理工程师第2页共13页第1页共13页编号:时间:2021年x月x日书山有路勤为径,学海无涯苦作舟页码:第2页共13页(验收专用章)年月日(验收专用章)年月日(验收专用章)年月日附件二住宅工程质量分户验收汇总表工程名称建设单位总户数监理单位施工单位物业单位内容验收情况验收户数户功能性试验上下水通水试验均合格散热器压力符合要求电气工程通电,接地,绝缘测试均合格外墙外墙砖整齐平整,宏观合格公共部分楼梯间扶手安装符合要求合格保温节能节能达到设计要求验收结论该工程分户,全部经分户验收合格。建设单位监理单位施工单位物业单位第3页共13页第2页共13页编号:时间:2021年x月x日书山有路勤为径,学海无涯苦作舟页码:第3页共13页项目负责人(公章)2009年月日项目负责人(公章)2009年月日项目负责人(公章)2009年月日项目负责人(公章)2009年月日现浇结构外观尺寸偏差分户验收记录表表—1工程名称结构类型层数验收部位(房号)户型建设单位施工单位监理单位验收日期验收检查房间号12345678质量验收规范的规定检查记录子项结论检查项目1外观质量缺陷8.2.1条√√√√√√√√2外观质量缺陷处理√√√√√√√√3轴线位移墙84柱357373565剪力墙56垂直度≤5m8563535507>5108表面平整858358387第4页共13页第3页共13页编号:时间:2021年x月x日书山有路勤为径,学海无涯苦作舟页码:第4页共13页9标高(层)±10+7-6-4-9+3+3+2-8复查记录符合要求验收意见同意验收责任签署建设单位施工单位监理单位验收人员:(验收专用章)年月日验收人员:(验收专用章)年月日验收人员:(验收专用章)年月日砌体(混水)工程质量分户验收记录表表—2工程名称结构类型层数验收部位(房号)户型建设单位施工单位监理单位验收日期验收检查房间号12345678质量验收规范的规定检查记录子项结论检查项目1组砌方法5.3.1条√√√√√√2是否混砌9.3.2条√√√√√√3梁底砌法9.3.7条√√√√√√4轴线位移108737255垂直度5523435第5页共13页第4页共13页编号:时间:2021年x月x日书山有路勤为径,学海无涯苦作舟页码:第5页共13页6表面平整度83527337门窗洞口高、宽±5+224-4248外窗口偏移20161613159209标高(层)±15复查记录符合要求验收意见同意验收责任签署建设单位施工单位监理单位验收人员:(验收专用章)年月日验收人员:(验收专用章)2009年5月日验收人员:(验收专用章)年月日天棚、墙面、地面面层质量分户验收记录表表—3工程名称结构类型层数验收部位(房号)户型建设单位施工单位监理单位验收日期验收检查房间号12345678质量验收规范的规定检查记录子项结论检查项目1天棚一般抹灰表面4.2.6条2吊顶表面6.2.7、6.3.7条3墙面一般抹灰空裂4.2.5条√√√√√√√√4污迹4.2.6条√√√√√√√√第6页共13页第5页共13页编号:时间:2021年x月x日书山有路勤为径,学海无涯苦作舟页码:第6页共13页表面5垂直度4(3)√√√√√√√√6平整度4(3)√√√√√√√√7镶贴表面空鼓8.3.5条8垂直度29平整度310地面抹灰面层空裂5.3.4条√√√√√√√√11起砂5.3.6条√√√√√√√√12平整度4√√√√√√√√13镶贴面层空鼓6.2.8、6.3.6条√√√√√√√√14平整度石材1√√√√√√√√15地砖2√√√√√√√√16厨、卫渗漏4.10.10条√√√√√√√√复查记录符合要求验收意见同意验收责任签署建设单位施工单位监理单位验收人员:(验收专用章)年月日验收人员:(验收专用章)2007年12月13日验收人员:(验收专用章)年月日金属门...

1、当您付费下载文档后,您只拥有了使用权限,并不意味着购买了版权,文档只能用于自身使用,不得用于其他商业用途(如 [转卖]进行直接盈利或[编辑后售卖]进行间接盈利)。
2、本站所有内容均由合作方或网友上传,本站不对文档的完整性、权威性及其观点立场正确性做任何保证或承诺!文档内容仅供研究参考,付费前请自行鉴别。
3、如文档内容存在违规,或者侵犯商业秘密、侵犯著作权等,请点击“违规举报”。

碎片内容

沈阳分户验收表 一套

您可能关注的文档

确认删除?
VIP
微信客服
  • 扫码咨询
会员Q群
  • 会员专属群点击这里加入QQ群
客服邮箱
回到顶部