电脑桌面
添加小米粒文库到电脑桌面
安装后可以在桌面快捷访问

安全质量标准化露天(新规范)VIP免费

安全质量标准化露天(新规范)_第1页
1/31
安全质量标准化露天(新规范)_第2页
2/31
安全质量标准化露天(新规范)_第3页
3/31
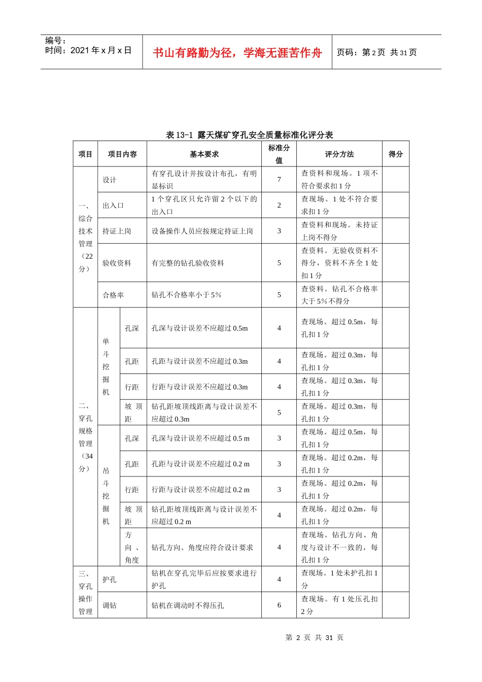
第1页共31页编号:时间:2021年x月x日书山有路勤为径,学海无涯苦作舟页码:第1页共31页第13部分露天煤矿一、基本要求1.采矿作业采矿作业应符合以下要求:(1)采剥应符合生产规模和设计要求,保证合理的采剥关系;(2)应科学组织生产,采掘、运输、排土系统匹配合理。2.工艺与设备不使用明令禁止使用或者淘汰的设备、工艺,工艺设备配置合理。3.生产现场管理和生产过程控制应加强对生产现场的安全管理和对生产过程的控制。对生产过程及物料、设备设施、器材、通道、作业环境等存在的隐患,应进行分析和控制。4.技术保障技术保障应符合以下要求:(1)有健全的技术管理体系和完善的工作制度;(2)按规定设置机构,配备技术人员;(3)各种规程审批手续完备,贯彻、考核和签字记录齐全;(4)在生产组织等方面应开展技术创新。5.岗位规范岗位规范符合以下要求:(1)安全管理人员、操作岗位人员应按规定进行培训,持证上岗;(2)现场作业人员操作规范,无违章指挥、无违章作业、无违反劳动纪律的行为;(3)管理人员应熟悉采矿技术,技术人员应掌握实践知识,精通专业技术;(4)作业人员应掌握《煤矿安全规程》、操作规程及作业规程;(5)认真开展隐患排查,并实行闭合管理。6.文明生产作业环境满足规范要求,设备状态良好,到界排土平盘应按计划复垦绿化。7.工程质量工程质量应符合有关标准和规范要求。二、评分方法1.按表13-1~表13-13评分,各专业总分为100分。各小项扣完为止。2.在考核评分中,如有缺项,可将该项的分数平均折算到总项其他内容中去,折算方法如下:A=100100−C×B式中:A——实得分数;B——检查得分数;C——缺项分数。3.露天煤矿采用单一工艺时,对应采用该工艺的评分表进行评分;采用多工艺时,按照所采用工艺考核平均计分,即综合得分=各工艺考核得分之和/工艺个数。第2页共31页第1页共31页编号:时间:2021年x月x日书山有路勤为径,学海无涯苦作舟页码:第2页共31页表13-1露天煤矿穿孔安全质量标准化评分表项目项目内容基本要求标准分值评分方法得分一、综合技术管理(22分)设计有穿孔设计并按设计布孔,有明显标识7查资料和现场。1项不符合要求扣1分出入口1个穿孔区只允许留2个以下的出入口2查现场。1处不符合要求扣1分持证上岗设备操作人员应按规定持证上岗3查资料和现场。未持证上岗不得分验收资料有完整的钻孔验收资料5查资料。无验收资料不得分,资料不齐全1处扣1分合格率钻孔不合格率小于5%5查资料。钻孔不合格率大于5%不得分二、穿孔规格管理(34分)单斗挖掘机孔深孔深与设计误差不应超过0.5m4查现场。超过0.5m,每孔扣1分孔距孔距与设计误差不应超过0.3m4查现场。超过0.3m,每孔扣1分行距行距与设计误差不应超过0.3m4查现场。超过0.3m,每孔扣1分坡顶距钻孔距坡顶线距离与设计误差不应超过0.3m5查现场。超过0.3m,每孔扣1分吊斗挖掘机孔深孔深与设计误差不应超过0.5m3查现场。超过0.5m,每孔扣1分孔距孔距与设计误差不应超过0.2m3查现场。超过0.2m,每孔扣1分行距行距与设计误差不应超过0.2m3查现场。超过0.2m,每孔扣1分坡顶距钻孔距坡顶线距离与设计误差不应超过0.2m4查现场。超过0.2m,每孔扣1分方向、角度钻孔方向、角度应符合设计要求4查现场。钻孔方向、角度与设计不一致的,每孔扣1分三、穿孔操作管理护孔钻机在穿孔完毕后应按要求进行护孔4查现场。1处未护孔扣1分调钻钻机在调动时不得压孔6查现场。有1处压孔扣2分第3页共31页第2页共31页编号:时间:2021年x月x日书山有路勤为径,学海无涯苦作舟页码:第3页共31页项目项目内容基本要求标准分值评分方法得分(20分)预裂孔线预裂孔线与设计误差不应超过0.2m5查现场。超过0.2m,每处扣1分钻机钻机完好可靠5查现场。发现有故障作业不得分四、钻机安全管理(16分)边孔钻机在打边排孔时,距坡顶的距离不应小于安全规定,应垂直于坡顶线或夹角不应小于45°6查现场。安全距离不足、不垂直或夹角小于45°,每处扣2分调平穿孔时应使钻机稳固并调平后方可作业3查现场。未调平,每处扣1分除尘钻机应配备除尘设施4查现场。除尘设施不完好,每次扣2分行走钻机在行走时应执行《煤矿安全规程》...

1、当您付费下载文档后,您只拥有了使用权限,并不意味着购买了版权,文档只能用于自身使用,不得用于其他商业用途(如 [转卖]进行直接盈利或[编辑后售卖]进行间接盈利)。
2、本站所有内容均由合作方或网友上传,本站不对文档的完整性、权威性及其观点立场正确性做任何保证或承诺!文档内容仅供研究参考,付费前请自行鉴别。
3、如文档内容存在违规,或者侵犯商业秘密、侵犯著作权等,请点击“违规举报”。

碎片内容

安全质量标准化露天(新规范)

精品中小学文档+ 关注
实名认证
内容提供者

精品资料,值得下载

确认删除?
VIP
微信客服
  • 扫码咨询
会员Q群
  • 会员专属群点击这里加入QQ群
客服邮箱
回到顶部