电脑桌面
添加小米粒文库到电脑桌面
安装后可以在桌面快捷访问

安全大检查评分汇总表 表1VIP免费

安全大检查评分汇总表 表1_第1页
1/9
安全大检查评分汇总表 表1_第2页
2/9
安全大检查评分汇总表 表1_第3页
3/9
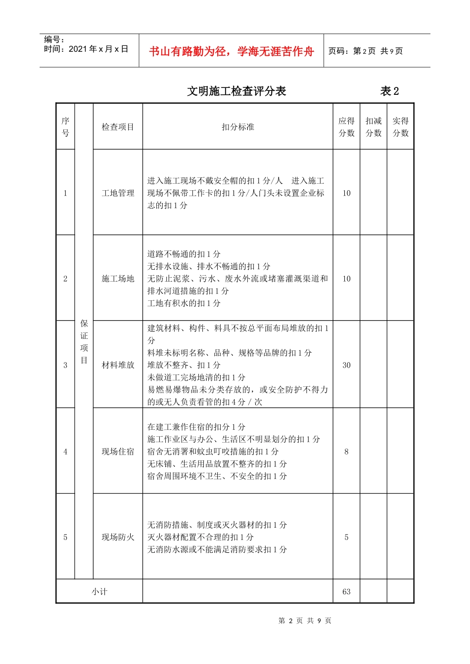
第1页共9页编号:时间:2021年x月x日书山有路勤为径,学海无涯苦作舟页码:第1页共9页安全大检查评分汇总表表1受检单位受查工地受检部位实得分数序号项目检查情况评定分数处理意见1文明施工30%2施工用具25%3施工用电20%4安全管理25%总计100附注:检查负责人:年月日第2页共9页第1页共9页编号:时间:2021年x月x日书山有路勤为径,学海无涯苦作舟页码:第2页共9页文明施工检查评分表表2序号保证项目检查项目扣分标准应得分数扣减分数实得分数1工地管理进入施工现场不戴安全帽的扣1分/人进入施工现场不佩带工作卡的扣1分/人门头未设置企业标志的扣1分102施工场地道路不畅通的扣1分无排水设施、排水不畅通的扣1分无防止泥浆、污水、废水外流或堵塞灌溉渠道和排水河道措施的扣1分工地有积水的扣1分103材料堆放建筑材料、构件、料具不按总平面布局堆放的扣1分料堆未标明名称、品种、规格等品牌的扣1分堆放不整齐、扣1分未做道工完场地清的扣1分易燃易爆物品未分类存放的,或安全防护不得力的或无人负责看管的扣4分/次304现场住宿在建工兼作住宿的扣分1分施工作业区与办公、生活区不明显划分的扣1分宿舍无消署和蚊虫叮咬措施的扣1分无床铺、生活用品放置不整齐的扣1分宿舍周围环境不卫生、不安全的扣1分85现场防火无消防措施、制度或灭火器材的扣1分灭火器材配置不合理的扣1分无消防水源或不能满足消防要求扣1分5小计63第3页共9页第2页共9页编号:时间:2021年x月x日书山有路勤为径,学海无涯苦作舟页码:第3页共9页第4页共9页第3页共9页编号:时间:2021年x月x日书山有路勤为径,学海无涯苦作舟页码:第4页共9页续表序号一般项目检查项目扣分标准应得分数扣减分数实得分数6治安综合治理生活区未给工人设置学习场所的扣1分未建立治安保卫制度的,责任分解到人的扣1分治安防范措施不利,常发生失盗事件的扣1分107施工现场标牌标牌不规范、不整齐的扣1分无安全标语,扣1分无宣传栏、读报栏、黑板报的扣1分78生活设施厕所不符合卫生要求的扣1分无厕所、随地大小便的扣1分食堂不符合卫生要求的扣1分无卫生责任制,扣1分不能保证供应卫生饮水的扣1分无淋浴室或淋浴不符合要求的扣1分生活垃圾未及时清理,未装容器,无专人管理的扣1分109保健急救无保健医药箱的扣1分无急救措施和急救器材的扣1分未开展卫生防病宣传教育的扣1分10小计37检查项目合计100注:1.每项最多扣减分数不大于该项应得分数。2.保证项目有一项不得分或保证项目小计第5页共9页第4页共9页编号:时间:2021年x月x日书山有路勤为径,学海无涯苦作舟页码:第5页共9页得分不足40分,检查评分表零分。3.该表换算到表后得分=25×该表检查项目实得分数合计/100。安全管理检查评分表表3序号检查项目扣分标准应得分数扣减分数实得分数1保证项目安全管理责任制未建立安全责任制,扣2分各项各施工队未执行责任制、扣1分经济承包中无安全生产指标,扣2分未制定各工种安全技术操作规程、扣2分未按规定配备专(兼)职安全员的扣2分管理人员责任制考核不合格,扣1分102目标管理未制定安全管理目标(伤亡控制指标和安全达标,文明施工目标),扣2分未进行安全责任目标分解的,扣2分无责任目标考核规定的,扣1分考核办法未落实或落实不好的,扣1分103施工组织设计施工组织设计无安全措施,扣2分施工组织未经审批,扣2分专业性较强的项目,未单独编制专项安全措施未落实,扣1分安全措施不全面,扣1分安全措施无针对性,扣1分安全措施未落实,扣1分104分部(分项)工程安全技术交底无书面安全技术交底的扣2分交底针对性不强,扣1分交底不全面,扣1分交底未履行签字手续,扣1分105安全检查无定期安全检查制度,扣1分安全检查无记录,扣1分检查出事故隐患整改做不到定人、定时间、定措施,扣1分对重大事故隐患整改通知书所列项目未如期完成,扣1分106安全教育无安全教育制度,扣2分新入场工人未进行三级安全教育,扣2分无具体安全教育内容,扣1分变换工种时未进行安全教育,扣2分每有一人不懂本工种安全技术操作规程,扣1分施工管理人员未按规定进行年度培训的,扣1分专职人员未按规定进行年度培训考核或考核不合格的,扣1分107一般项目班前安全活动未...

1、当您付费下载文档后,您只拥有了使用权限,并不意味着购买了版权,文档只能用于自身使用,不得用于其他商业用途(如 [转卖]进行直接盈利或[编辑后售卖]进行间接盈利)。
2、本站所有内容均由合作方或网友上传,本站不对文档的完整性、权威性及其观点立场正确性做任何保证或承诺!文档内容仅供研究参考,付费前请自行鉴别。
3、如文档内容存在违规,或者侵犯商业秘密、侵犯著作权等,请点击“违规举报”。

碎片内容

安全大检查评分汇总表 表1

您可能关注的文档

确认删除?
VIP
微信客服
  • 扫码咨询
会员Q群
  • 会员专属群点击这里加入QQ群
客服邮箱
回到顶部