电脑桌面
添加小米粒文库到电脑桌面
安装后可以在桌面快捷访问

北京市2015年中考化学二模考试分类汇编科学探究实验VIP免费

北京市2015年中考化学二模考试分类汇编科学探究实验_第1页
1/9
北京市2015年中考化学二模考试分类汇编科学探究实验_第2页
2/9
北京市2015年中考化学二模考试分类汇编科学探究实验_第3页
3/9
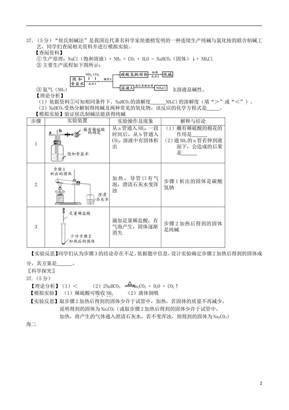
分类汇编------探究实验东二[科学探究](共1小题,共6分)36.(6分)化学是从分子、原子的角度研究物质组成、性质和变化的一门自然科学。【提出问题】在物理变化和化学变化中分子是否发生了变化?【查阅资料】无水硫酸铜是白色固体,能与水发生反应生成蓝色的硫酸铜晶体(化学式为CuSO4•5H2O的化合物),反应的化学方程式是CuSO4+5H2O==CuSO4•5H2O。【实验探究】实验装置及步骤实验现象实验结论及化学方程式(1)向盛有无水硫酸铜的试管中滴加少量蒸馏水观察到______无水硫酸铜与水发生了化学反应(2)用下列装置进行实验(夹持仪器已省略)现象与(1)相同此实验中发生的两个变化是:①水由液态变为气态;②白色固体变为______色。以上两个变化的本质区别是______,说明在化学变化中分子______(3)用下列装置进行实验,并将两管中的气体分别通入无水硫酸铜中观察到无水硫酸铜______电解水反应的化学方程式是______【实验结论】通过实验(1)、(2)和(3),可以得出分子是保持物质______的最小粒子。[科学探究](共1小题,共6分)36.(6分)实验装置及步骤实验现象实验结论及化学方程式(1)白色固体变为蓝色(2)②蓝色。①中无新物质生成,②中有新物质生成发生改变(3)无明显变化2H2O2H2↑+O2↑[实验结论]化学性质西二〖科学探究〗无水硫酸铜蒸馏水无水硫酸铜水水通电37.(5分)“侯氏制碱法”是我国近代著名科学家侯德榜发明的一种连续生产纯碱与氯化铵的联合制碱工艺,同学们查阅相关资料并进行模拟实验。【查阅资料】①生产原理:NaCl(饱和溶液)+NH3+CO2+H2O=NaHCO3(固体)↓+NH4Cl②主要生产流程如下图所示:③氨气(NH3)是一种有刺激性气味的气体,极易溶于水,其水溶液显碱性。【理论分析】(1)依据资料①可知相同条件下,NaHCO3的溶解度NH4Cl的溶解度(填“>”或“<”)。(2)NaHCO3受热分解制得纯碱及两种常见的氧化物,该反应的化学方程式是。【模拟实验】验证侯氏制碱法能获得纯碱步骤实验装置实验操作及现象解释与结论1从a管通入NH3,一段时间后,从b管通入CO2,溶液中有固体析出(1)蘸有稀硫酸的棉花的作用是(2)通NH3的a管若伸到液面下,会造成的后果是2加热,导管口有气泡,澄清石灰水变浑浊步骤1析出的固体是碳酸氢钠3滴加足量稀盐酸,有气泡产生,固体逐渐消失步骤2加热后得到的固体是纯碱【实验反思】同学们认为步骤3的结论存在不足。依据题中信息,设计实验确定步骤2加热后得到的固体成分,其方案是。〖科学探究〗37.(5分)【理论分析】(1)<(2)2NaHCO3Na2CO3+H2O+CO2↑【模拟实验】(1)稀硫酸可吸收NH3(2)液体倒吸【实验反思】取步骤2加热后得到的固体少许于试管中,加热,若固体的质量不再减少,说明得到的固体为Na2CO3(或取步骤2加热后得到的固体少许于试管中,加热,将产生的气体通入澄清石灰水,若不变浑浊,则得到的固体为Na2CO3)海二2足量稀盐酸少许步骤2蘸有稀硫酸饱和食盐水步骤1析出的固体澄清石灰水加热后的固体的棉花36.(6分)[进行试验]①无肥皂泡[获得结论](1)Mg(OH)2+H2↑(共1分)(2)Fe和NaCl[反思改进](1)固体药品用量少(或水太多、反应物配比不合适、反应时间不足等,合理即给分)(2)过滤,向滤渣中加入足量稀盐酸,固体溶解,有气泡冒出,溶液变浅绿色,证明有Fe(1分)。取滤液蒸发结晶(1分)3朝二〖科学探究〗(共1道小题,共6分)35.(6分)某学习小组对课本中“氯化钠能用于制烧碱”的内容产生兴趣,查阅资料得知:2NaCl+2H2O通电2NaOH+H2↑+Cl2↑。为验证该反应能制烧碱,同学们用右图装置进行了电解饱和氯化钠溶液的实验,通电一段时间后,关闭电源,从K处倒出溶液作为待测液进行如下探究。[源:Z【探究一】检验待测液中含有氢氧化钠检验含有氢氧化钠的方法是。【探究二】测定待测液中氢氧化钠的质量分数查阅资料:Ⅰ.氢氧化镁不溶于水。Ⅱ.氢氧化钠与氯化镁溶液能发生复分解反应,化学方程式为:。进行实验:实验步骤如下图所示。(1)步骤②加入的氯化镁溶液必需过量,其目的是。实验过程中,判断所加氯化镁溶液是否过量的方法是。(2)实验过程中若缺少步骤④的操作,则测定的待测液中氢...

1、当您付费下载文档后,您只拥有了使用权限,并不意味着购买了版权,文档只能用于自身使用,不得用于其他商业用途(如 [转卖]进行直接盈利或[编辑后售卖]进行间接盈利)。
2、本站所有内容均由合作方或网友上传,本站不对文档的完整性、权威性及其观点立场正确性做任何保证或承诺!文档内容仅供研究参考,付费前请自行鉴别。
3、如文档内容存在违规,或者侵犯商业秘密、侵犯著作权等,请点击“违规举报”。

碎片内容

北京市2015年中考化学二模考试分类汇编科学探究实验

确认删除?
VIP
微信客服
  • 扫码咨询
会员Q群
  • 会员专属群点击这里加入QQ群
客服邮箱
回到顶部